GM Service Manual Online
For 1990-2009 cars only
Makes
🢒
Cadillac
🢒
2000
🢒
Escalade
🢒 Ignition Controls
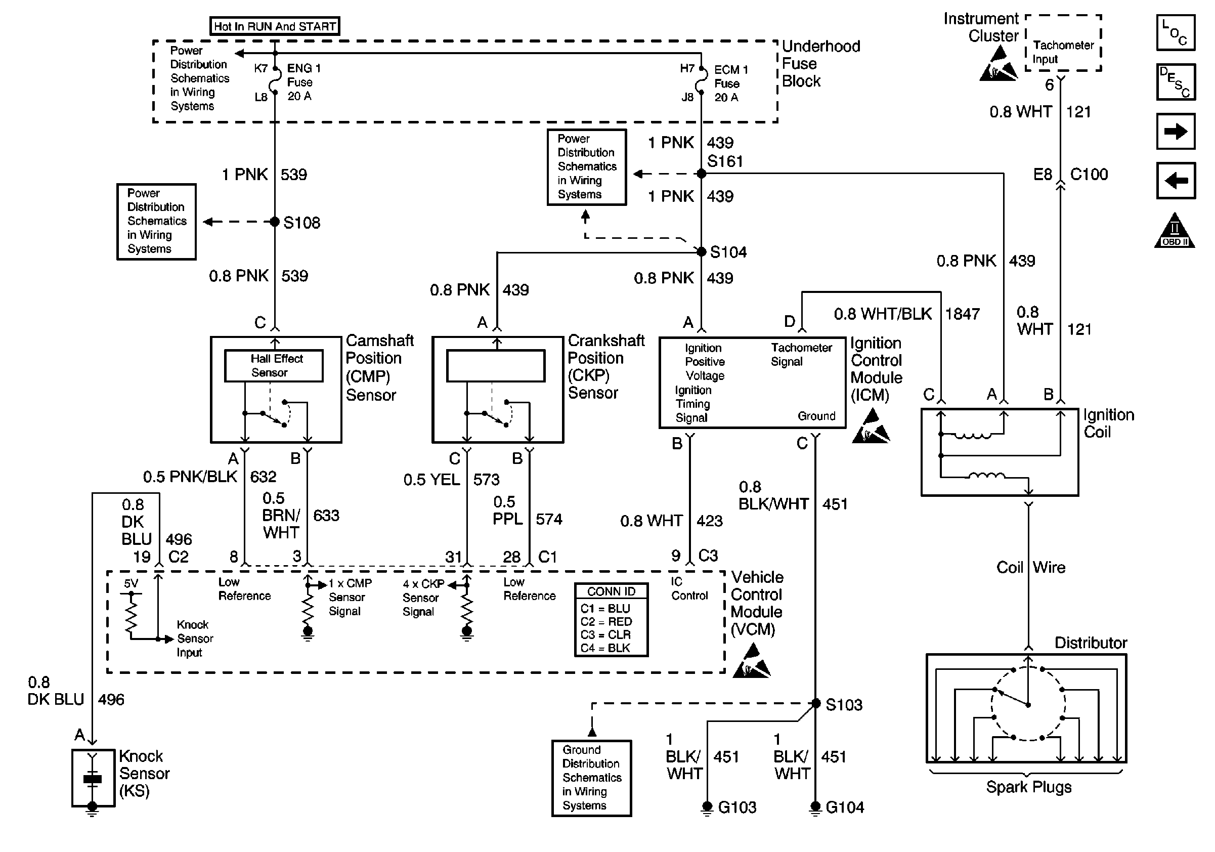
Ignition Controls
Ignition Controls
Engine Controls Components
Enhanced Ignition System Description
Fuel Pump Control-Single Tank
VCM Power, Ground, MIL, and DLC
OBD II Symbol Description Notice
IGN A Fuse and Ignition Switch
Cell 10: ENG-1 Fuse
ECM 1 Fuse (5.7L)
Handling ESD Sensitive Parts Notice
Handling ESD Sensitive Parts Notice
G103 and G104
Handling ESD Sensitive Parts Notice