GM Service Manual Online
For 1990-2009 cars only
Makes
🢒
Cadillac
🢒
2002
🢒
Escalade EXT
🢒
Engine
🢒
Engine Electrical
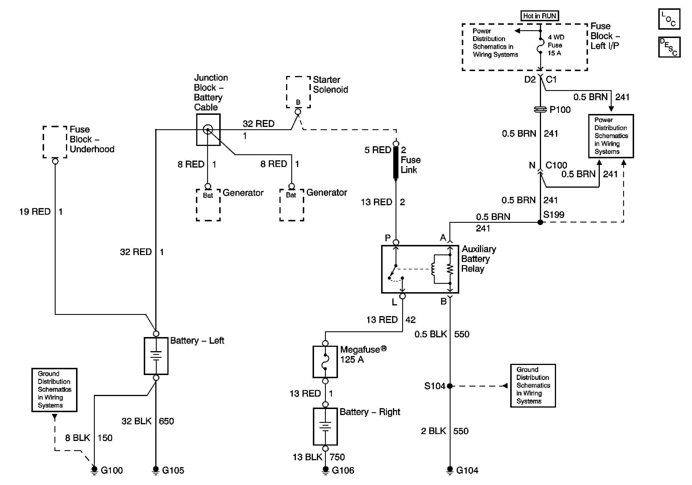
🢒 Auxiliary Battery Schematics
Master Electrical Component List
Battery Description and Operation
4WD and HVAC I Fuses
4WD and HVAC I Fuses
G100 and G110
G104