GM Service Manual Online
For 1990-2009 cars only
Makes
🢒
Cadillac
🢒
2002
🢒
Escalade EXT
🢒
Suspension
🢒
Automatic Level Control
🢒 Automatic Level Control Schematics
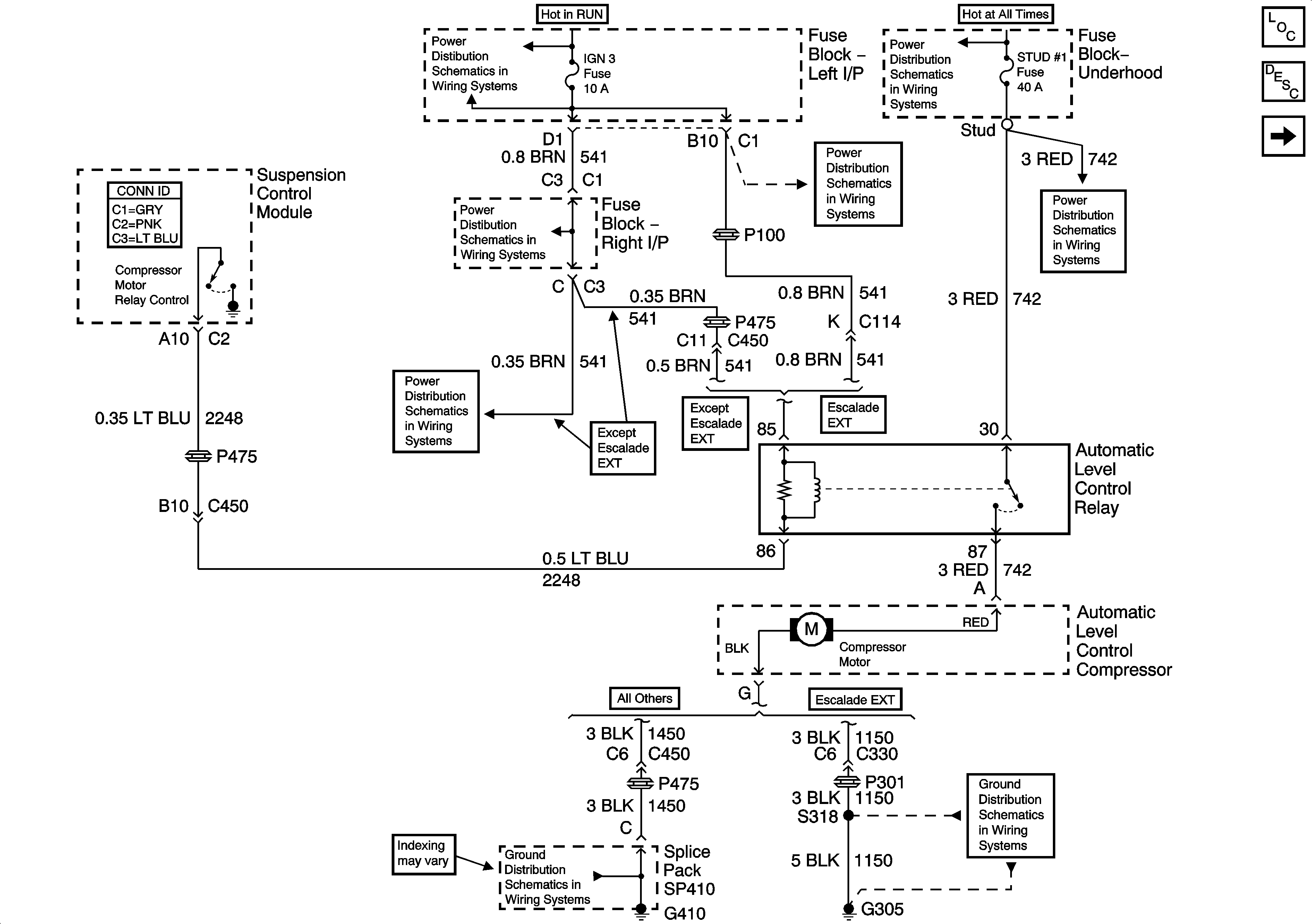
Figure
1:
Compressor Control
Master Electrical Component List
Automatic Level Control Description and Operation
Suspension Level Control
IGN 3 Fuse
IGN 3 Fuse
ABS, HAZ LP, STUD 1, STUD 2, CTSY LP, and PARK LP Fuses
ABS, HAZ LP, STUD 1, STUD 2, CTSY LP, and PARK LP Fuses
IGN 3 Fuse
G410 - 1 of 2
G305
IGN 3 Fuse
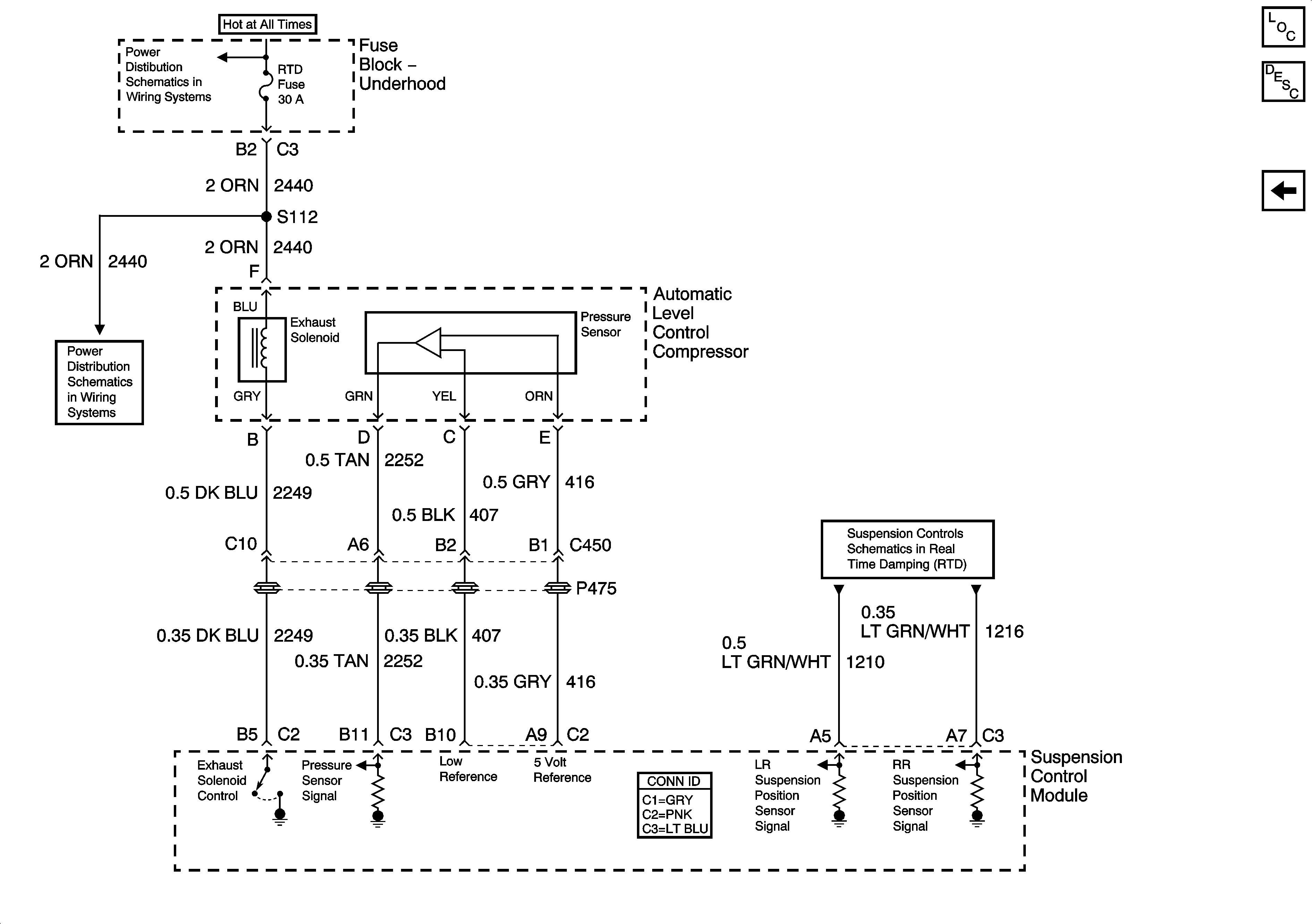
Figure
2:
Suspension Level Control
Master Electrical Component List
Automatic Level Control Description and Operation
Compressor Control
RTD, RDO AMP, CRANK, and IGN 0 Fuses
Suspension Position Sensors
RTD, RDO AMP, CRANK, and IGN 0 Fuses