GM Service Manual Online
For 1990-2009 cars only
Makes
🢒
Cadillac
🢒
2002
🢒
Escalade EXT
🢒
Body and Accessories
🢒
Keyless Entry
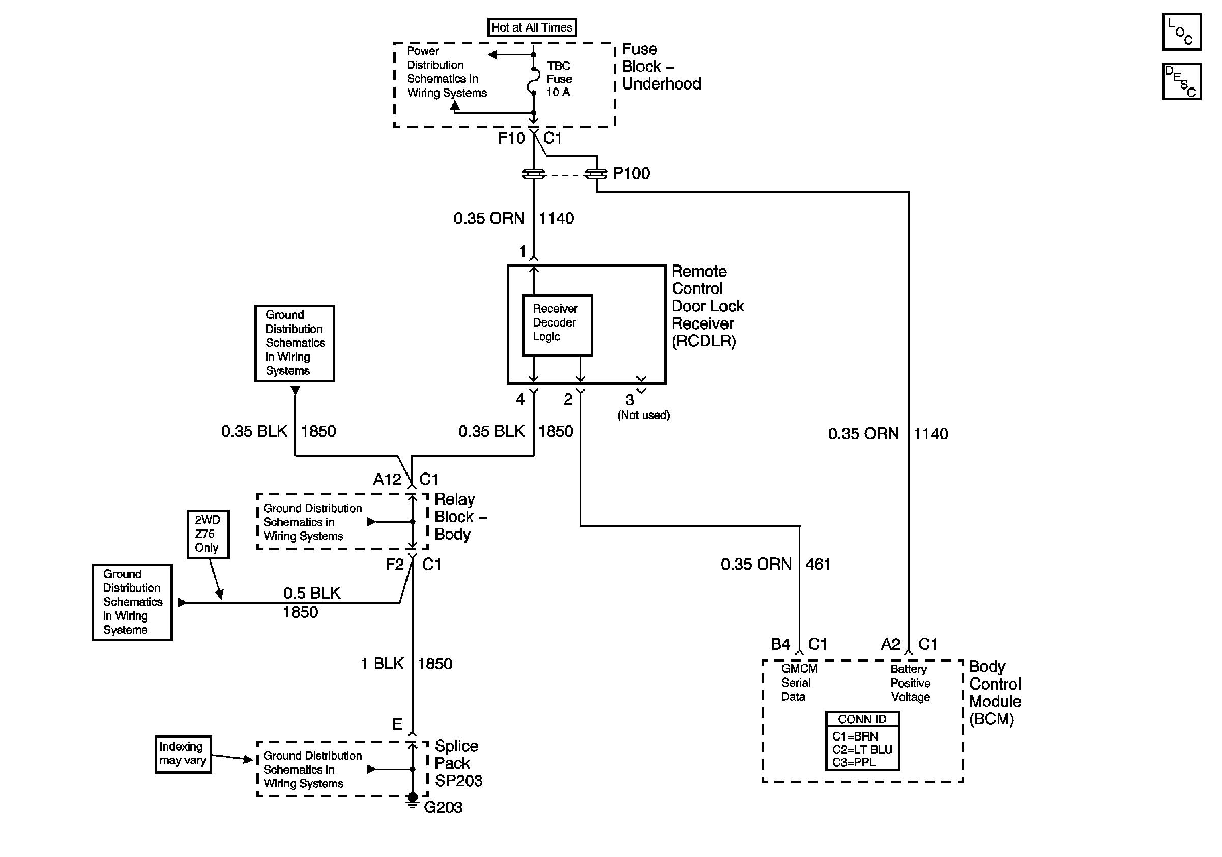
🢒 Keyless Entry Schematics
Master Electrical Component List
Keyless Entry System Description and Operation
TBC, FOG LP, LT HDLP, and RT HDLP Fuses
G203 - 4 of 4
G203 - 4 of 4
G203 - 1 of 4