GM Service Manual Online
For 1990-2009 cars only
Makes
🢒
Cadillac
🢒
2002
🢒
Escalade EXT
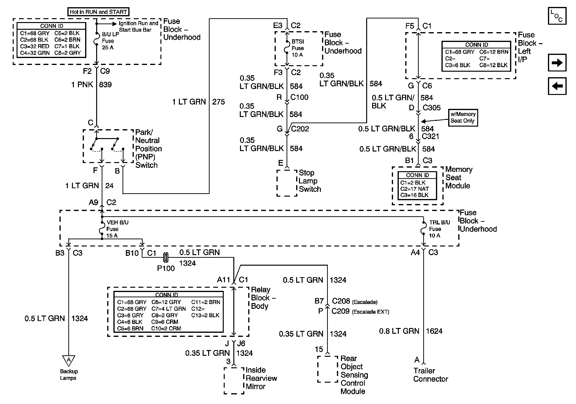
🢒 B/U LP, BTSI, VEH B/U - 1 of 2, and TRL B/U Fuses
B/U LP, BTSI, VEH B/U - 1 of 2, and TRL B/U Fuses
B/U LP, BTSI, VEH B/U - 1 of 2, and TRL B/U Fuses
Master Electrical Component List
HTD MIR, RR DEFOG Fuses, and RR DEFOG Relay
STOP, TURN, and HAZARD Bus Bars
IGNITION, RUN, and START Bus Bar
VEH STOP Fuse - 2 of 2 and VEH B/U Fuse - 2 of 2