GM Service Manual Online
For 1990-2009 cars only
Makes
🢒
Cadillac
🢒
2002
🢒
Escalade EXT
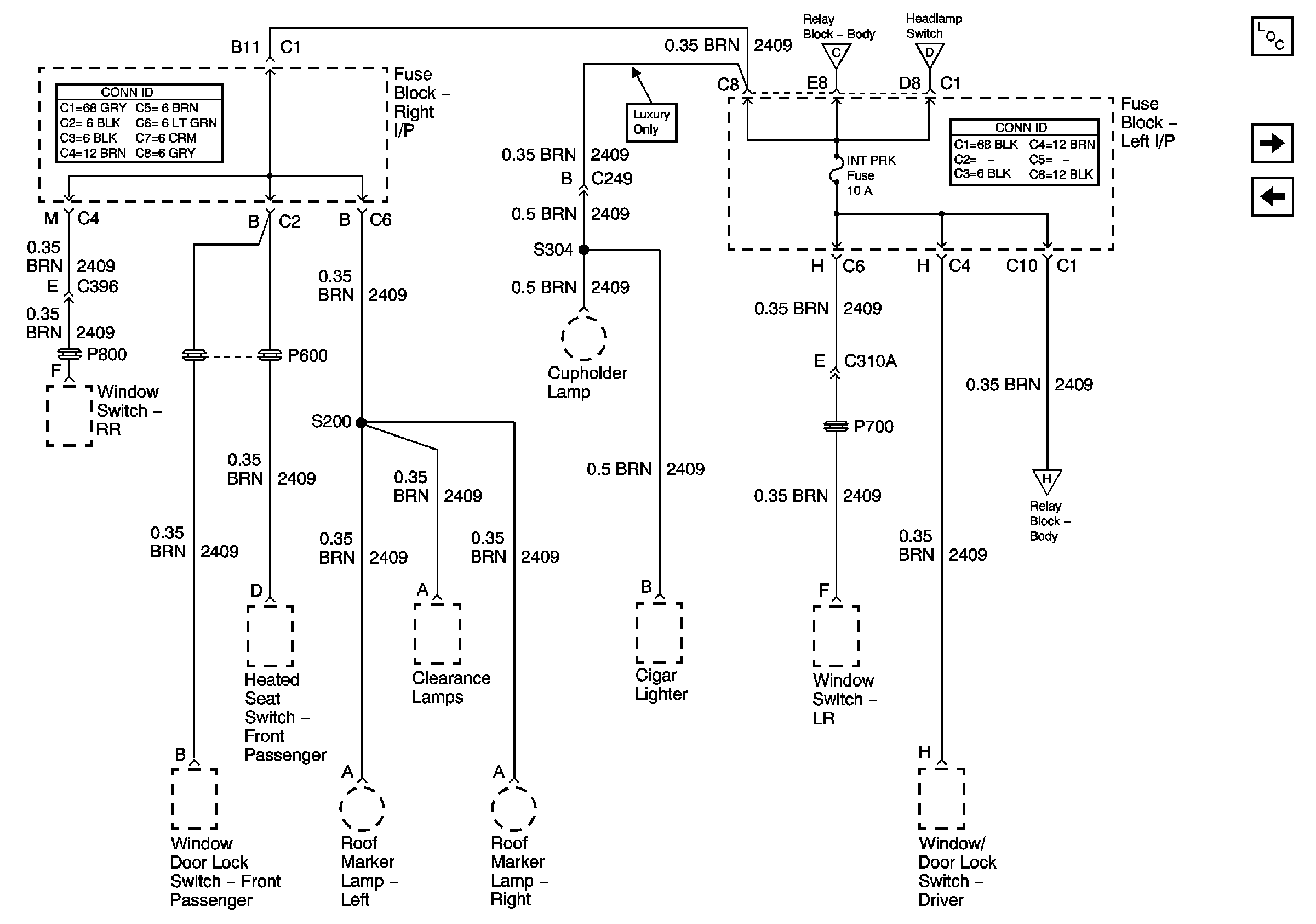
🢒 INT PRK Fuse - 1 of 2
INT PRK Fuse - 1 of 2
INT PRK Fuse - 1 of 2
Master Electrical Component List
INT PRK Fuse - 2 of 2
FR PRK, TRL PRK, HORN Fuses, FOG LAMP and HORN Relays
ABS, HAZ LP, STUD 1, STUD 2, CTSY LP, and PARK LP Fuses
ABS, HAZ LP, STUD 1, STUD 2, CTSY LP, and PARK LP Fuses
INT PRK Fuse - 2 of 2