GM Service Manual Online
For 1990-2009 cars only
Makes
🢒
Cadillac
🢒
2002
🢒
Escalade EXT
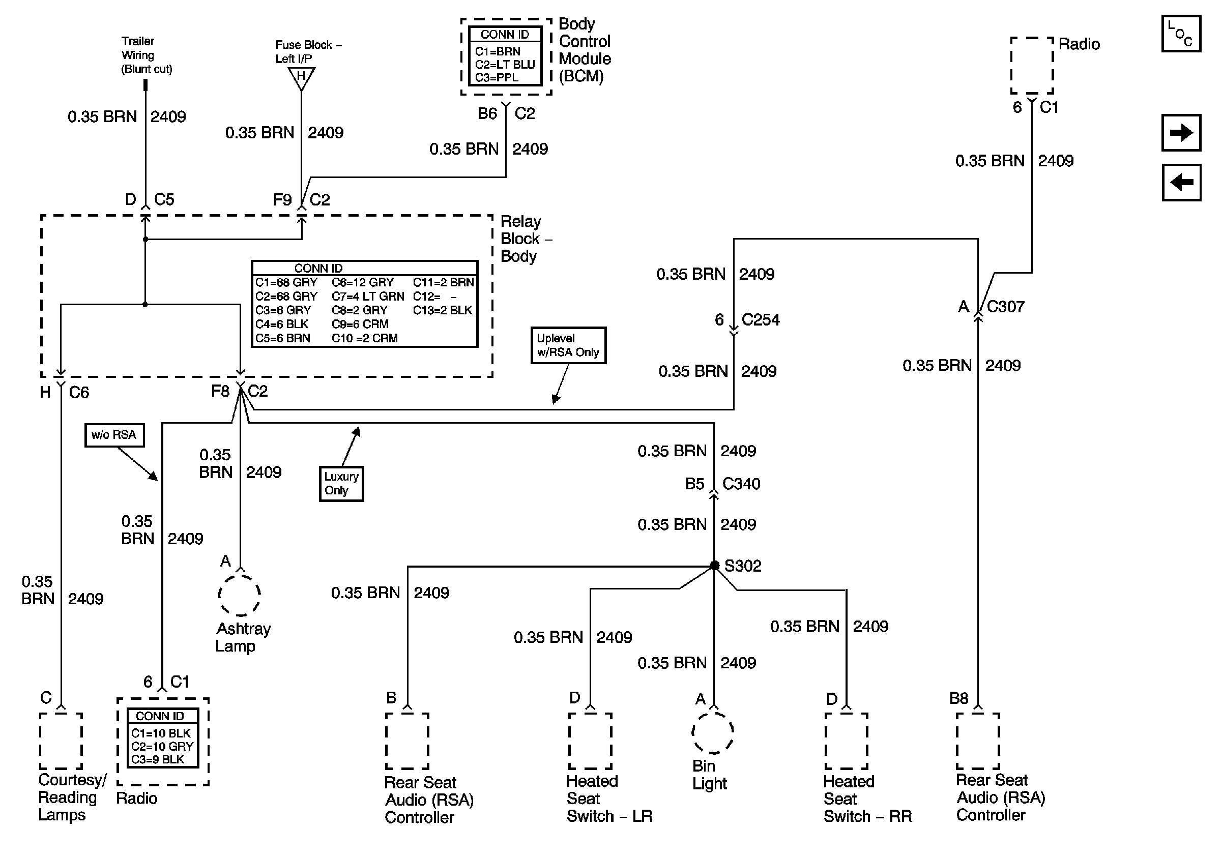
🢒 INT PRK Fuse - 2 of 2
INT PRK Fuse - 2 of 2
INT PRK Fuse - 2 of 2
Master Electrical Component List
LT TURN AND RT TURN Fuses - Tahoe/Yukon/Suburban/Yukon XL
INT PRK Fuse - 1 of 2
INT PRK Fuse - 1 of 2