GM Service Manual Online
For 1990-2009 cars only
Makes
🢒
Cadillac
🢒
2002
🢒
Escalade EXT
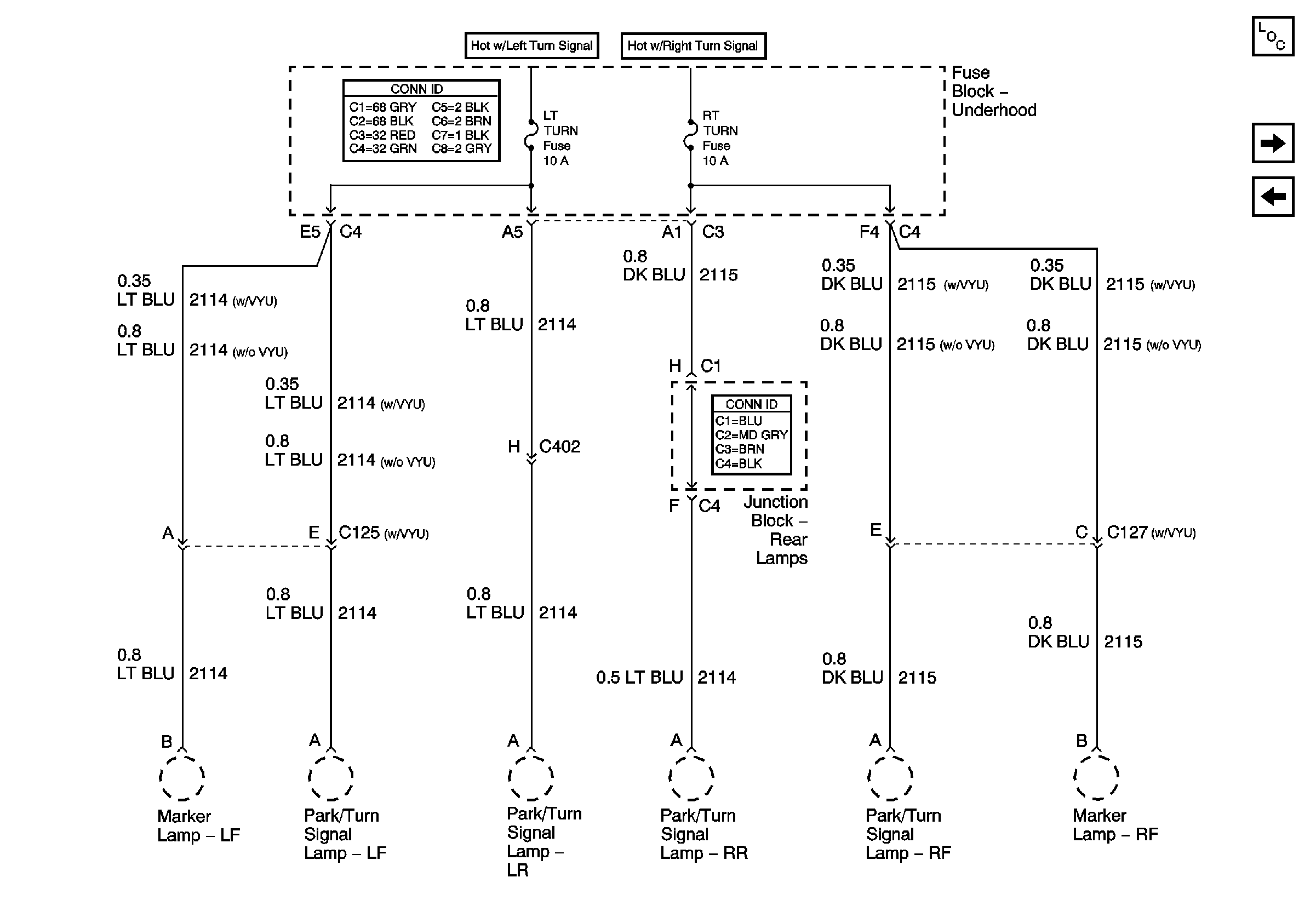
🢒 LT TURN AND RT TURN Fuses - Tahoe/Yukon/Suburban/Yukon XL
LT TURN AND RT TURN Fuses - Tahoe/Yukon/Suburban/Yukon XL
LT TURN and RT TURN Fuses - Tahoe, Yukon, Suburban, and Yukon XL
Master Electrical Component List
LT TURN AND RT TURN Fuses - Escalade w/4WD and Avalanche
INT PRK Fuse - 2 of 2