GM Service Manual Online
For 1990-2009 cars only
Makes
🢒
Cadillac
🢒
2002
🢒
Escalade EXT
🢒 Switch Controls
Switch Controls
Switch Controls
Master Electrical Component List
Transfer Case Description and Operation
Propshaft Speed Sensors, Front Axle Actuator
IGN 1, SEO IGN, and AIR BAG Fuses
IGN 1, SEO IGN, and AIR BAG Fuses
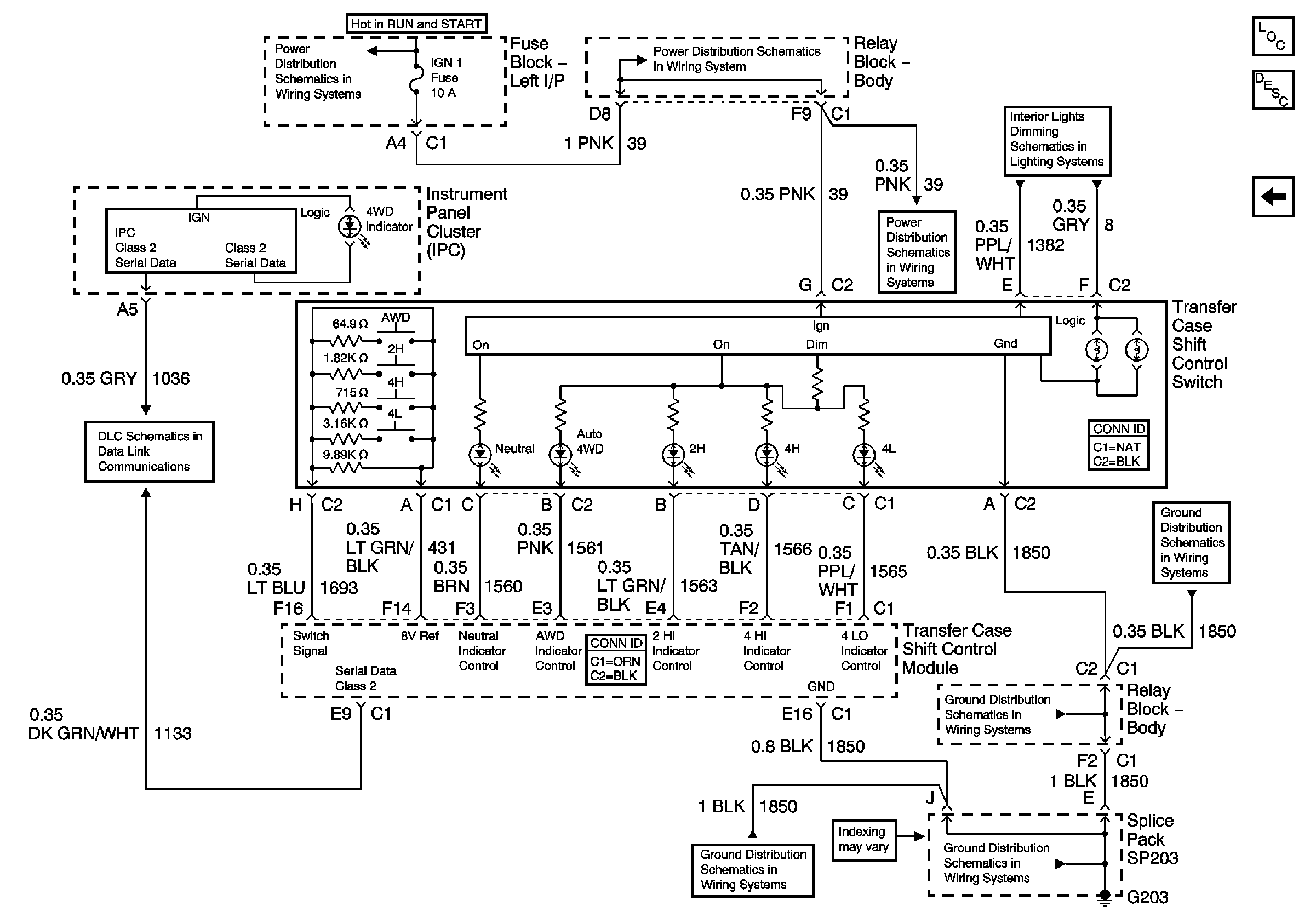
Transfer Case Shift Control Switch and Traction Assist Switch
IGN 1, SEO IGN, and AIR BAG Fuses
Splice Pack SP205
G203 - 1 of 4
G203 - 4 of 4
G203 - 4 of 4
G203 - 1 of 4