GM Service Manual Online
For 1990-2009 cars only
Makes
🢒
Cadillac
🢒
2002
🢒
Escalade EXT
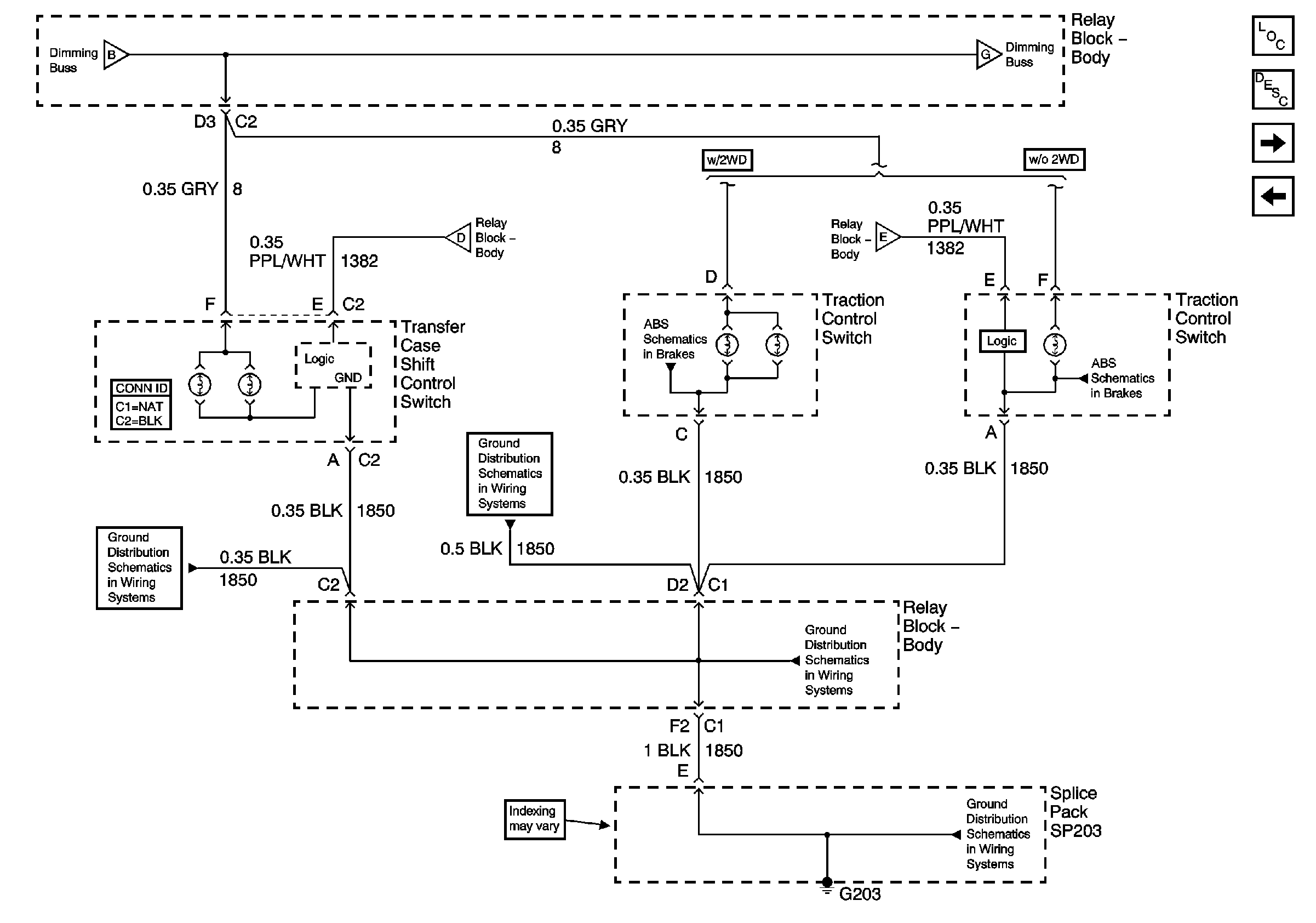
🢒 Transfer Case Shift Control Switch and Traction Assist Switch
Transfer Case Shift Control Switch and Traction Assist Switch
Transfer Case Shift Control Switch and Traction Assist Switch
Master Electrical Component List
Interior Lighting Systems Description and Operation
Power Folding Mirror Switch, Analog Clock and Steering Wheel Controls
LED Dimming Control, IPC, Cargo/Fog Lamp Switch and DIC
LED Dimming Control, IPC, Cargo/Fog Lamp Switch and DIC
Power Folding Mirror Switch, Analog Clock and Steering Wheel Controls
LED Dimming Control, IPC, Cargo/Fog Lamp Switch and DIC
LED Dimming Control, IPC, Cargo/Fog Lamp Switch and DIC
G203 - 4 of 4
G203 - 4 of 4
w/ Traction Assist - Escalade 2WD
Speed Sensor Signals, Traction Control Switch - w/Traction Assist
G203 - 4 of 4
G203 - 1 of 4