GM Service Manual Online
For 1990-2009 cars only
Makes
🢒
Cadillac
🢒
2002
🢒
Escalade EXT
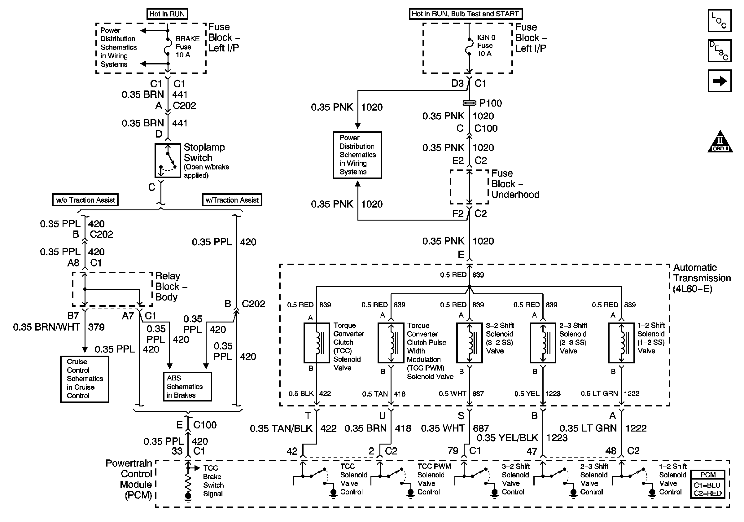
🢒 Valve Controls and Brake Switch
Valve Controls and Brake Switch
Valve Controls and Brake Switch
Master Electrical Component List
Electronic Component Description
Switch Inputs
Automatic Transmission Schematic Icons
Stop Lamp Switch Inputs and Vehicle Speed Signal (w/o ETC)
BRAKE, CRUISE, HTR A/C, RR WPR, WS WPR, and SEO ACCY Fuses
RTD, RDO AMP, CRANK, and IGN 0 Fuses
Power, Ground, Class 2 Communication - w/o Traction Assist