GM Service Manual Online
For 1990-2009 cars only
Makes
🢒
Cadillac
🢒
2002
🢒
Escalade EXT
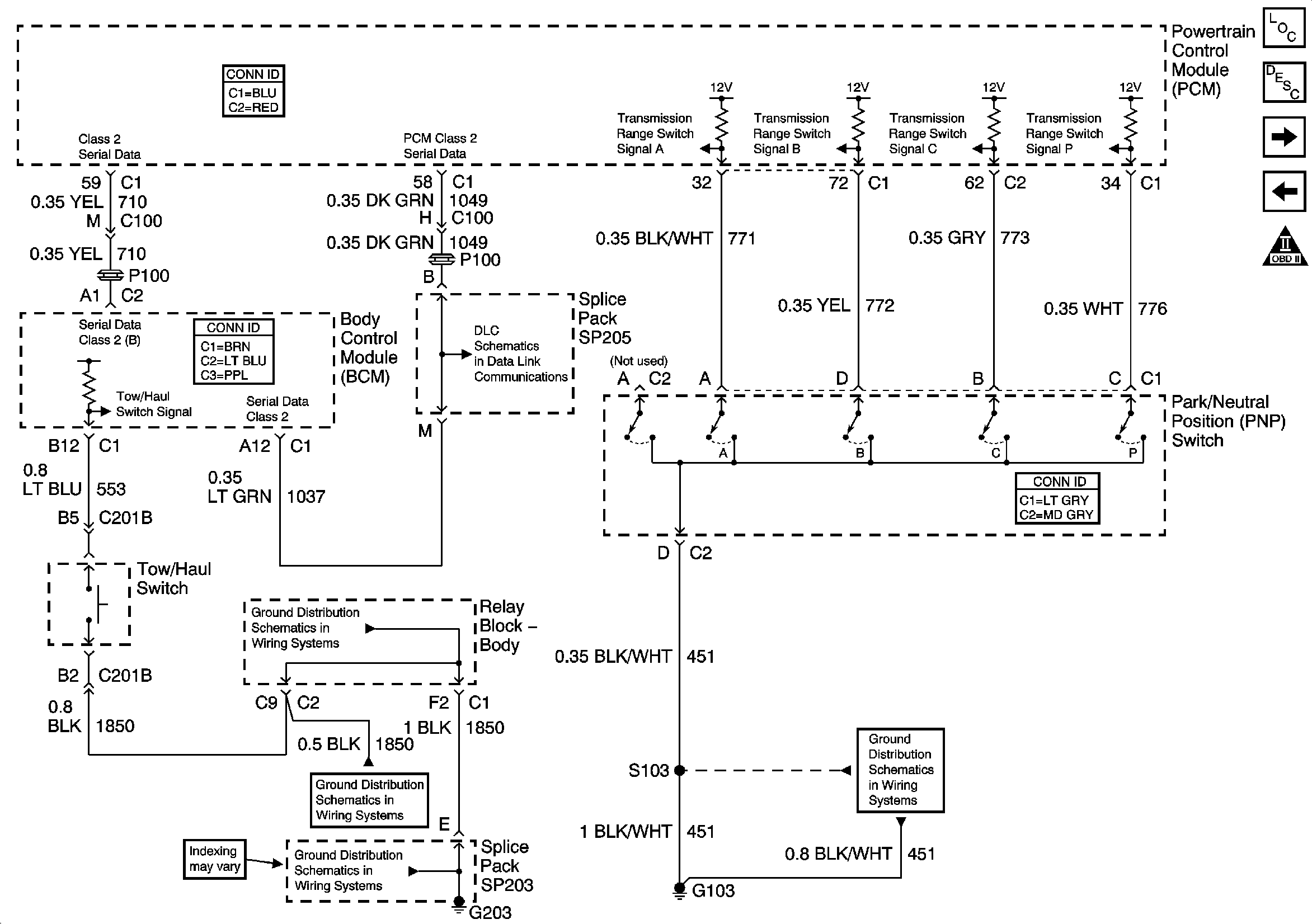
🢒 Tow/Haul Switch and PNP Switch Inputs
Tow/Haul Switch and PNP Switch Inputs
Tow/Haul Switch and PNP Switch Inputs
Master Electrical Component List
Electronic Component Description
Vehicle Speed Signal and 4WD Low Signal
Switch Inputs
Automatic Transmission Schematic Icons
Splice Pack SP205
G203 - 3 of 4
G203 - 3 of 4
G203 - 1 of 4
G103, G105, and G106