GM Service Manual Online
For 1990-2009 cars only
Makes
🢒
Cadillac
🢒
2002
🢒
Escalade EXT
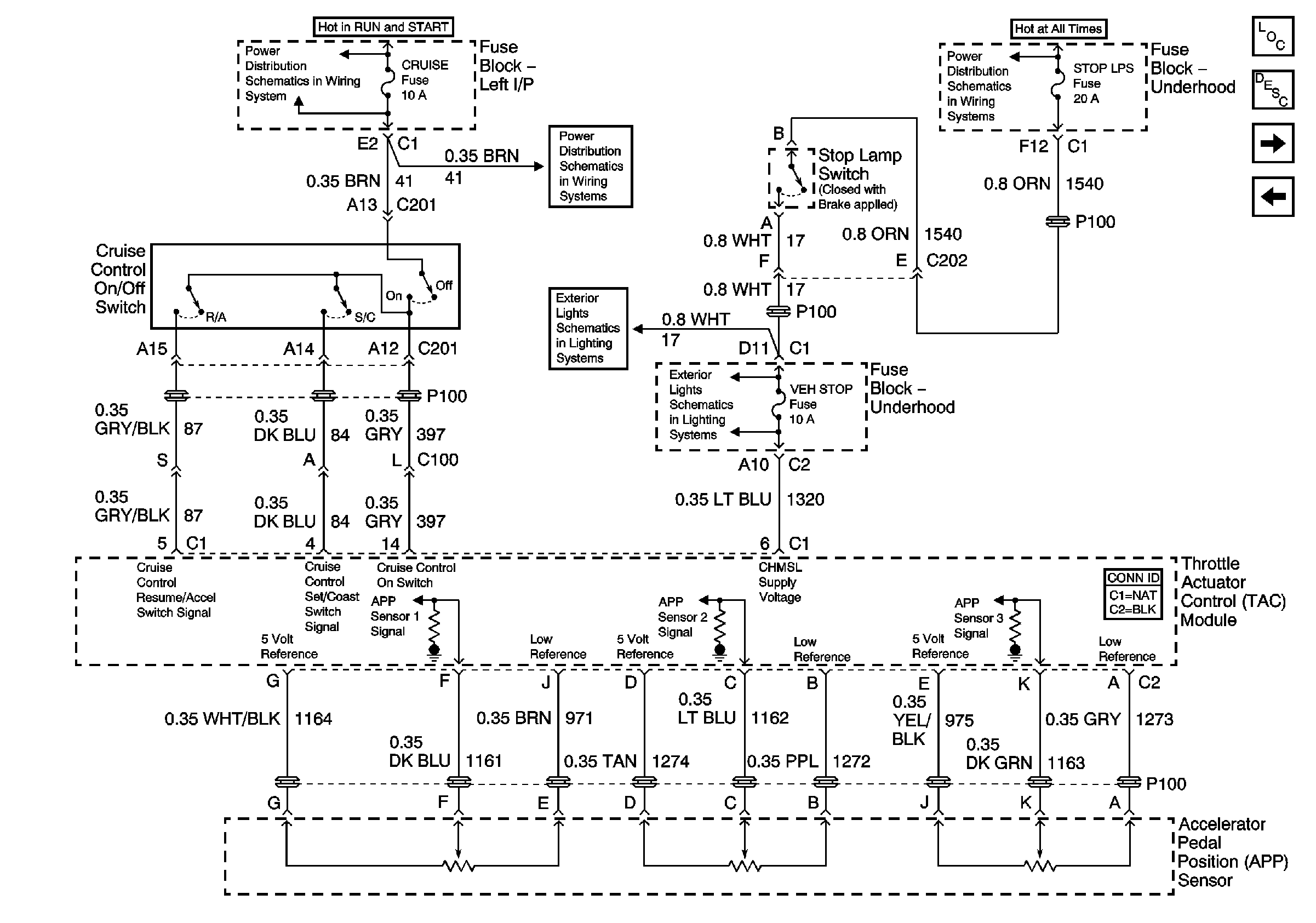
🢒 Power, Cruise Control On/Off Switch, Stop Lamp Switch Input, TAC Module, APP Sensor (w/ETC)
Power, Cruise Control On/Off Switch, Stop Lamp Switch Input, TAC Module, APP Sensor (w/ETC)
Power, Cruise Control On/Off Switch, Stop Lamp Switch Input, TAC Module, APP Sensor (w/ETC)
BRAKE, CRUISE, HTR A/C, RR WPR, WS WPR, and SEO ACCY Fuses
BRAKE, CRUISE, HTR A/C, RR WPR, WS WPR, and SEO ACCY Fuses
Hazard Flasher, Turn Signal, and Stop Lamp Control
Hazard Flasher, Turn Signal, and Stop Lamp Control
STOP, TURN, and HAZARD Bus Bars
Master Electrical Component List
Cruise Control Description and Operation w/ ETC
ETC Fuse, PCM, TAC Module, TAC Module, TP Sensor, and Ground (w/ETC)
Stop Lamp Switch Inputs and Vehicle Speed Signal (w/o ETC)