GM Service Manual Online
For 1990-2009 cars only
Makes
🢒
Cadillac
🢒
2002
🢒
Escalade EXT
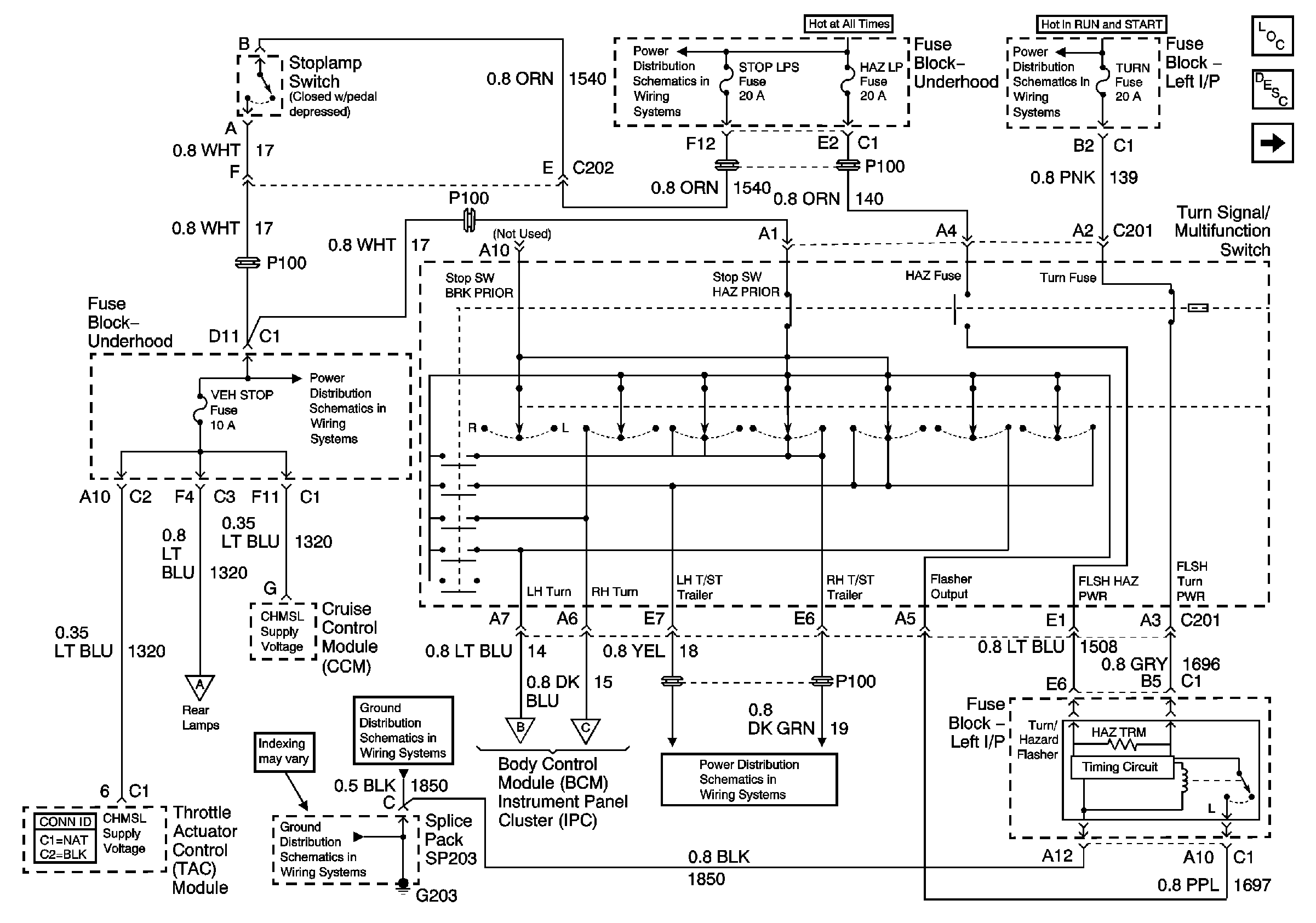
🢒 Hazard Flasher, Turn Signal, and Stop Lamp Control
Hazard Flasher, Turn Signal, and Stop Lamp Control
Hazard Flasher. Turn Signal, and Stop Lamp Control
Master Electrical Component List
Exterior Lighting Systems Description and Operation
Park/Turn Signal Lamps
STOP, TURN, and HAZARD Bus Bars
STOP, TURN, and HAZARD Bus Bars
STOP, TURN, and HAZARD Bus Bars
Rear Lamps
G203 - 1 of 4
G203 - 1 of 4
Park/Turn Signal Lamps
Park/Turn Signal Lamps
STOP, TURN, and HAZARD Bus Bars