GM Service Manual Online
For 1990-2009 cars only
Makes
🢒
Cadillac
🢒
2002
🢒
Escalade EXT
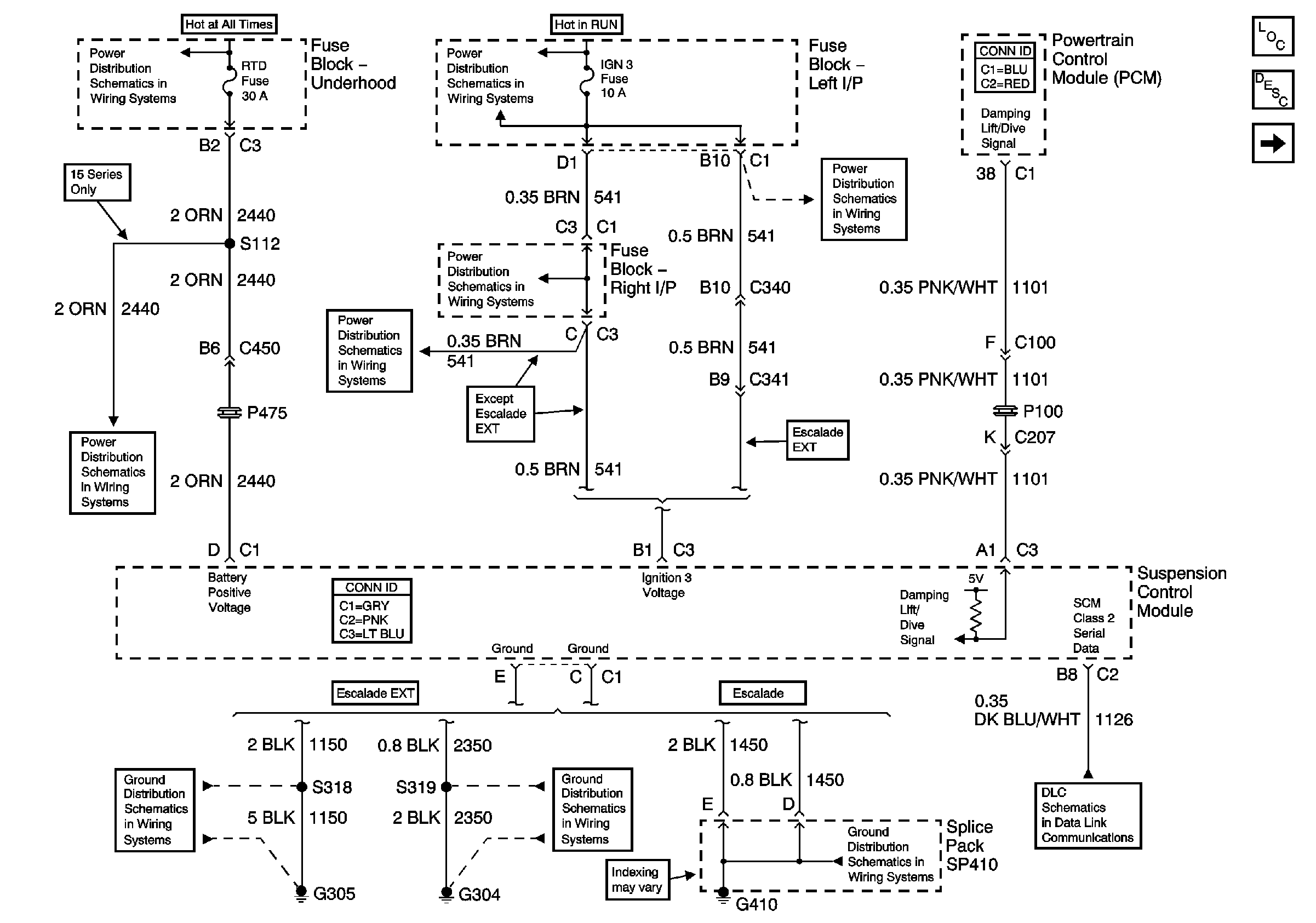
🢒 Power, Ground, Data Link Connector (DLC)
Power, Ground, Data Link Connector (DLC)
Power, Ground, Data Link Connector (DLC)
Master Electrical Component List
Real Time Damping Description and Operation
Steering Wheel Speed/Position Sensor, EVO Solenoid Inputs and Vehicle Speed Signal
RTD, RDO AMP, CRANK, and IGN 0 Fuses
IGN 3 Fuse
Splice Pack SP205
IGN 3 Fuse
IGN 3 Fuse
RTD, RDO AMP, CRANK, and IGN 0 Fuses
G305
G304
G410 2 of 2
IGN 3 Fuse