GM Service Manual Online
For 1990-2009 cars only
Makes
🢒
Cadillac
🢒
2002
🢒
Escalade EXT
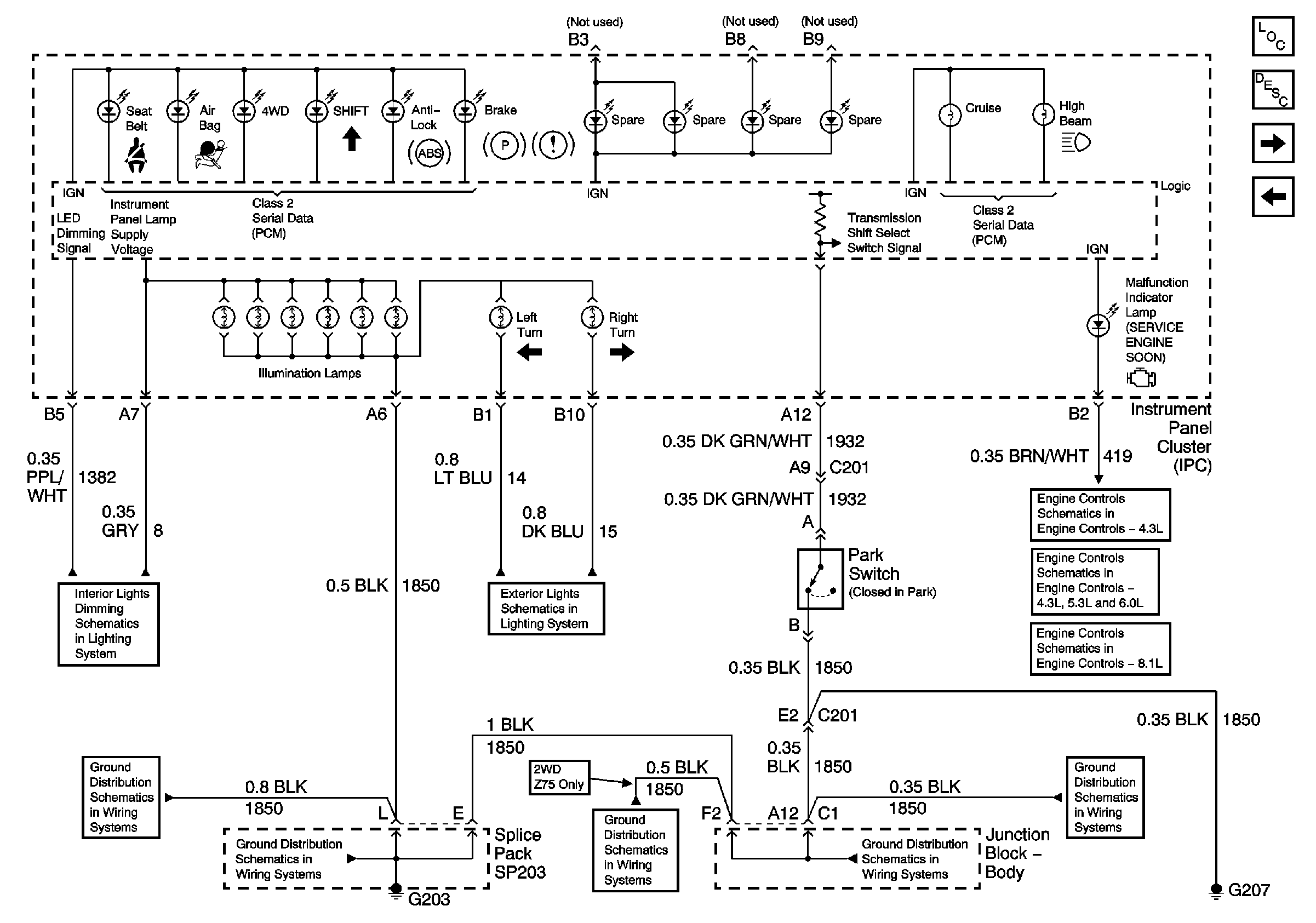
🢒 Indicators and Serial Data
Indicators and Serial Data
Indicators and Serial Data
Master Electrical Component List
Instrument Cluster Description and Operation
Gages, VSS, and Engine Oil Signals
Power and Ground
LED Dimming Control, IPC, Cargo/Fog Lamp Switch and DIC
Park/Turn Signal Lamps
G203 - 1 of 4
G203 - 1 of 4
G203 - 3 of 4
G203 - 3 of 4
Module Power, Ground, Serial Data and MIL
Module Power, Ground, Serial Data and MIL