GM Service Manual Online
For 1990-2009 cars only
Makes
🢒
Cadillac
🢒
2002
🢒
Escalade EXT
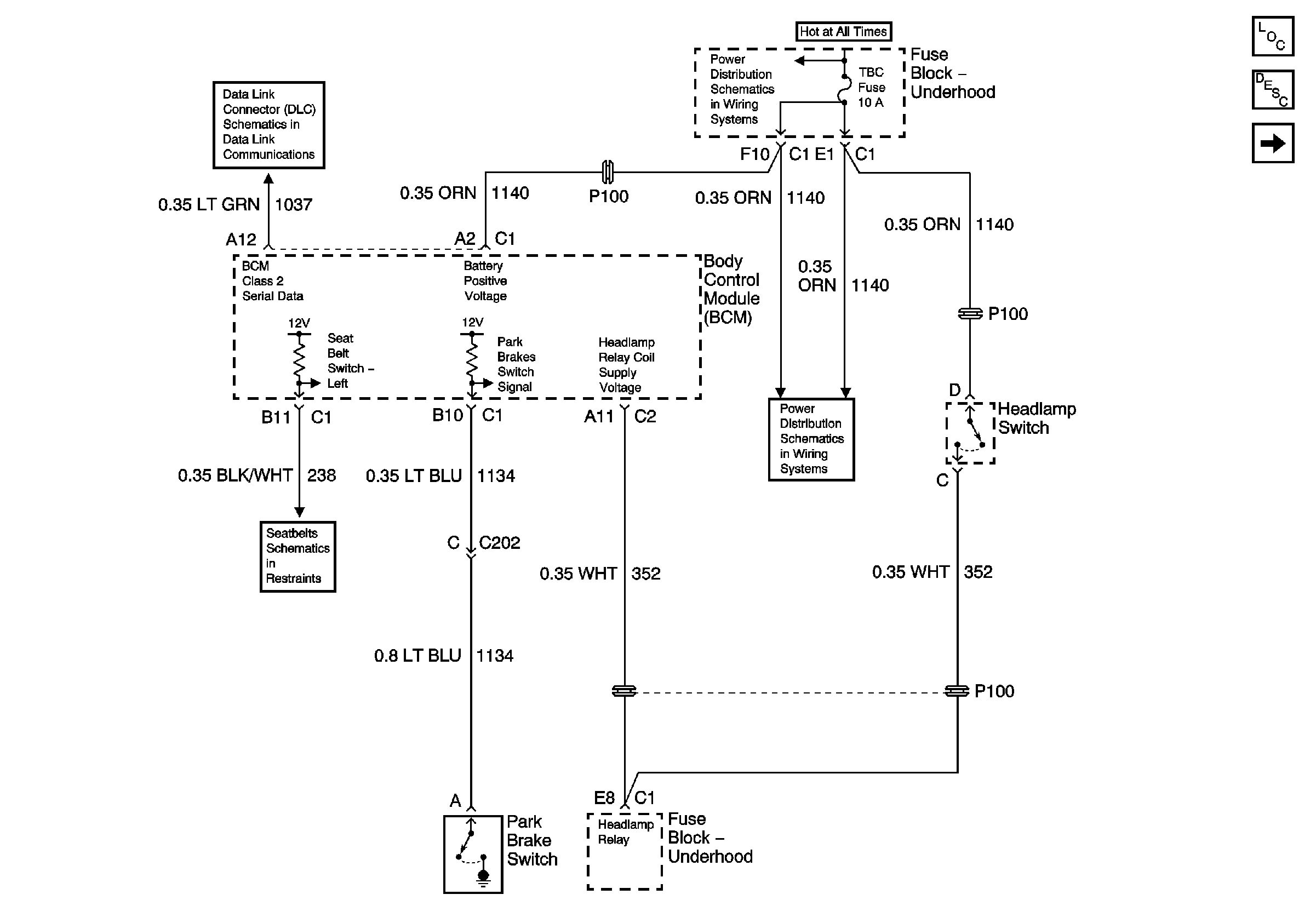
🢒 Headlamps, Seat Belt, and Park Brake Chime
Headlamps, Seat Belt, and Park Brake Chime
Headlamps, Seat Belt, and Park Brake Chime
Master Electrical Component List
Audible Warnings Description and Operation
Key in Ignition and Turn Signal Chime
Splice Pack SP205
TBC, FOG LP, LT HDLP, and RT HDLP Fuses
Seat Belt Switch
TBC, FOG LP, LT HDLP, and RT HDLP Fuses