GM Service Manual Online
For 1990-2009 cars only
Makes
🢒
Cadillac
🢒
2002
🢒
Escalade EXT
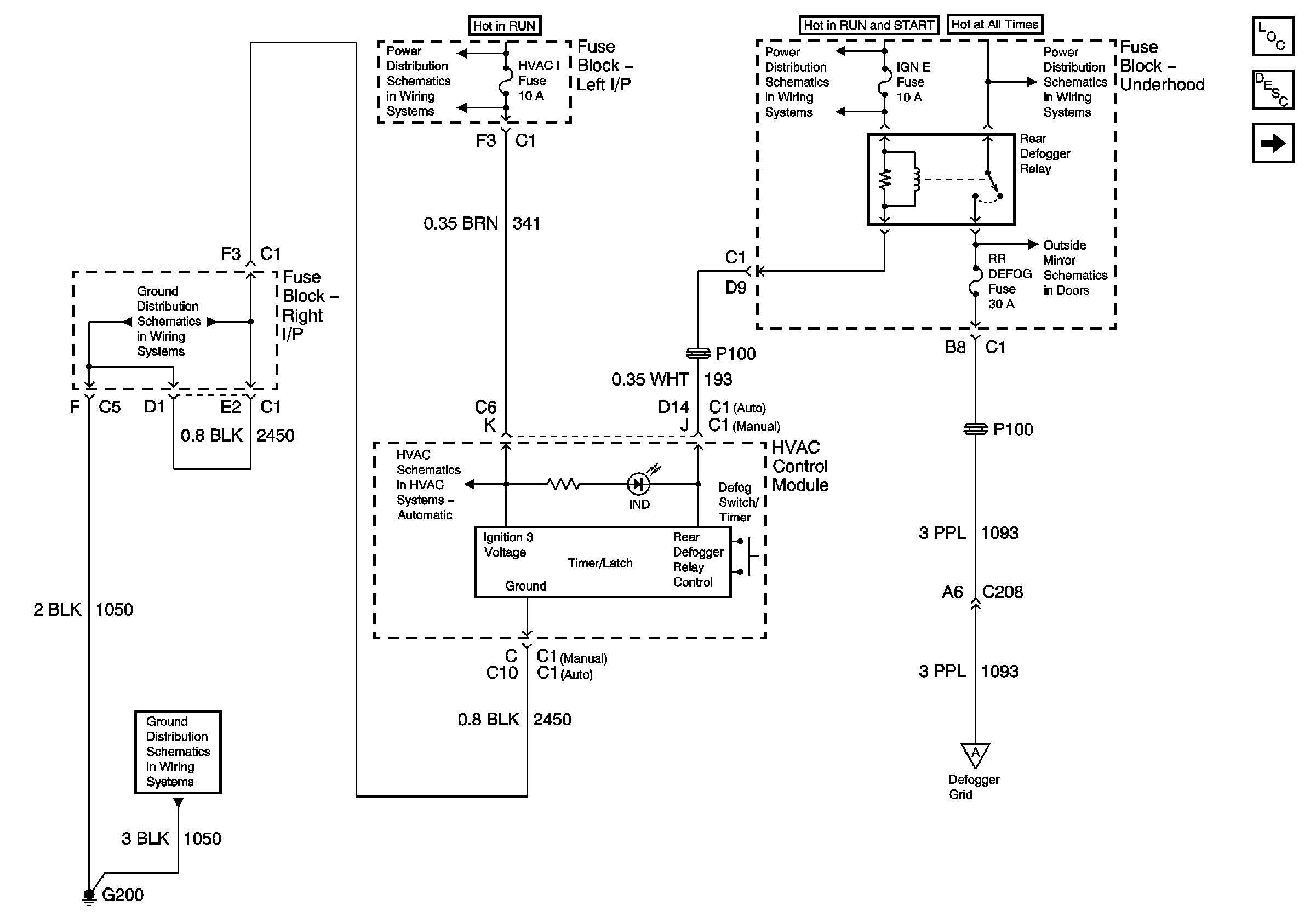
🢒 Rear Window Defogger Control
Rear Window Defogger Control
Rear Window Defogger Control
Master Electrical Component List
Rear Window Defogger Description and Operation
Defogger Grid and Ground
4WD and HVAC I Fuses
O2 B, O2 A, ENG 1, and IGN E Fuses
HTD MIR, RR DEFOG Fuses, and RR DEFOG Relay
G200 - 1 of 2
G200 - 1 of 2
HTD MIR, RR DEFOG Fuses, and RR DEFOG Relay
Defogger Grid and Ground
Primary Air Delivery Controls, HVAC Control Module Power, Ground and Serial Data