GM Service Manual Online
For 1990-2009 cars only
Makes
🢒
Cadillac
🢒
2002
🢒
Escalade EXT
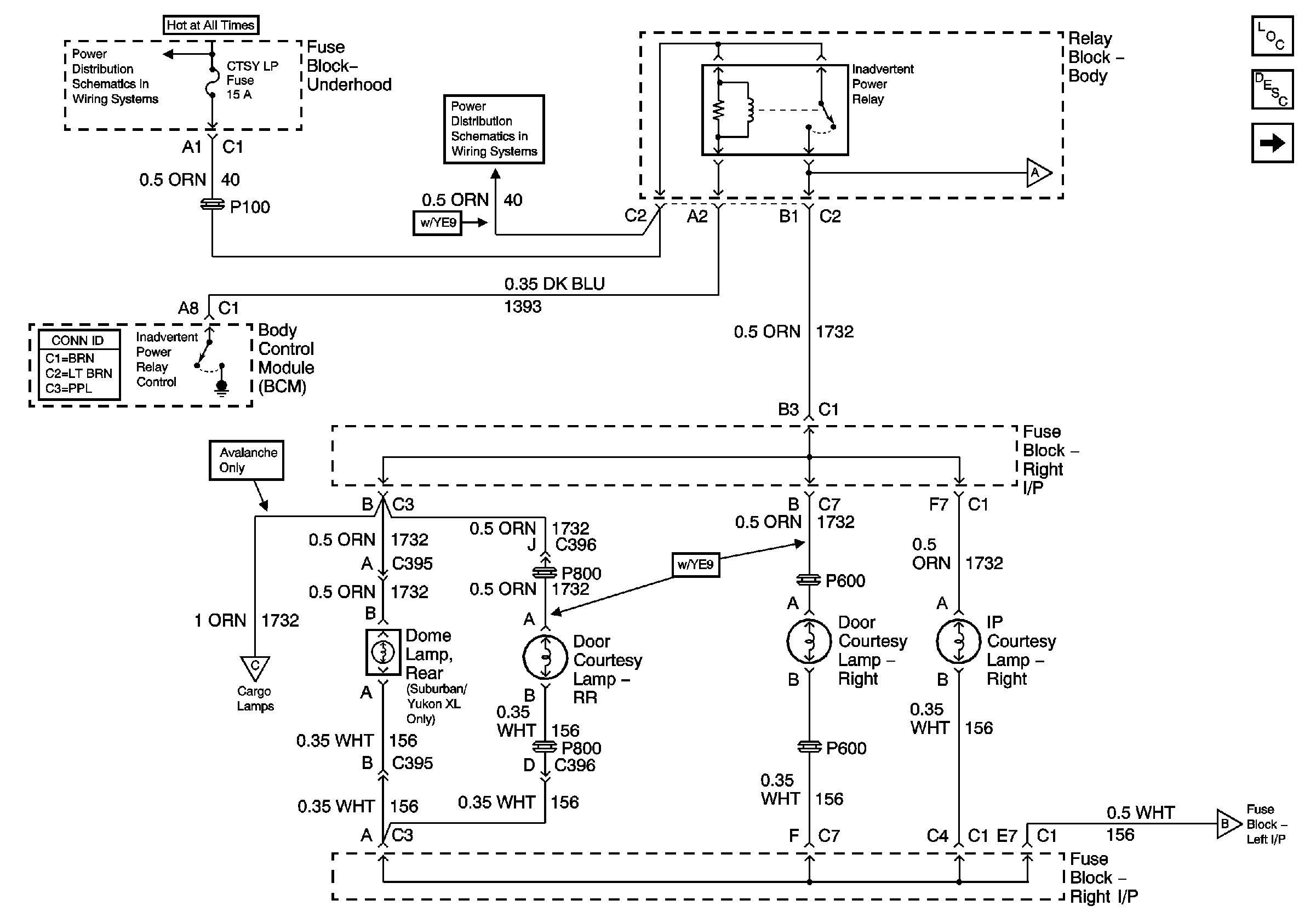
🢒 Courtesy Lamp Control (Uplevel)
Courtesy Lamp Control (Uplevel)
Courtesy Lamp Supply - 1 of 5
Master Electrical Component List
Interior Lighting Systems Description and Operation
Courtesy Lamp Control
ABS, HAZ LP, STUD 1, STUD 2, CTSY LP, and PARK LP Fuses
ABS, HAZ LP, STUD 1, STUD 2, CTSY LP, and PARK LP Fuses
Courtesy Lamp Control
Cargo Lamps and Door Jamb Switch - LF - Uplevel
Courtesy Lamp Control