GM Service Manual Online
For 1990-2009 cars only
Makes
🢒
Cadillac
🢒
2002
🢒
Escalade EXT
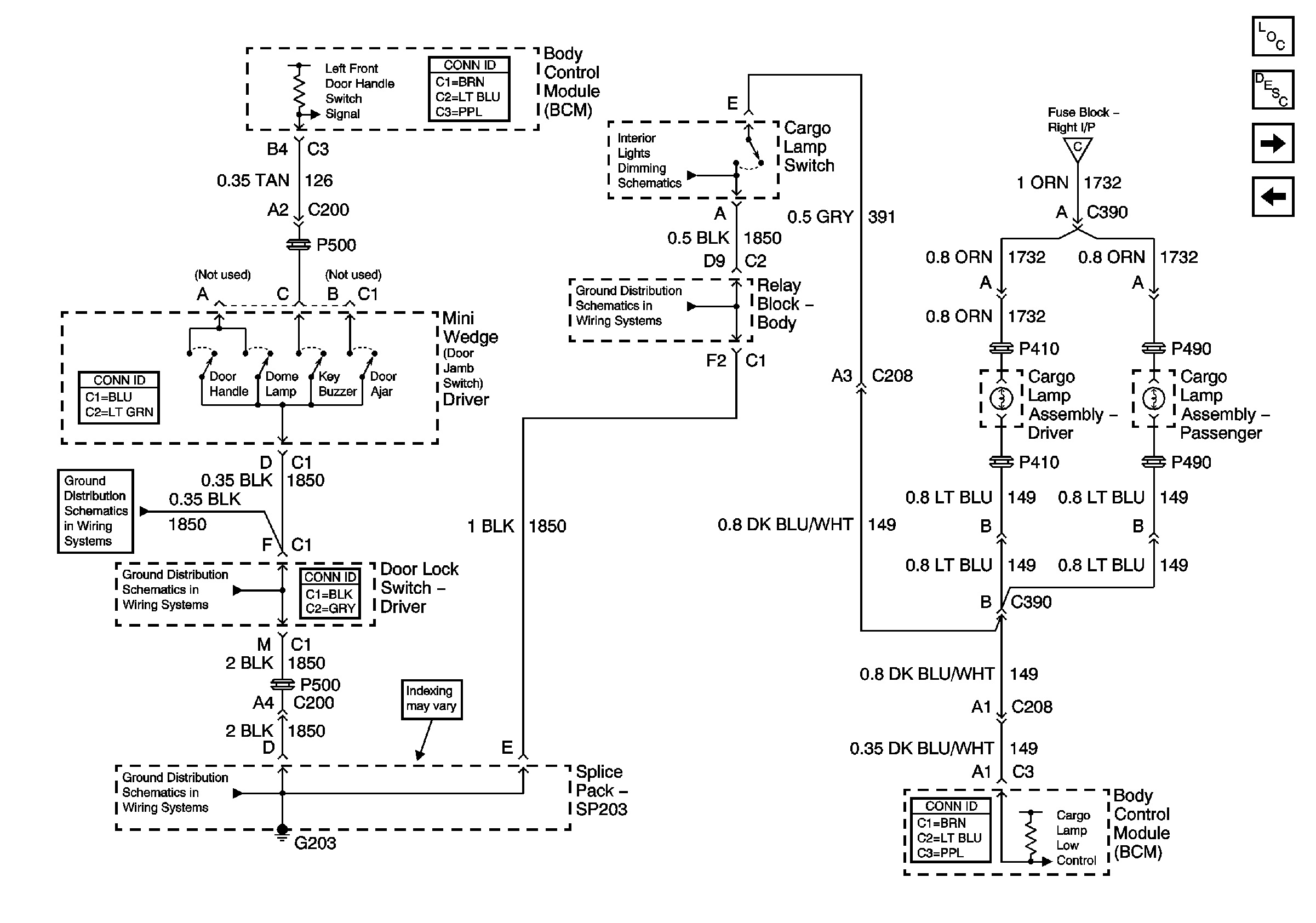
🢒 Cargo Lamps and Door Jamb Switch - LF - Uplevel
Cargo Lamps and Door Jamb Switch - LF - Uplevel
Cargo Lamps and Door Jamb Switch - LF - Uplevel
Master Electrical Component List
Interior Lighting Systems Description and Operation
Door Jamb Switches - RF, LR, RR - Uplevel
Door Jamb Switches, Power Door Lock Switch-Front Passenger
LED Dimming Control, IPC, Cargo/Fog Lamp Switch and DIC
G203 - 3 of 4
Courtesy Lamp Control (Uplevel)
G203 - 2 of 4
G203 - 2 of 4
G203 - 2 of 4