GM Service Manual Online
For 1990-2009 cars only
Makes
🢒
Cadillac
🢒
2002
🢒
Escalade EXT
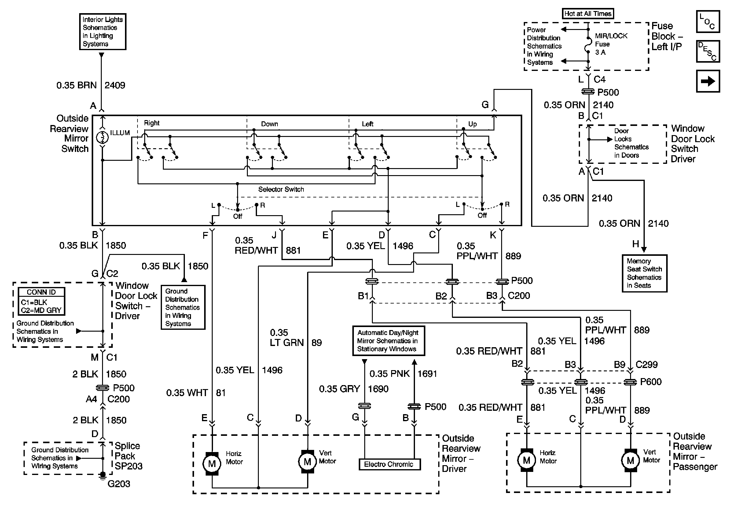
🢒 Outside Rearview Mirror Switch and Motors (Except Z75)
Outside Rearview Mirror Switch and Motors (Except Z75)
Outside Rearview Mirror Switch and Motors-Except Escalade
Master Electrical Component List
Power Windows Description and Operation
Power, Outside Rearview Mirror Switch and Memory Seat Switch (Z75)
Park Lamp Control, INTPRK and PARK LPS Fuse
G203 - 2 of 4
G203 - 2 of 4
G203 - 1 of 4
SEATS Circuit Breaker and MIR/LOCK Fuse
Memory Seat Control - Non Class 2
Inside Rearview Mirror Schematics