GM Service Manual Online
For 1990-2009 cars only
Makes
🢒
Cadillac
🢒
2002
🢒
Escalade EXT
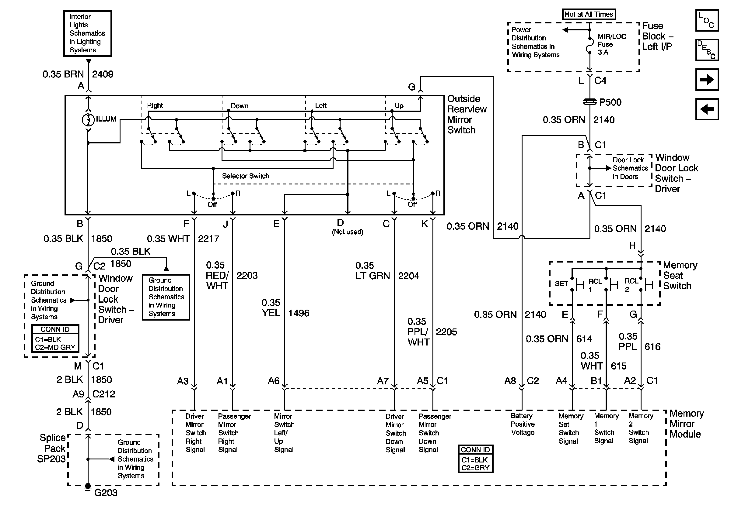
🢒 Power, Outside Rearview Mirror Switch and Memory Seat Switch (Z75)
Power, Outside Rearview Mirror Switch and Memory Seat Switch (Z75)
Power, Outside Rearview Mirror Switch and Memory Seat Switch-Escalade
Master Electrical Component List
Power Windows Description and Operation
Outside Rearview Mirror - Driver and Memory Mirror Module (Z75)
Outside Rearview Mirror Switch and Motors (Except Z75)
Park Lamp Control, INTPRK and PARK LPS Fuse
SEATS Circuit Breaker and MIR/LOCK Fuse
G203 - 2 of 4
G203 - 2 of 4
G203 - 1 of 4
Power, Ground, and Switches