GM Service Manual Online
For 1990-2009 cars only
Makes
🢒
Cadillac
🢒
2002
🢒
Escalade EXT
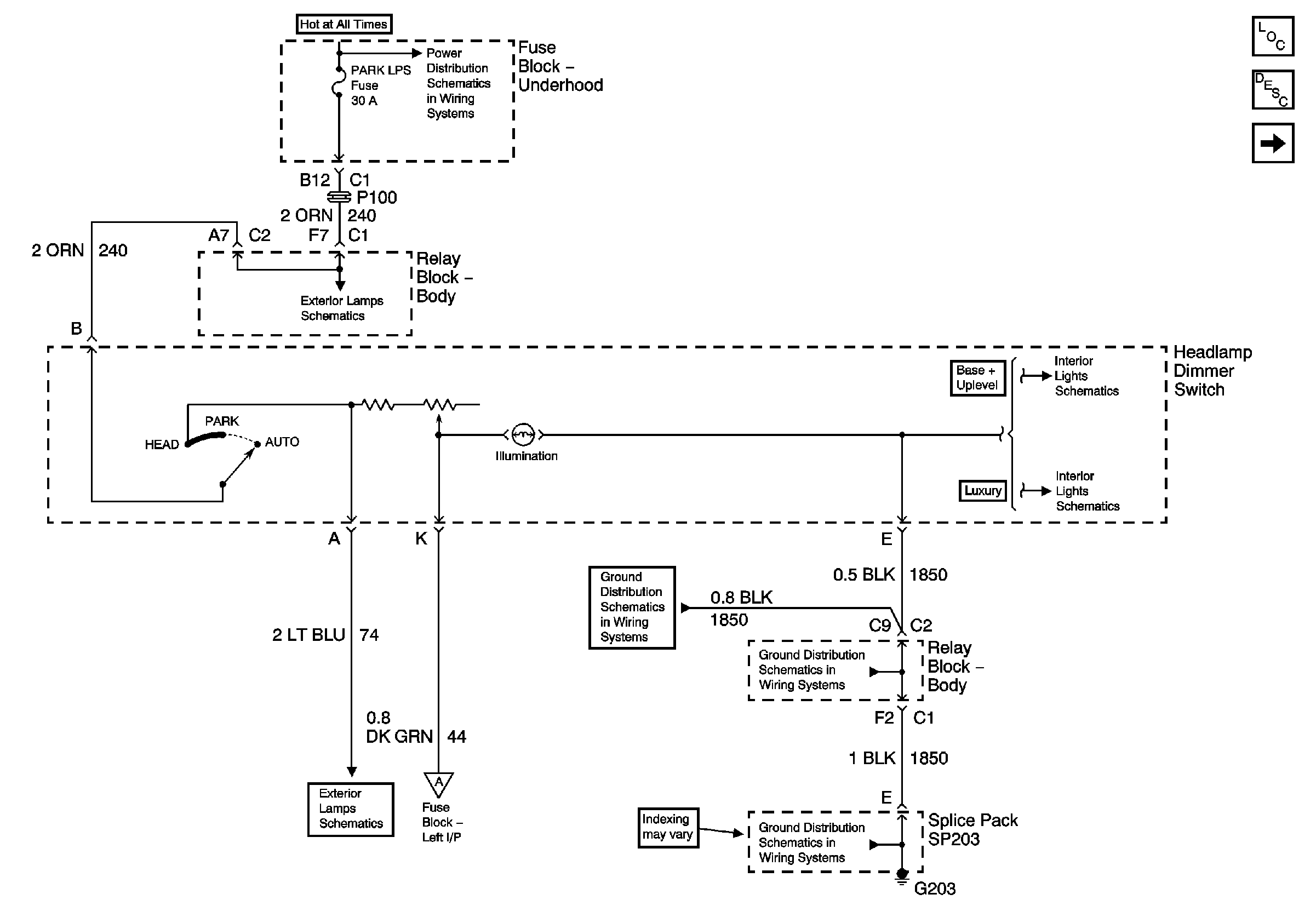
🢒 Power, Ground and Dimming Control
Power, Ground and Dimming Control
Power, Ground and Dimming Control
Master Electrical Component List
Interior Lighting Systems Description and Operation
LED Dimming Control, IPC, Cargo/Fog Lamp Switch and DIC
ABS, HAZ LP, STUD 1, STUD 2, CTSY LP, and PARK LP Fuses
Park Lamp Control
G203 - 3 of 4
G203 - 3 of 4
G203 - 1 of 4
Park Lamp Control
LED Dimming Control, IPC, Cargo/Fog Lamp Switch and DIC