GM Service Manual Online
For 1990-2009 cars only
Makes
🢒
Cadillac
🢒
2002
🢒
Escalade EXT
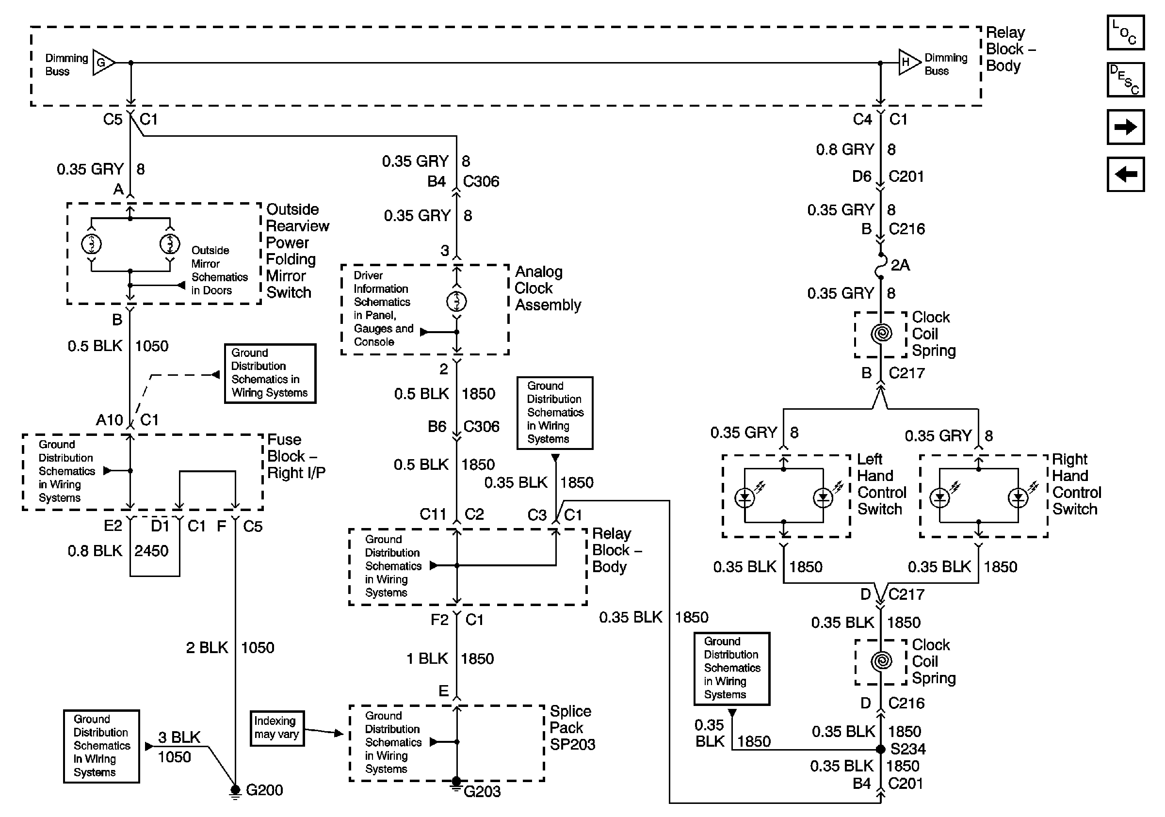
🢒 Power Folding Mirror Switch, Analog Clock and Steering Wheel Controls
Power Folding Mirror Switch, Analog Clock and Steering Wheel Controls
Power Folding Mirror Switch, Analog Clock and Steering Wheel Controls
Master Electrical Component List
Interior Lighting Systems Description and Operation
Roof Beacon Switch
Transfer Case Shift Control Switch and Traction Assist Switch
Transfer Case Shift Control Switch and Traction Assist Switch
Roof Beacon Switch
Outside Rearview Mirror - Passenger and Outside Rearview Power Folding Mirror Switch (Z75)
Analog Clock (Z75 Only)
G200 - 2 of 2
G200 - 2 of 2
G200 - 1 of 2
G203 - 3 of 4
G203 - 3 of 4
G203 - 1 of 4
G203 - 3 of 4