GM Service Manual Online
For 1990-2009 cars only
Makes
🢒
Cadillac
🢒
2002
🢒
Escalade EXT
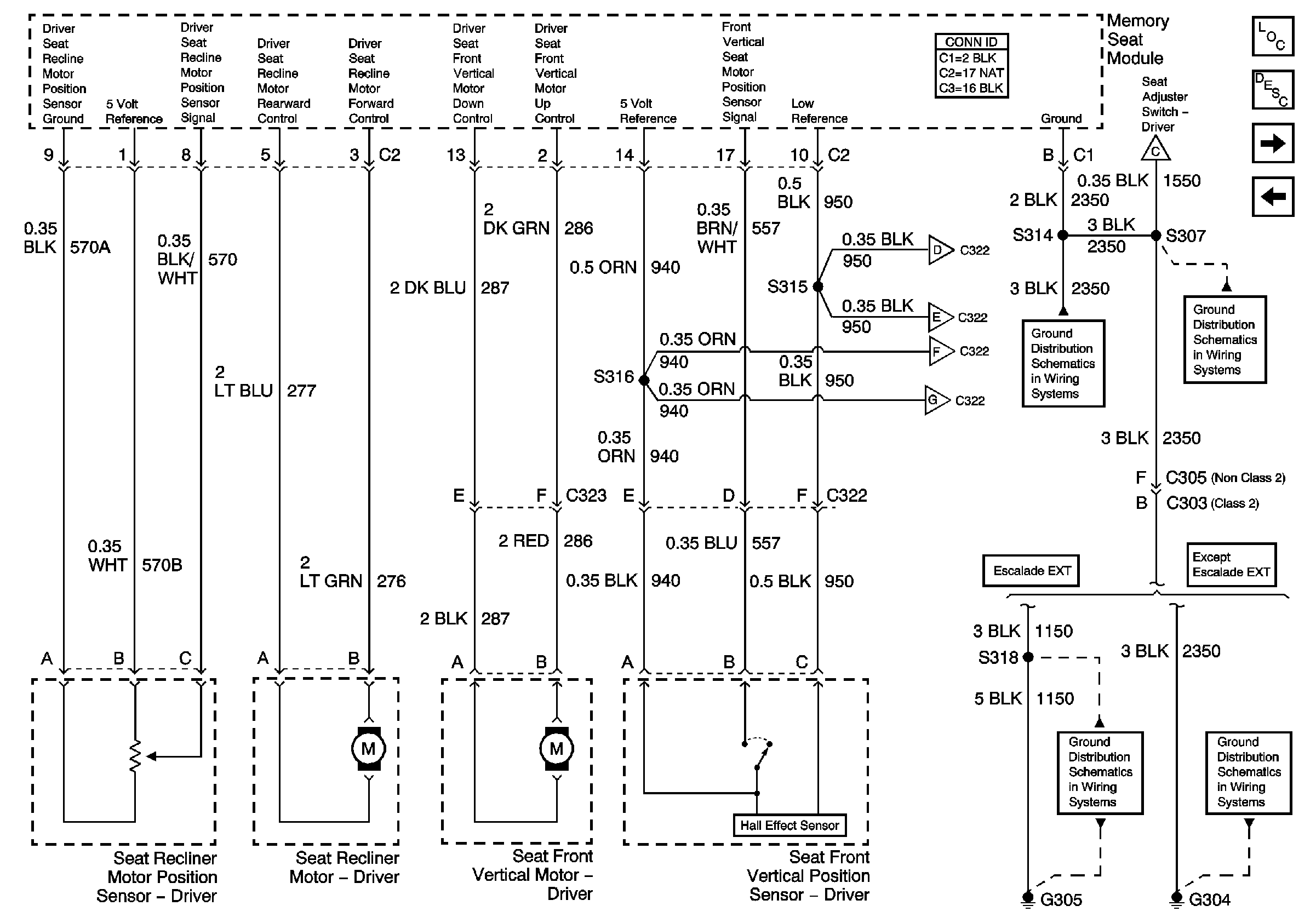
🢒 Memory Seat Module, Recliner Motor, Seat Front Vertical Motor, Ground
Memory Seat Module, Recliner Motor, Seat Front Vertical Motor, Ground
Memory Seat Module, Recliner Motor, Seat Front Vertical Motor, Ground
Master Electrical Component List
Memory Seats Description and Operation Escalade
Memory Seat Module, Seat Rear Vertical Motor, Seat Horizontal Motor
Seat Switch Inputs
Seat Switch Inputs
Memory Seat Module, Seat Rear Vertical Motor, Seat Horizontal Motor
Memory Seat Module, Seat Rear Vertical Motor, Seat Horizontal Motor
Memory Seat Module, Seat Rear Vertical Motor, Seat Horizontal Motor
Memory Seat Module, Seat Rear Vertical Motor, Seat Horizontal Motor
G304
G304
G305
G304