GM Service Manual Online
For 1990-2009 cars only
Makes
🢒
Cadillac
🢒
2002
🢒
Escalade EXT
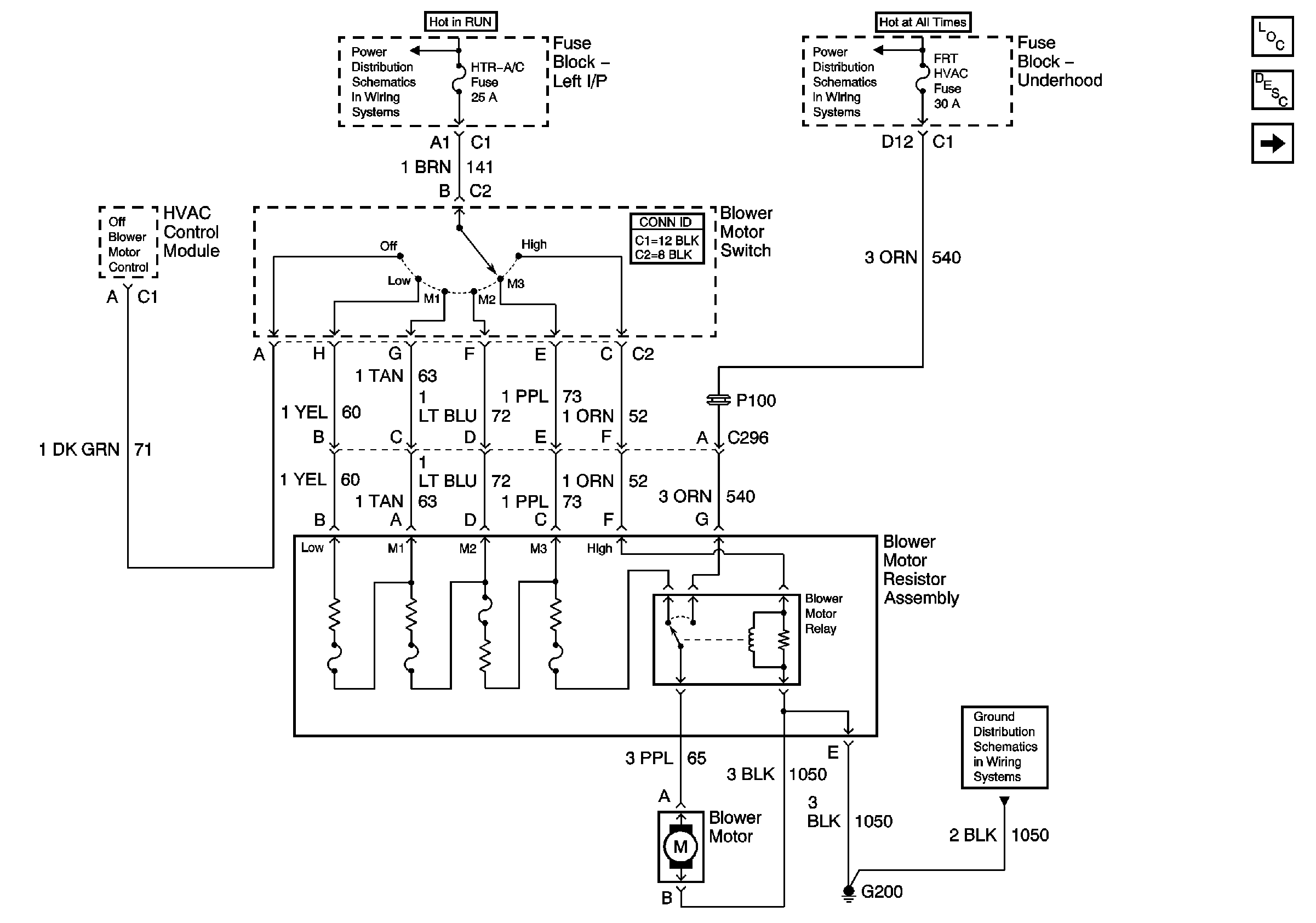
🢒 Blower Controls - Primary
Blower Controls - Primary
Blower Controls - Primary
Master Electrical Component List
Air Delivery Description and Operation
A/C Compressor Controls
Air Delivery Controls - Primary, Recirculation Actuator
IGNITION, RUN, ACCESSORY, and RAP Bus Bars - RAP #1 and RAP #2 Fuses
B+ Bus Bar
G200 - 1 of 2