GM Service Manual Online
For 1990-2009 cars only
Makes
🢒
Cadillac
🢒
2002
🢒
Escalade EXT
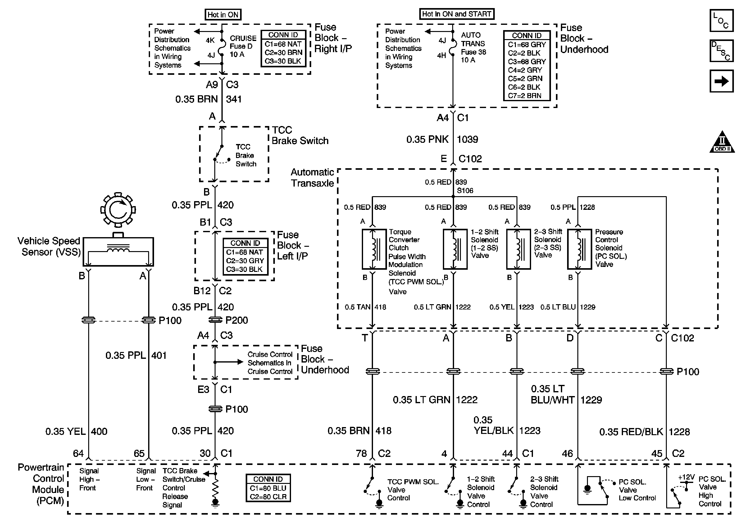
🢒 Shift Solenoids
Shift Solenoids
Shift Soleniods
Master Electrical Component List
Automatic Transmission Electrical Connector Description
Transmission Switches
OBDII Symbol Description Notice
CRUISE SW, CRUISE, SUNROOF, and HVAC BLOWER Fuses
IGN MOD, B/U LMP, PCM IGN, INJR, A/C BFC, AUTO TRANS, ABS IGN Fuses
Brake Switch and Inhibit Signals