GM Service Manual Online
For 1990-2009 cars only
Makes
🢒
Cadillac
🢒
2002
🢒
Escalade EXT
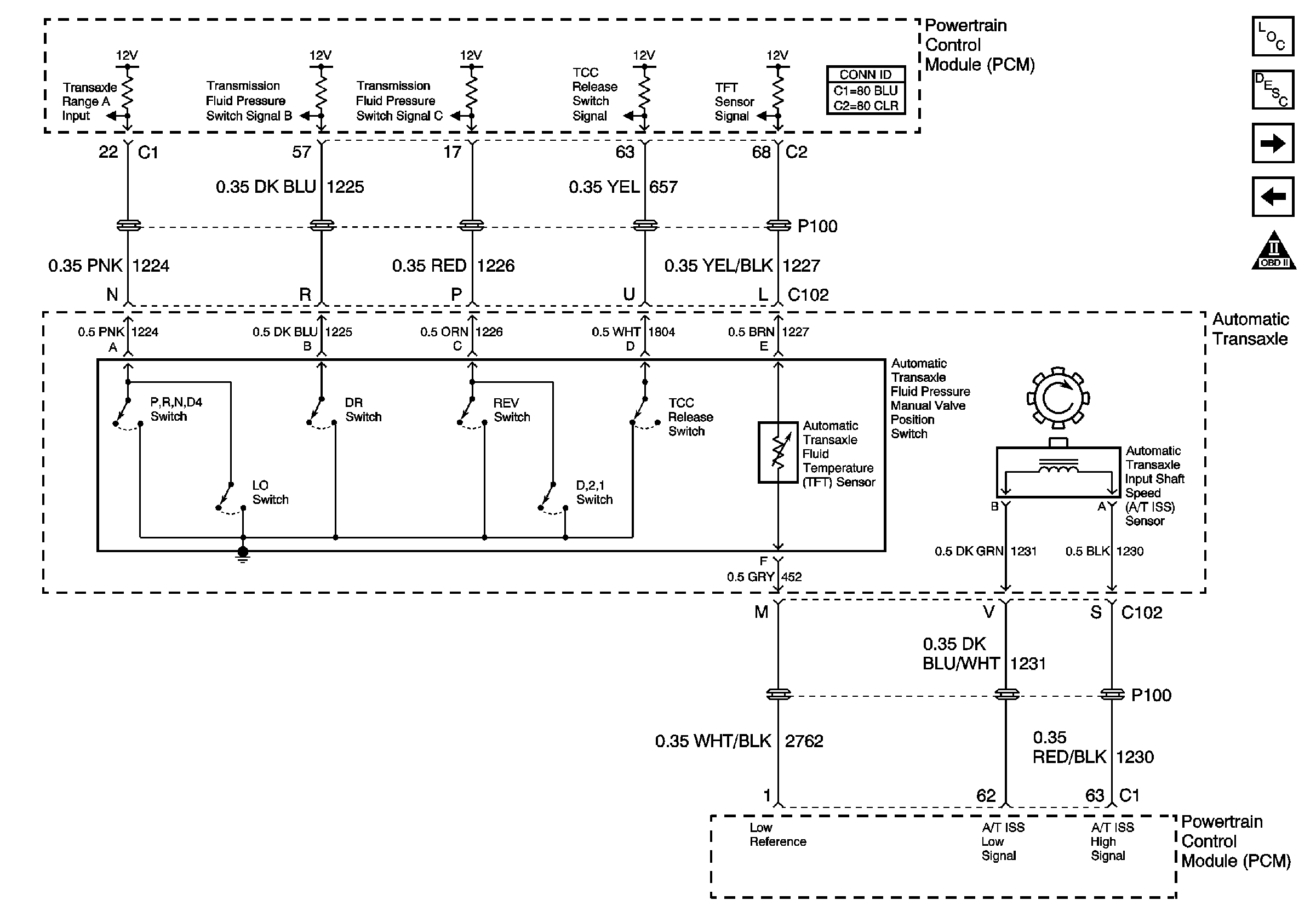
🢒 Transmission Switches
Transmission Switches
Transmission Switches
Master Electrical Component List
Automatic Transmission Electrical Connector Description
Shift Solenoids
OBDII Symbol Description Notice
Park Neutral Position (PNP) Switch