GM Service Manual Online
For 1990-2009 cars only
Makes
🢒
Cadillac
🢒
2002
🢒
Escalade EXT
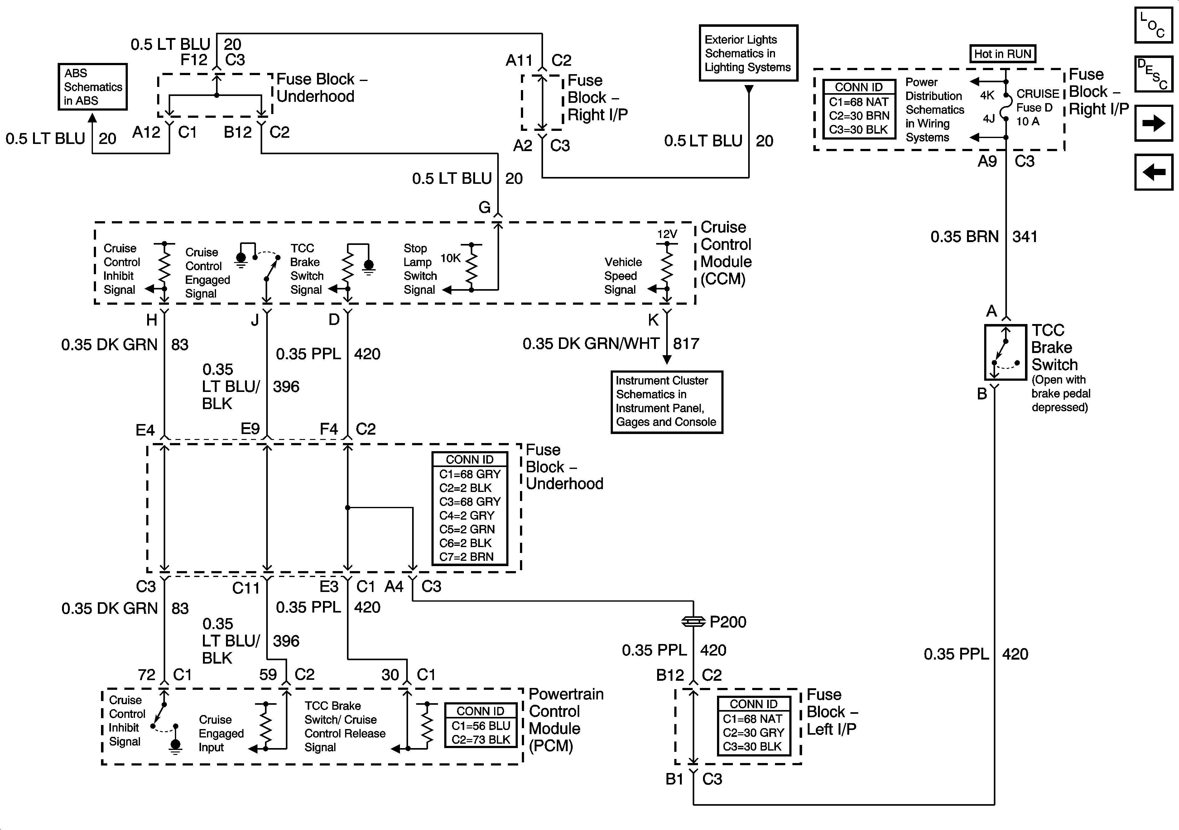
🢒 Brake Switch and Inhibit Signals
Brake Switch and Inhibit Signals
Brake Switch and Inhibit Signals
Master Electrical Component List
Cruise Control Description and Operation
Power, Ground and Switch
EBCM, PWR, GND, and BPMV
Tail and Stoplights
CRUISE SW, CRUISE, SUNROOF, and HVAC BLOWER Fuses
Power and Grounds
Cruise Control Indicator