GM Service Manual Online
For 1990-2009 cars only
Makes
🢒
Cadillac
🢒
2002
🢒
Escalade EXT
🢒 Driver Controls
Driver Controls
Driver Controls
Master Electrical Component List
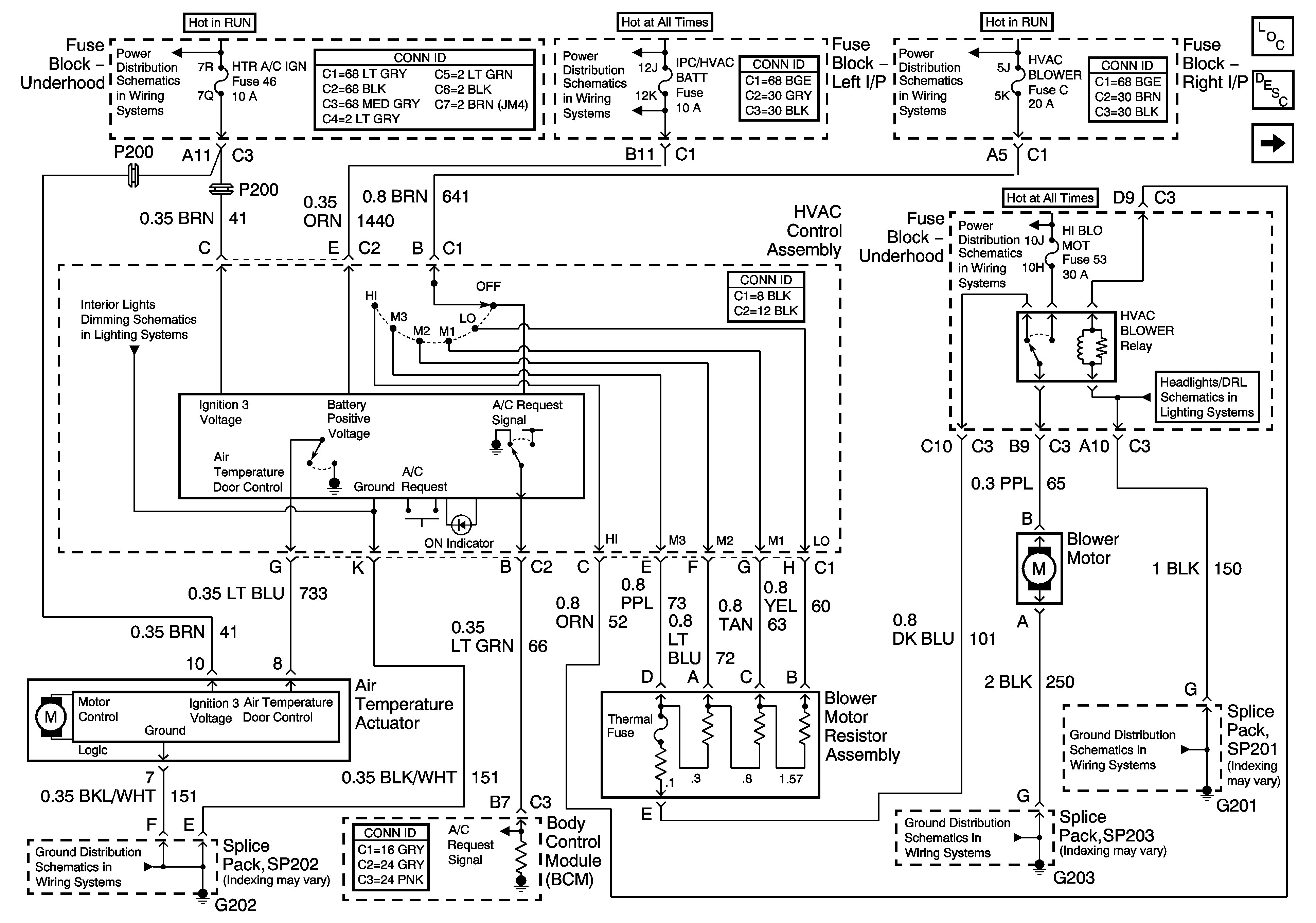
Air Temperature Description and Operation
A/C Compressor Controls
HTR A/C IGN and CRLS Fuses
LH BFC BATT 2, STOP LPS, HAZARD LPS, IPC/HVAC BATT, BFC BATT Fuses
CRUISE SW, CRUISE, SUNROOF, and HVAC BLOWER Fuses
Panel Dimming
SP202
SP203
SP201
DRL (ALC Relay)