GM Service Manual Online
For 1990-2009 cars only
Makes
🢒
Cadillac
🢒
2002
🢒
Escalade EXT
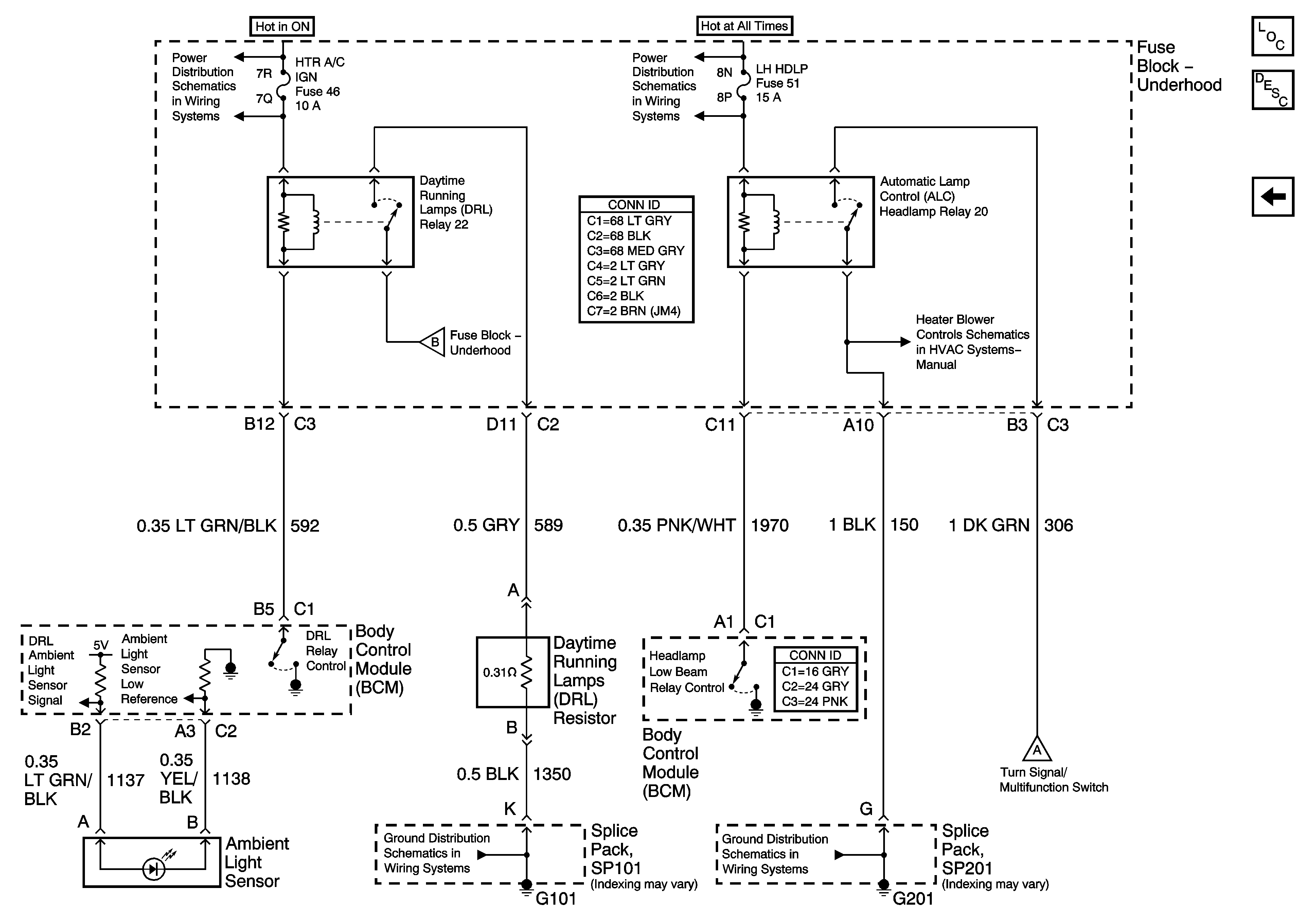
🢒 DRL (ALC Relay)
DRL (ALC Relay)
DRL -- ALC Relay
Master Electrical Component List
Exterior Lighting Systems Description and Operation
Headlights
Headlights
Driver Controls
RH HDLP, LH HDLP, and GEN BATT Fuses
SP201
SP101
Headlights
HTR A/C IGN and CRLS Fuses