GM Service Manual Online
For 1990-2009 cars only
Makes
🢒
Cadillac
🢒
2002
🢒
Escalade EXT
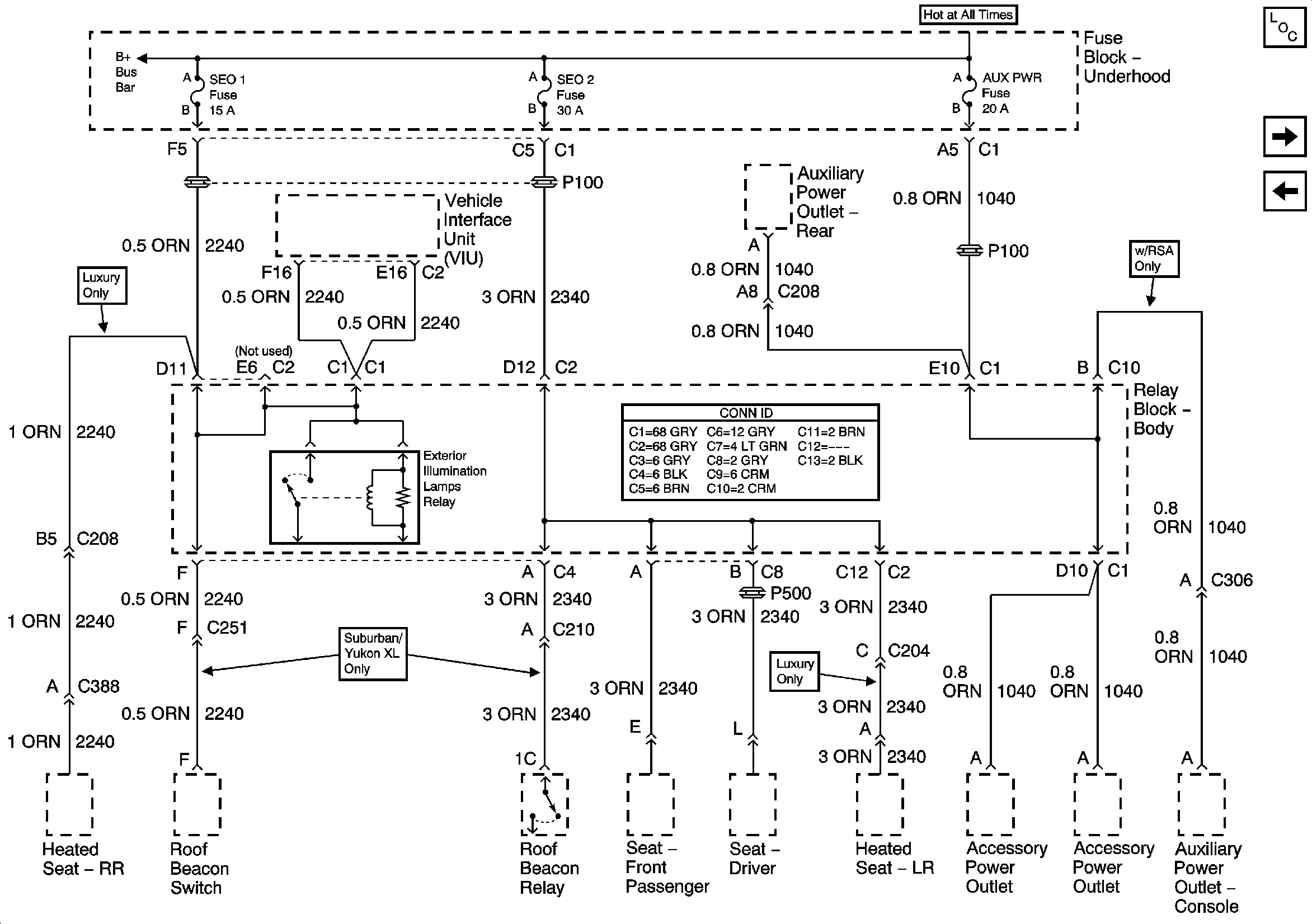
🢒 SEO 1, SEO 2, and AUX PWR Fuses
SEO 1, SEO 2, and AUX PWR Fuses
SEO 1, SEO 2, and AUX PWR Fuses
Master Electrical Component List
RR HVAC, EXP LPS, ATC, and RR WPR B Fuses
O2 B, O2 A, ENG 1, and IGN E Fuses
B+ Bus Bar