GM Service Manual Online
For 1990-2009 cars only
Makes
🢒
Cadillac
🢒
2002
🢒
Escalade EXT
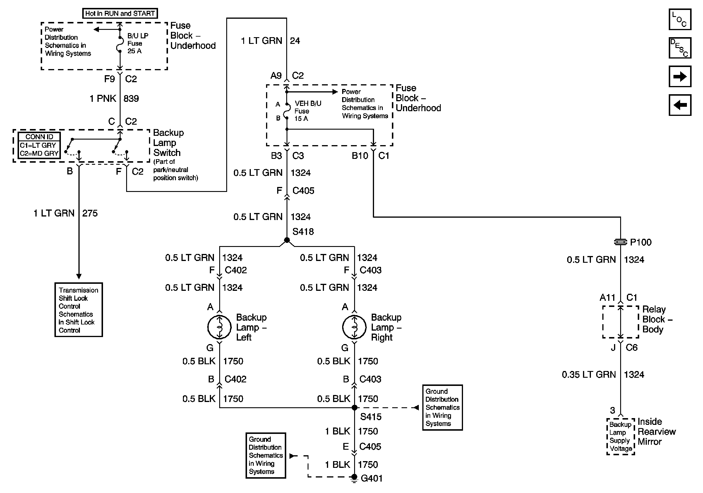
🢒 Backup Lamps
Backup Lamps
Backup Lamps
Master Electrical Component List
Exterior Lighting Systems Description and Operation
Exterior Illumination Control
License, Turn Signal, Tail/Stop Lamps
B/U LP, BTSI, VEH B/U - 1 of 2, and TRL B/U Fuses
B/U LP, BTSI, VEH B/U - 1 of 2, and TRL B/U Fuses
2002 Shift Lock Control
G401 - Avalanche Built Before July, 16 2001 and 4WD Escalade
G401 - Avalanche Built Before July, 16 2001 and 4WD Escalade