GM Service Manual Online
For 1990-2009 cars only
Makes
🢒
Cadillac
🢒
2002
🢒
Escalade EXT
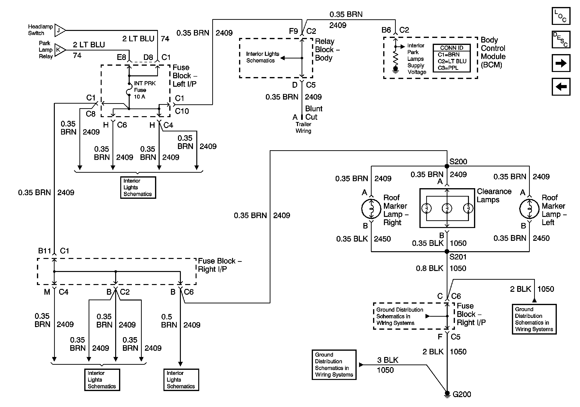
🢒 Park Lamp Supply and Clearance Lamps
Park Lamp Supply and Clearance Lamps
Park Lamp Supply and Clearance Lamps
Master Electrical Component List
Exterior Lighting Systems Description and Operation
CHMSL Control
Park Lamp Control
Park Lamp Control
Park Lamp Control
Parklamp Control, INT PRK and PARK LPS Fuses
Interior Parklamp Supply - 2 of 3
Interior Parklamp Supply - 3 of 3
Interior Parklamp Supply - 3 of 3
G200 - 1 of 2
G200 - 1 of 2
G200 - 1 of 2