GM Service Manual Online
For 1990-2009 cars only
Makes
🢒
Cadillac
🢒
2002
🢒
Escalade EXT
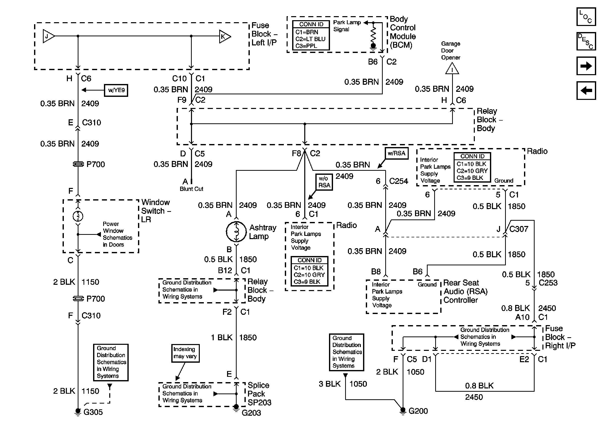
🢒 Interior Parklamp Supply - 2 of 3
Interior Parklamp Supply - 2 of 3
Interior Parklamp Supply - 2 of 3
Master Electrical Component List
Interior Lighting Systems Description and Operation
Interior Parklamp Supply - 3 of 3
Parklamp Control, INT PRK and PARK LPS Fuses
Parklamp Control, INT PRK and PARK LPS Fuses
Interior Parklamp Supply - 3 of 3
I/P Compartment, Underhood and Map Lamps
Window Switches and Motor-LR
G305
G203 - 3 of 4
G203 - 1 of 4
G200 - 1 of 2
G200 - 1 of 2