GM Service Manual Online
For 1990-2009 cars only
Figure 1:

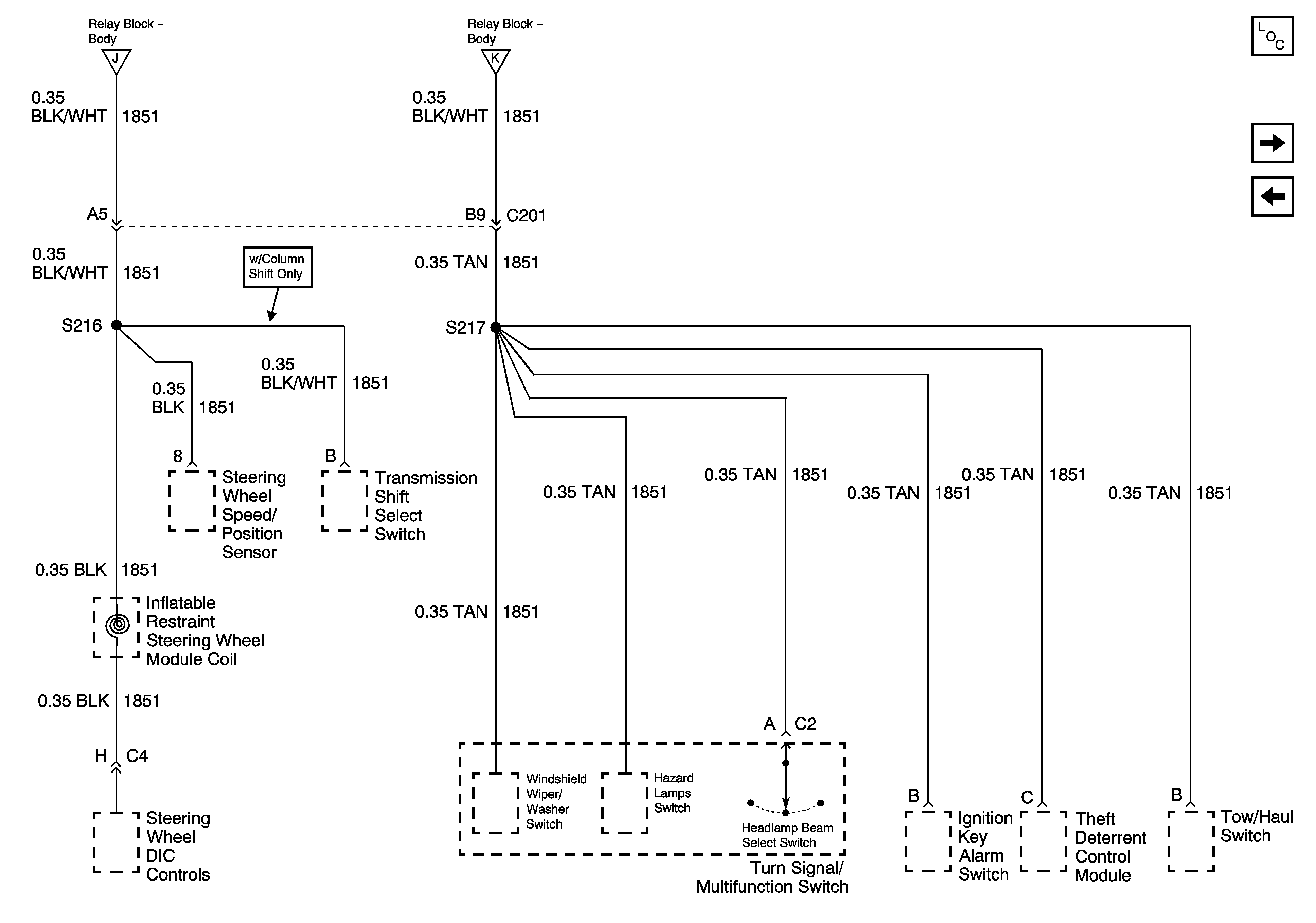
G100, G101, G105, G106


Object Number: 831763  Size: FS
Master Electrical Component List
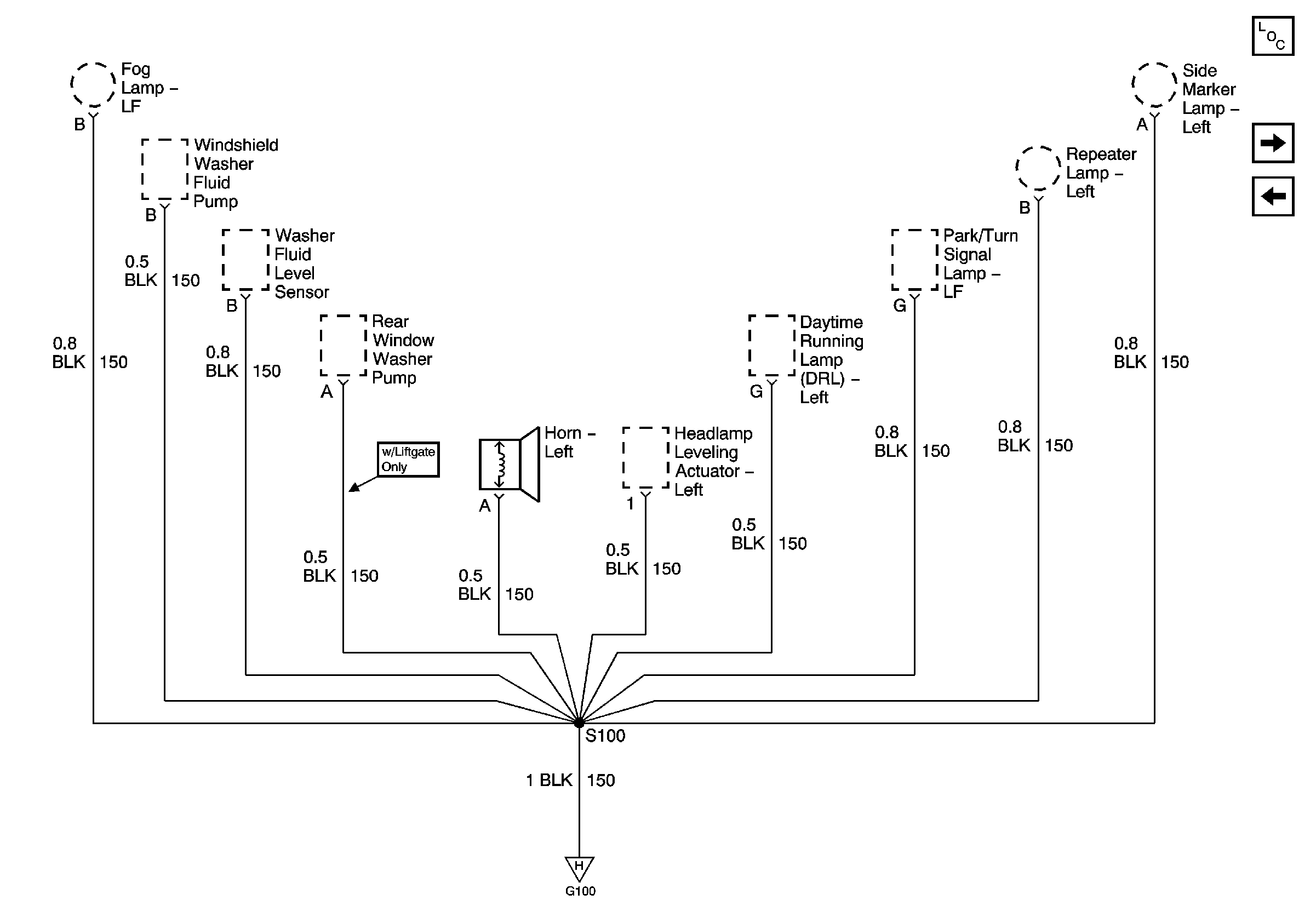
S100 - Export
S101 - Export
Figure 2:

S100 - Export


Object Number: 834195  Size: FS
Master Electrical Component List
S101 - Export
G100, G101, G105, G106
G100, G101, G105, G106
Figure 3:

S101 - Export


Object Number: 834197  Size: FS
Master Electrical Component List
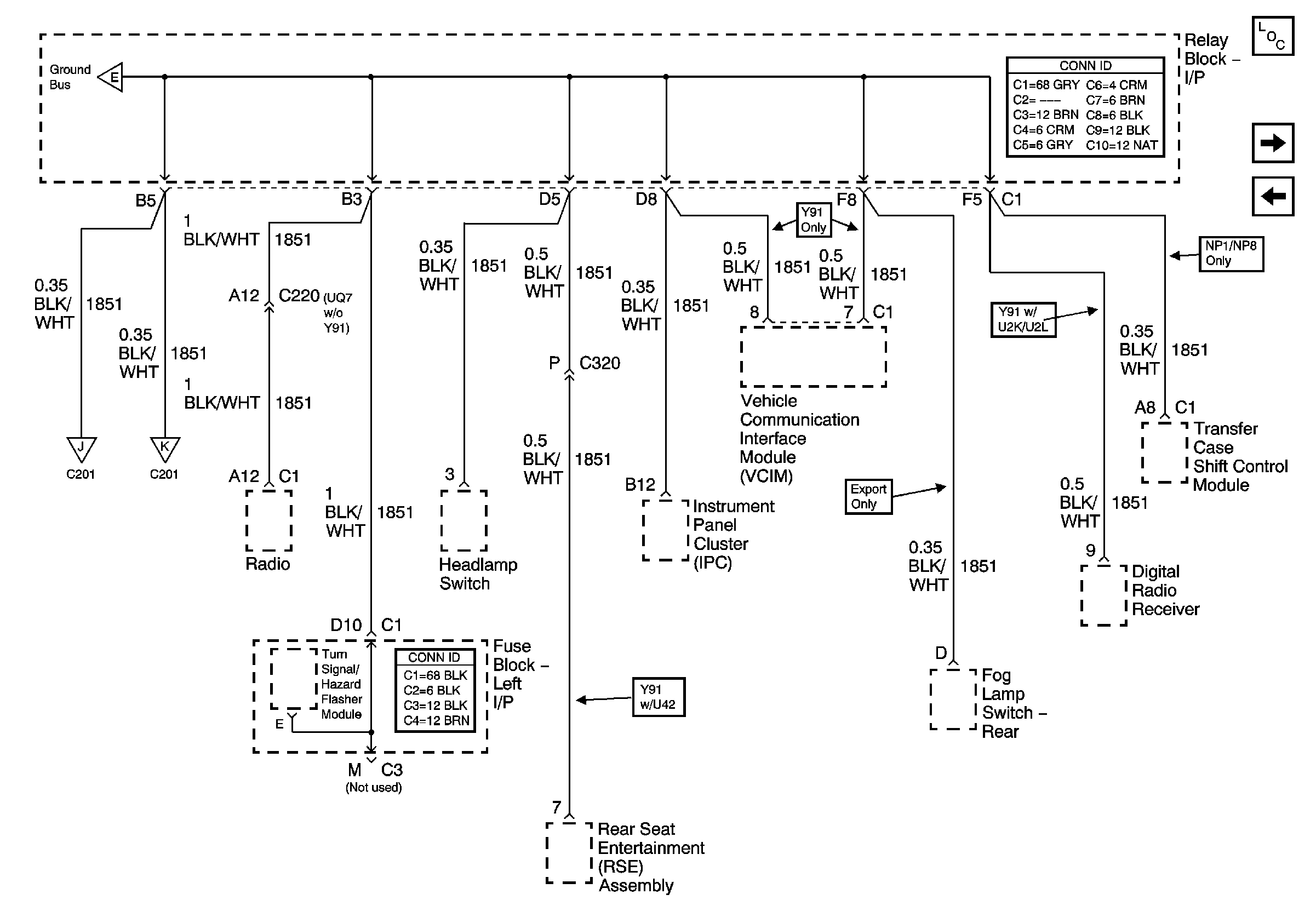
G102, G103
S100 - Export
G100, G101, G105, G106
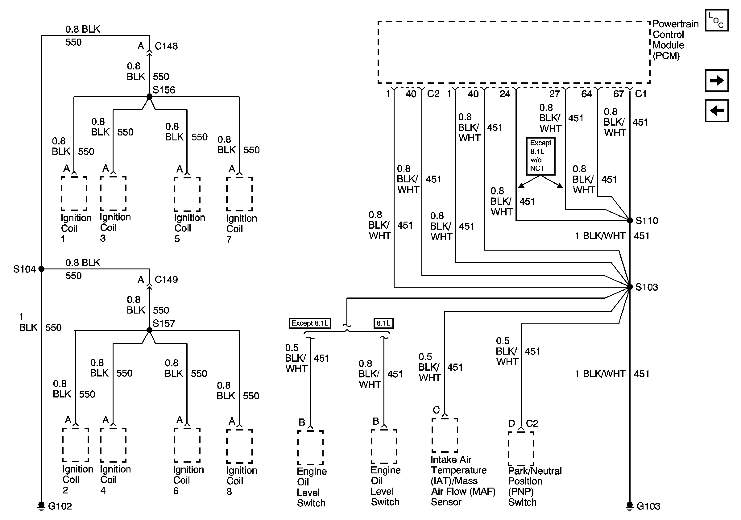
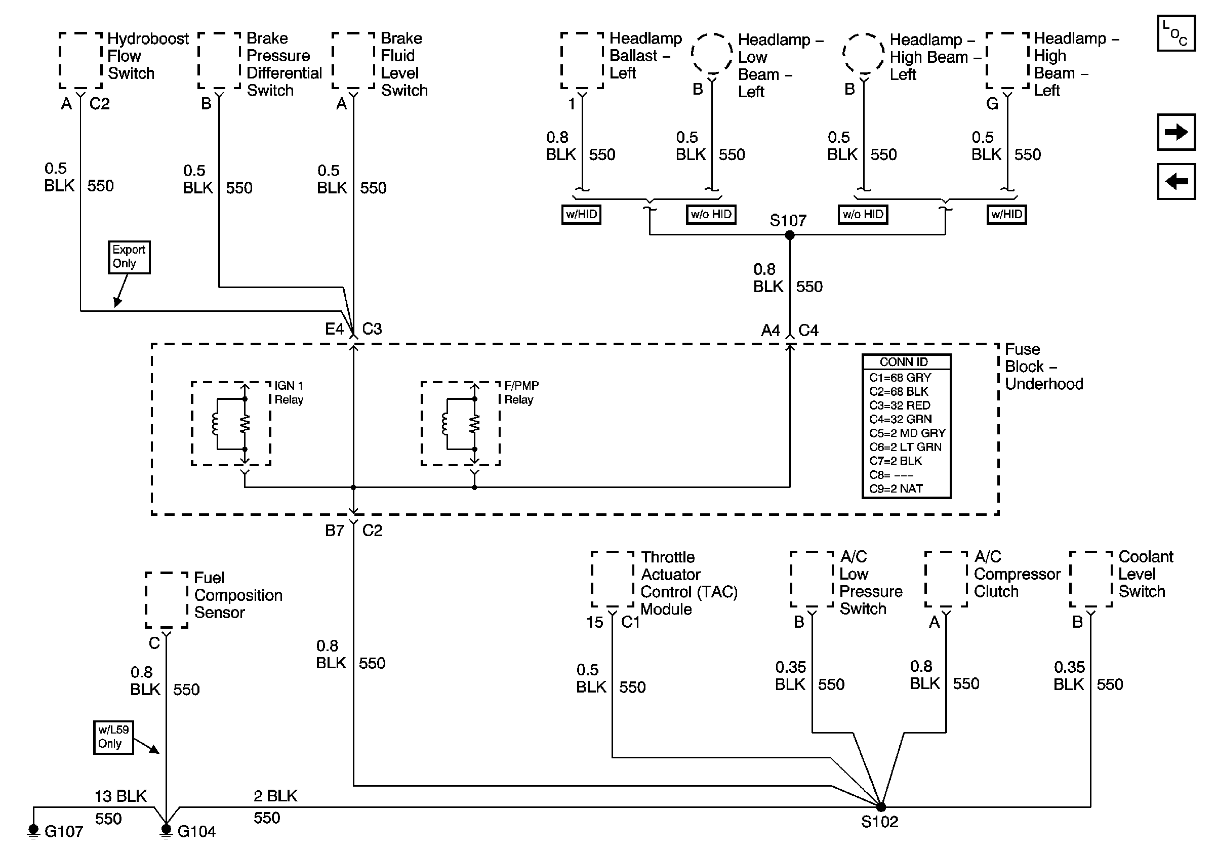
Figure 4:

G102, G103


Object Number: 831765  Size: FS
Master Electrical Component List
G104, G107
Ignition Controls - Ignition System Coils 1, 3, 5, and 7
Figure 5:

G104, G107


Object Number: 831766  Size: FS
Master Electrical Component List
G110
G102, G103
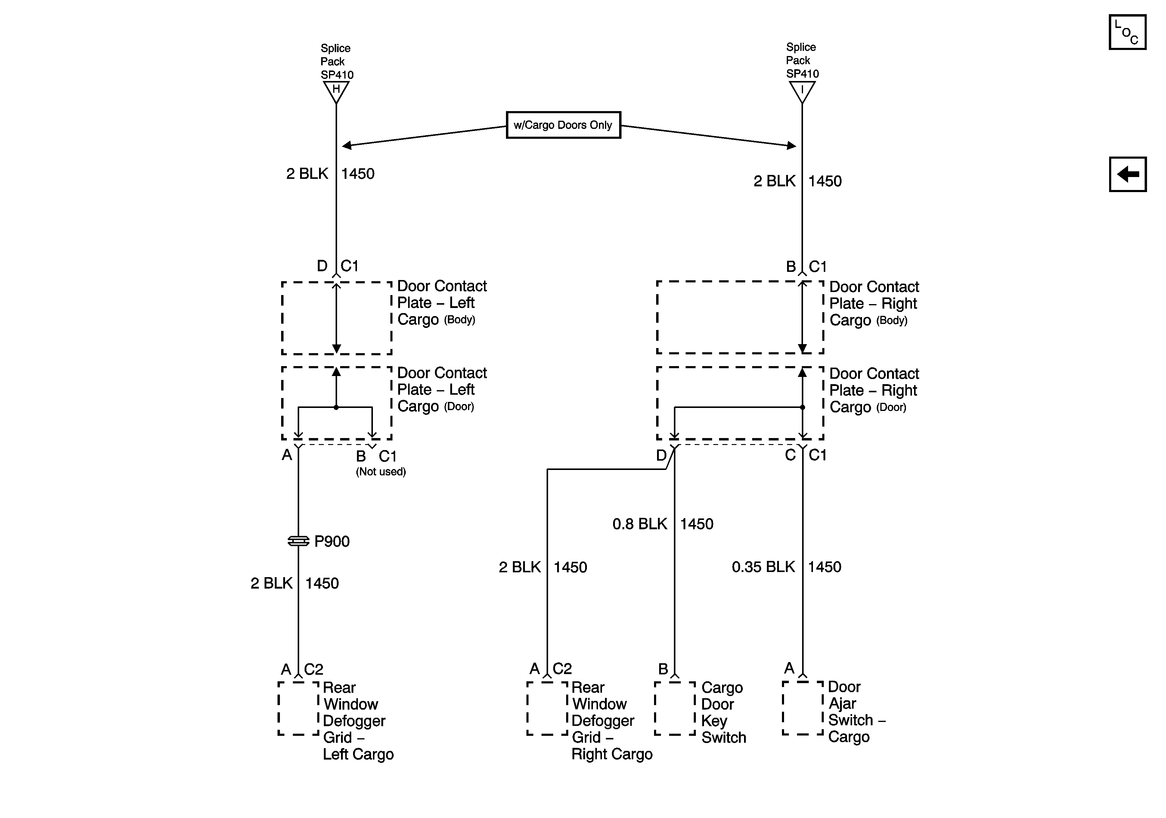
Figure 6:

G110


Object Number: 834116  Size: FS
Master Electrical Component List
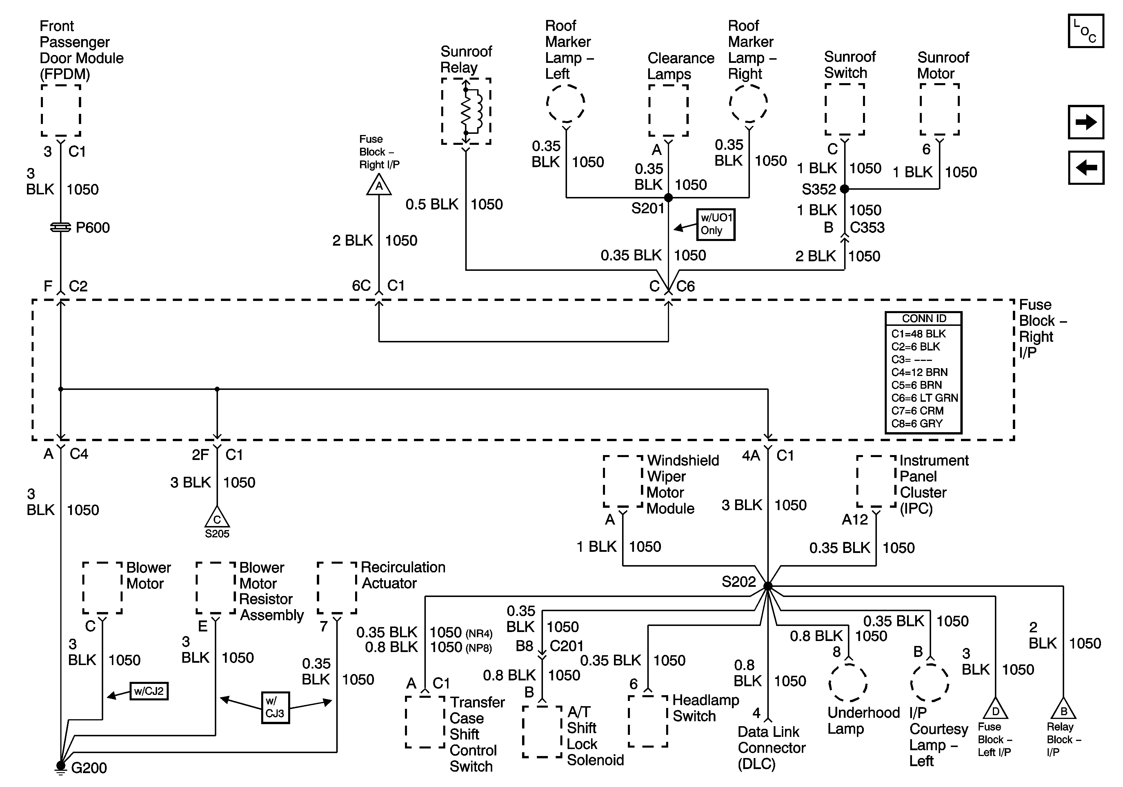
G200 - 1 of 3
G104, G107
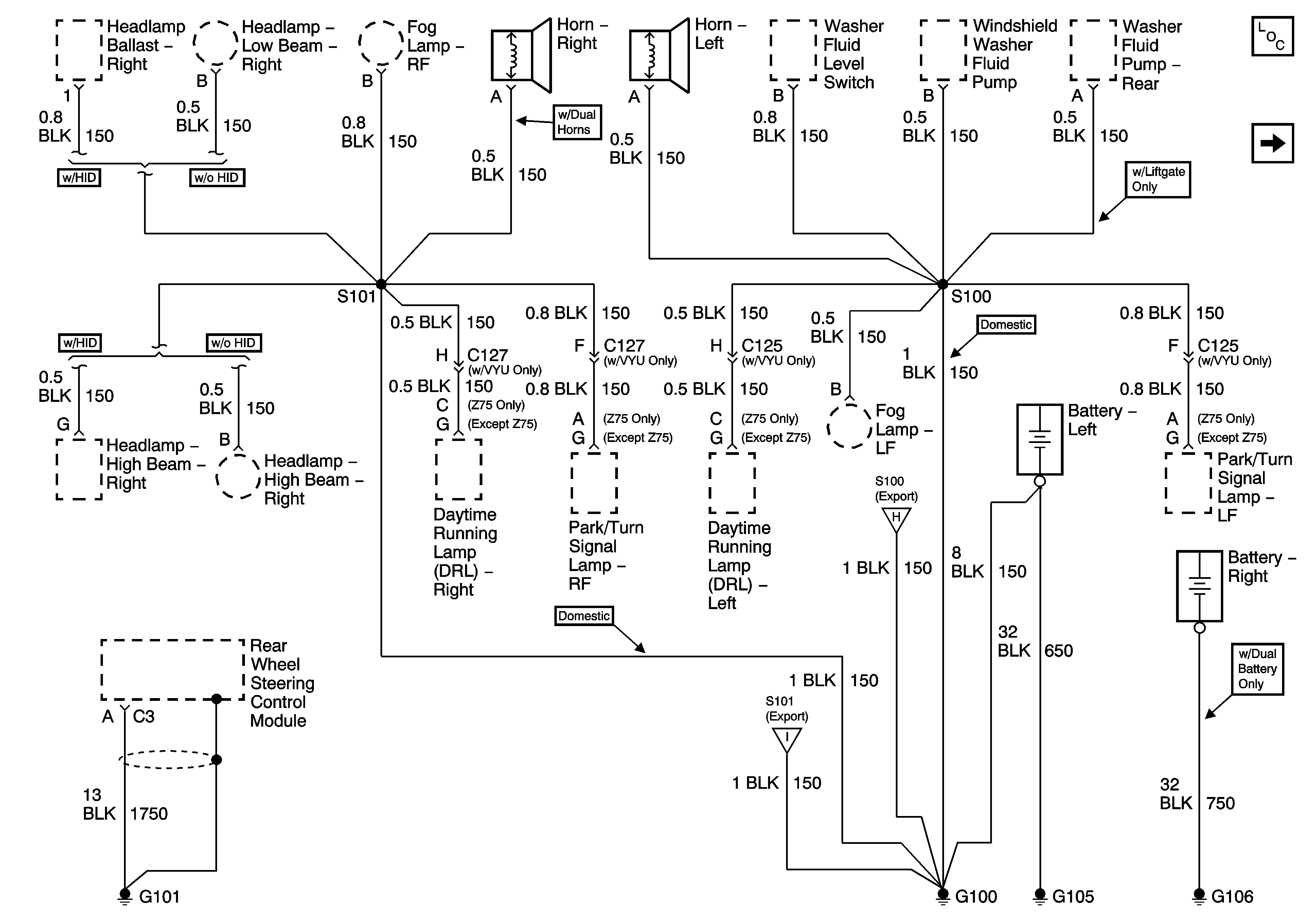
Figure 7:

G200 - 1 of 3


Object Number: 831767  Size: FS
Master Electrical Component List
G200 - 2 Of 3
G110
G200 - 2 Of 3
G200 - 2 Of 3
G200 - 3 Of 3
Figure 8:

G200 - 2 of 3


Object Number: 831768  Size: FS
Master Electrical Component List
G200 - 3 Of 3
G200 - 1 of 3
G200 - 1 of 3
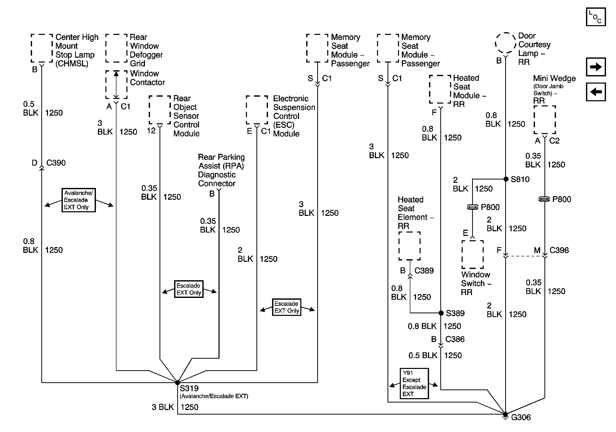
Figure 9:

G200 - 3 of 3


Object Number: 831769  Size: FS
Master Electrical Component List
G203 - 1 Of 2
G200 - 2 Of 3
G200 - 1 of 3
G200 - 1 of 3
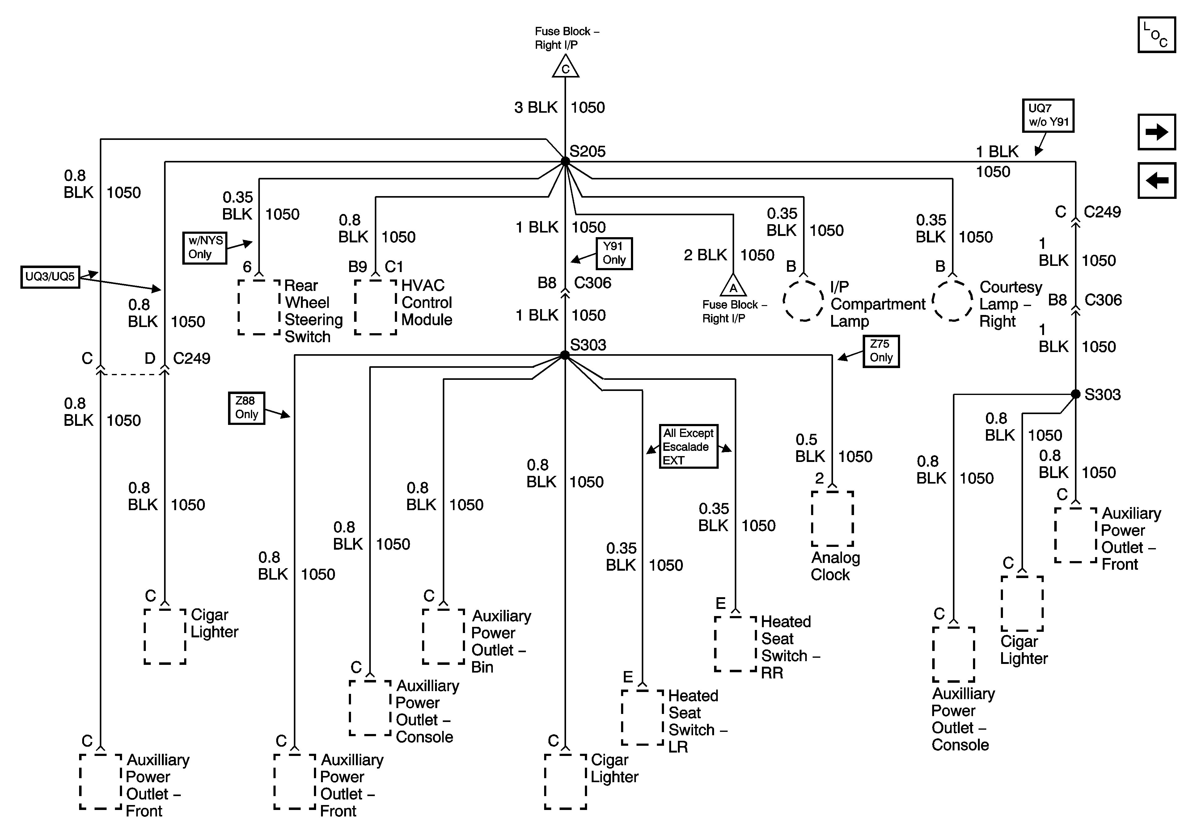
Figure 10:

G203 - 1 of 3


Object Number: 831770  Size: FS
Master Electrical Component List
G203 - 2 Of 2
G200 - 3 Of 3
G203 - 2 Of 2
Figure 11:

G203 - 2 of 3


Object Number: 831771  Size: FS
Master Electrical Component List
G203 - 3 of 3
G203 - 1 Of 2
G203 - 1 Of 2
G203 - 3 of 3
Figure 12:

G203 - 3 of 3


Object Number: 853387  Size: FS
Master Electrical Component List
G304, G305
G203 - 2 Of 2
G203 - 2 Of 2
Figure 13:

G304, G305


Object Number: 831772  Size: FS
Master Electrical Component List
G306
G203 - 3 of 3
Figure 14:

G306


Object Number: 831773  Size: FS
Master Electrical Component List
G401, G402, G403
G304, G305
Figure 15:

G401, G402, G403


Object Number: 831774  Size: FS
Master Electrical Component List
G410 - 1 Of 3
G306
Figure 16:

G410 - 1 of 3


Object Number: 831775  Size: FS
Master Electrical Component List
G410 - 2 Of 3
G401, G402, G403
G410 - 3 Of 3
G410 - 3 Of 3
G410 - 2 Of 3
G410 - 2 Of 3
Figure 17:

G410 - 2 of 3


Object Number: 831776  Size: FS
Master Electrical Component List
G410 - 3 Of 3
G410 - 1 Of 3
G410 - 1 Of 3
G410 - 1 Of 3
Figure 18:

G410 - 3 of 3


Object Number: 846549  Size: FS
Master Electrical Component List
G410 - 2 Of 3
G410 - 1 Of 3
G410 - 1 Of 3