GM Service Manual Online
For 1990-2009 cars only

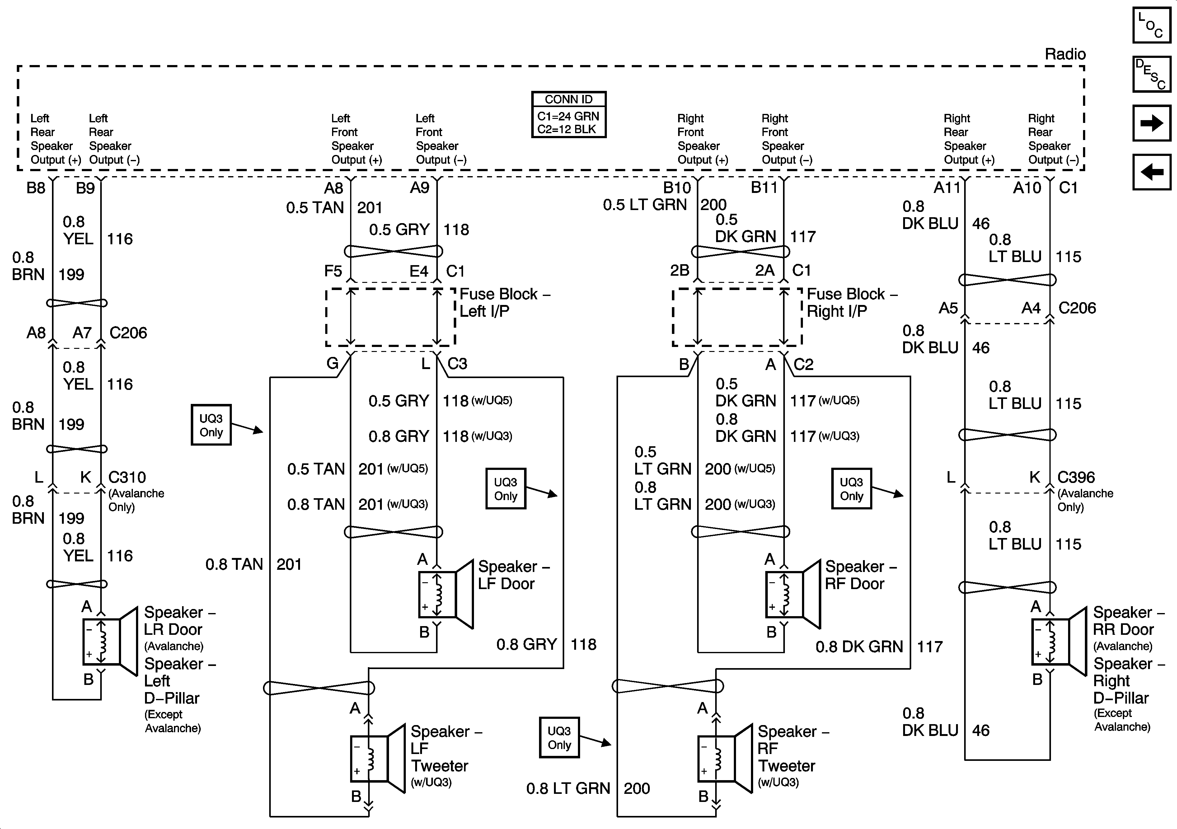
Radio/Audio System Schematics Base/Uplevel Radio - UQ3/UQ5

Figure 1:

Power, Ground, Audio Signals - UQ3/UQ5


Object Number: 840658  Size: FS
Master Electrical Component List
Radio/Audio System Description and Operation
Speakers - UQ3/UQ5
B+ Bus Bar - 1 of 2
RADIO, RADIO AMP, 4WS
G203 - 2 Of 2
G203 - 1 Of 2
G203 - 1 Of 2
SP205 - 2 of 2
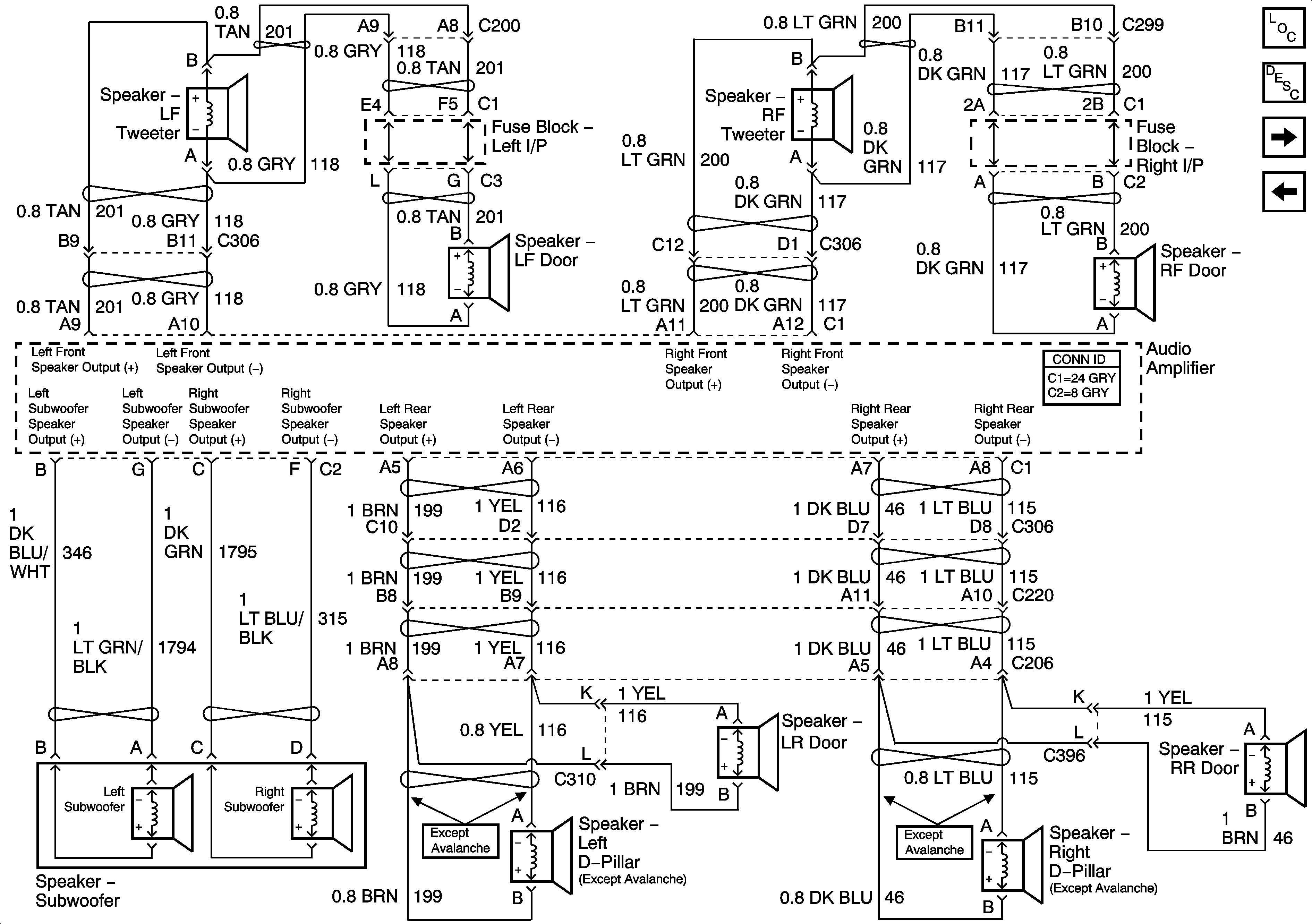
Figure 2:

Speakers - UQ3/UQ5


Object Number: 840661  Size: FS
Master Electrical Component List
Radio/Audio System Description and Operation
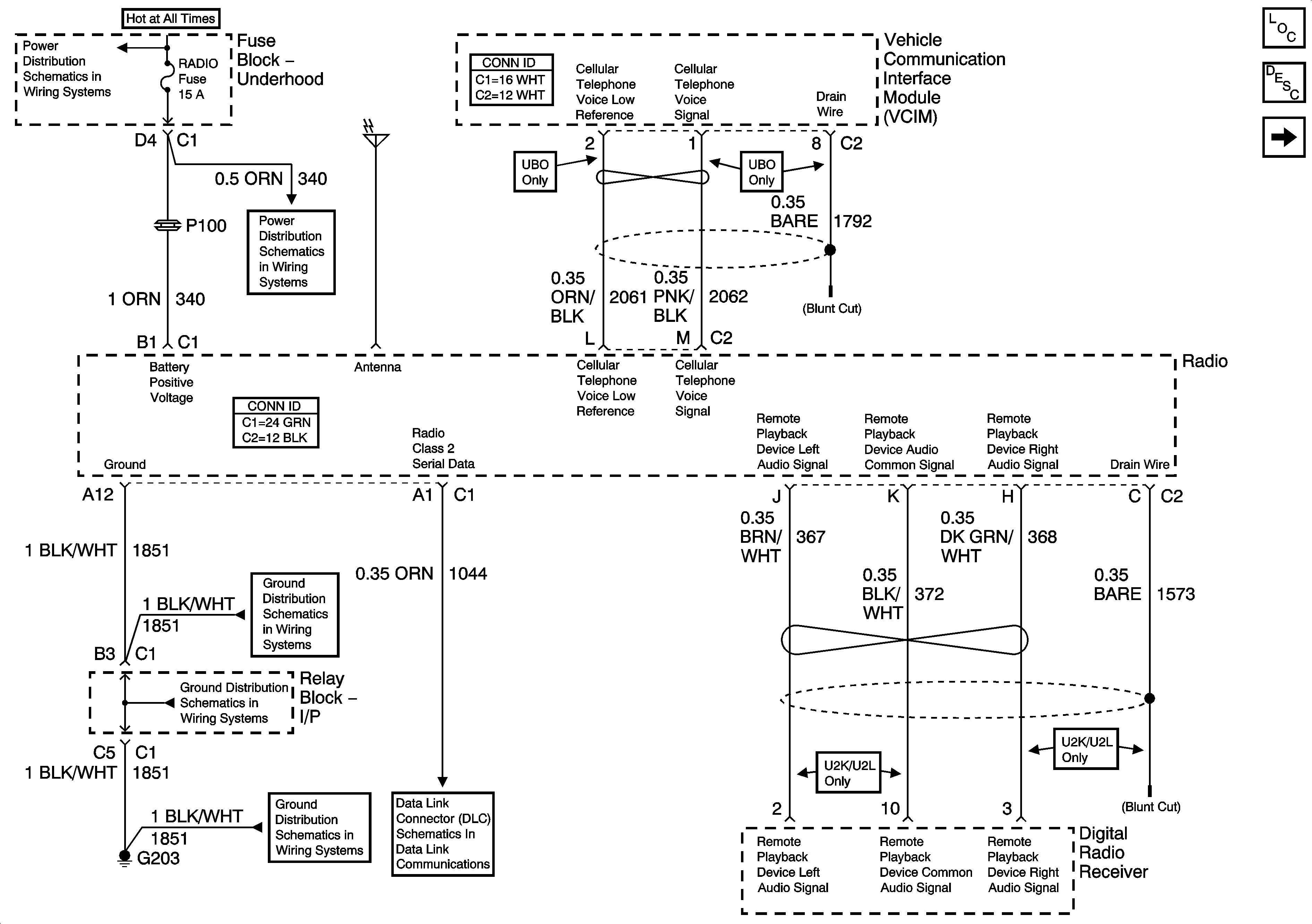
Digital Radio Receiver - UQ3/UQ5 w/ U2K/U2L
Power, Ground, Audio Signals - UQ3/UQ5
Figure 3:

Digital Radio Receiver - UQ3 w/ U2K/U2L


Object Number: 840663  Size: FS
Master Electrical Component List
Radio/Audio System Description and Operation
Speakers - UQ3/UQ5
B+ Bus Bar - 1 of 2
RADIO, RADIO AMP, 4WS
G203 - 1 Of 2
G203 - 1 Of 2
SP207 - Base and Uplevel

Radio/Audio System Schematics Premium Radio - UQ7 w/o Y91

Figure 1:

Power, Ground, Audio Signals - UQ7 w/o Y91 - 1 of 2


Object Number: 840665  Size: FS
Master Electrical Component List
Radio/Audio System Description and Operation
Power, Ground, Audio Signals - UQ7 w/o Y91 - 2 of 2
B+ Bus Bar - 1 of 2
RADIO, RADIO AMP, 4WS
G203 - 1 Of 2
SP205 - 2 of 2
G203 - 1 Of 2
Figure 2:

Power, Ground, Audio Signals - UQ7 w/o Y91 w/U42 and U2K/U2L- 2 of 2


Object Number: 840668  Size: FS
Master Electrical Component List
Radio/Audio System Description and Operation
Amplifier Power, Ground, Inputs - UQ7 w/o Y91 w/o RSA
Power, Ground, Audio Signals - UQ7 w/o Y91 - 1 of 2
Rear Seat Entertainment - UQ7 w/o Y91 w/ U42
Digital Radio Receiver - UQ7 w/o Y91 w/ U2K/U2L
Rear Seat Entertainment - UQ7 w/o Y91 w/ U42
Digital Radio Receiver - UQ7 w/o Y91 w/ U2K/U2L
Rear Seat Entertainment - UQ7 w/o Y91 w/ U42
Digital Radio Receiver - UQ7 w/o Y91 w/ U2K/U2L
Rear Seat Entertainment - UQ7 w/o Y91 w/ U42
Digital Radio Receiver - UQ7 w/o Y91 w/ U2K/U2L
Figure 3:

Amplifier Power, Ground, and Inputs - UQ7 w/o Y91 w/o RSA


Object Number: 840673  Size: FS
Master Electrical Component List
Radio/Audio System Description and Operation
Amplifier, RSA Inputs - UQ7 w/o Y91 w/RSA
Power, Ground, Audio Signals - UQ7 w/o Y91 - 2 of 2
B+ Bus Bar - 1 of 2
G203 - 1 Of 2
G203 - 1 Of 2
G203 - 1 Of 2
Figure 4:

Amplifier, RSA Power, Ground, and Inputs - UQ7 w/o Y91 w/ RSA


Object Number: 840684  Size: FS
Master Electrical Component List
Radio/Audio System Description and Operation
Speakers - UQ7 w/o Y91
Amplifier Power, Ground, Inputs - UQ7 w/o Y91 w/o RSA
B+ Bus Bar - 1 of 2
RADIO, RADIO AMP, 4WS
SP207 - Base and Uplevel
G203 - 1 Of 2
G203 - 1 Of 2
Figure 5:

Speakers - UQ7 w/o Y91


Object Number: 840694  Size: FS
Master Electrical Component List
Radio/Audio System Description and Operation
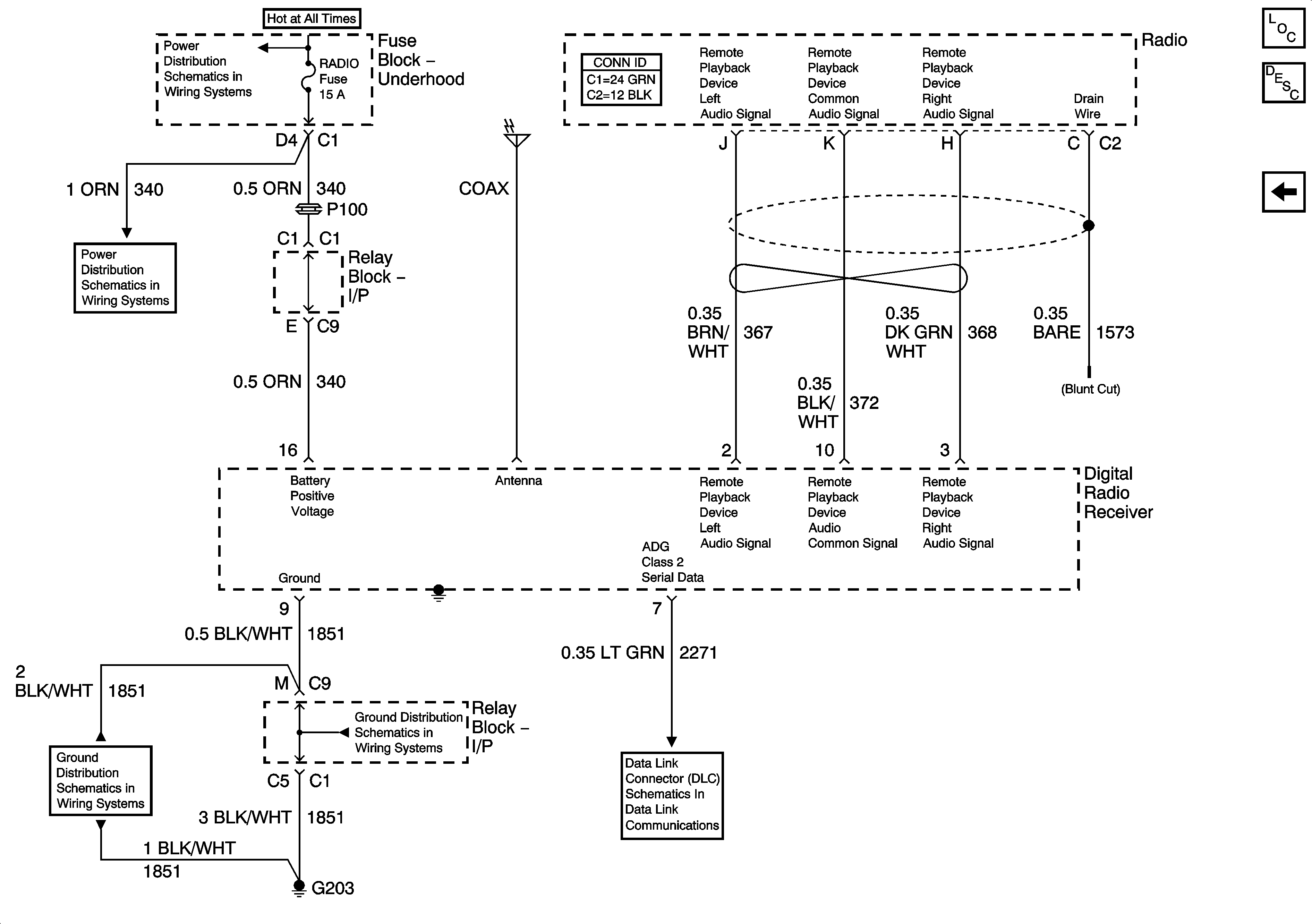
Digital Radio Receiver - UQ7 w/o Y91 w/ U2K/U2L
Amplifier, RSA Inputs - UQ7 w/o Y91 w/RSA
Figure 6:

Digital Radio Receiver - UQ7 w/o Y91 w/U2K/U2L


Object Number: 840696  Size: FS
Master Electrical Component List
Radio/Audio System Description and Operation
Rear Seat Entertainment - UQ7 w/o Y91 w/ U42
Speakers - UQ7 w/o Y91
B+ Bus Bar - 1 of 2
RADIO, RADIO AMP, 4WS
Power, Ground, Audio Signals - UQ7 w/o Y91 - 2 of 2
G203 - 1 Of 2
G203 - 1 Of 2
SP207 - Base and Uplevel
Figure 7:

Rear Seat Entertainment - UQ7 w/o Y91 w/U42


Object Number: 840699  Size: FS
Master Electrical Component List
Radio/Audio System Description and Operation
Digital Radio Receiver - UQ7 w/o Y91 w/ U2K/U2L
B+ Bus Bar - 1 of 2
INFO, CGR LTR
Power, Ground, Audio Signals - UQ7 w/o Y91 - 2 of 2
G203 - 1 Of 2
G203 - 1 Of 2
SP207 - Base and Uplevel

Radio/Audio System Schematics Luxury Radio - UQ7 w/ Y91

Figure 1:

Radio Power, Ground, Audio Signals - UQ7 w/Y91


Object Number: 840702  Size: FS
Master Electrical Component List
Radio/Audio System Description and Operation
Audio Signals - UQ7 w/Y91 - 1 of 2
B+ Bus Bar - 1 of 2
RADIO, RADIO AMP, 4WS
Amplifier, RSA Power, Ground, Subsystems - UQ7 w/ Y91
Digital Radio Receiver - UQ7 w/ Y91 and U2K/U2L
Antenna Module - UQ7 w/ Y91
G203 - 2 Of 2
SP205 - 2 of 2
G203 - 1 Of 2
G203 - 1 Of 2
Figure 2:

Audio Signals - UQ7 w/Y91 - 1 of 2


Object Number: 840705  Size: FS
Master Electrical Component List
Radio/Audio System Description and Operation
Audio Signals - UQ7 w/ Y91 - 2 of 2
Radio Power, Ground, Audio Signals - UQ7 w/Y91
Figure 3:

Audio Signals - UQ7 w/Y91 - 2 of 2


Object Number: 840709  Size: FS
Master Electrical Component List
Radio/Audio System Description and Operation
Amplifier, RSA Power, Ground, Subsystems - UQ7 w/ Y91
Audio Signals - UQ7 w/Y91 - 1 of 2
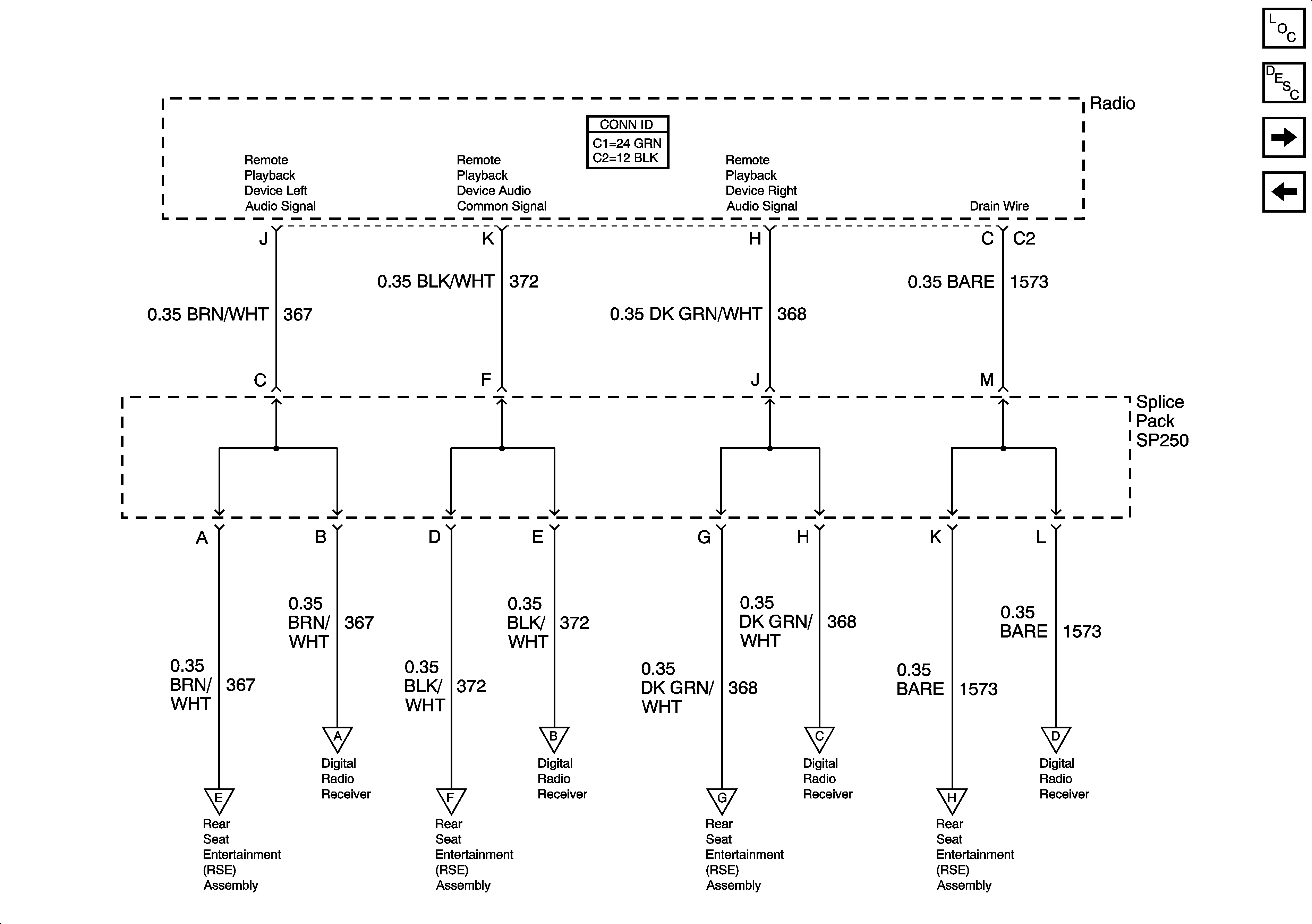
Remote CD Player - UQ7 w/ Y91 and U1S
Rear Seat Entertainment - UQ7 w/ Y91 and U42
Digital Radio Receiver - UQ7 w/ Y91 and U2K/U2L
Remote CD Player - UQ7 w/ Y91 and U1S
Rear Seat Entertainment - UQ7 w/ Y91 and U42
Digital Radio Receiver - UQ7 w/ Y91 and U2K/U2L
Remote CD Player - UQ7 w/ Y91 and U1S
Rear Seat Entertainment - UQ7 w/ Y91 and U42
Digital Radio Receiver - UQ7 w/ Y91 and U2K/U2L
Remote CD Player - UQ7 w/ Y91 and U1S
Rear Seat Entertainment - UQ7 w/ Y91 and U42
Digital Radio Receiver - UQ7 w/ Y91 and U2K/U2L
Figure 4:

Amplifier, RSA Power, Ground, Subsystems - UQ7 w/Y91


Object Number: 840712  Size: FS
Master Electrical Component List
Radio/Audio System Description and Operation
Speakers - UQ7 w/ Y91
Audio Signals - UQ7 w/ Y91 - 2 of 2
B+ Bus Bar - 1 of 2
SP207 - Base and Uplevel
Radio Power, Ground, Audio Signals - UQ7 w/Y91
G203 - 1 Of 2
G203 - 1 Of 2
Figure 5:

Speakers - UQ7 w/Y91


Object Number: 840716  Size: FS
Master Electrical Component List
Radio/Audio System Description and Operation
Remote CD Player - UQ7 w/ Y91 and U1S
Amplifier, RSA Power, Ground, Subsystems - UQ7 w/ Y91
Figure 6:

Remote CD Player - UQ7 w/Y91 and U1S


Object Number: 840719  Size: FS
Master Electrical Component List
Radio/Audio System Description and Operation
Digital Radio Receiver - UQ7 w/ Y91 and U2K/U2L
Speakers - UQ7 w/ Y91
B+ Bus Bar - 1 of 2
INFO, CGR LTR
Audio Signals - UQ7 w/ Y91 - 2 of 2
G203 - 1 Of 2
SP207 - Luxury
I/P Dimming Supply Voltage - 2 of 7
Figure 7:

Digital Radio Receiver - UQ7 w/Y91 and U2K/U2L


Object Number: 840721  Size: FS
Master Electrical Component List
Radio/Audio System Description and Operation
Rear Seat Entertainment - UQ7 w/ Y91 and U42
Remote CD Player - UQ7 w/ Y91 and U1S
Radio Power, Ground, Audio Signals - UQ7 w/Y91
Audio Signals - UQ7 w/ Y91 - 2 of 2
G203 - 2 Of 2
G203 - 1 Of 2
G203 - 1 Of 2
SP207 - Base and Uplevel
Figure 8:

Rear Seat Entertainment - UQ7 w/Y91 and U42


Object Number: 840727  Size: FS
Master Electrical Component List
Radio/Audio System Description and Operation
Antenna Module - UQ7 w/ Y91
Digital Radio Receiver - UQ7 w/ Y91 and U2K/U2L
B+ Bus Bar - 1 of 2
INFO, CGR LTR
Audio Signals - UQ7 w/ Y91 - 2 of 2
G203 - 1 Of 2
SP207 - Luxury
Figure 9:

Antenna Module - UQ7 w/Y91 except Escalade EXT


Object Number: 840731  Size: FS
Master Electrical Component List
Radio/Audio System Description and Operation
Rear Seat Entertainment - UQ7 w/ Y91 and U42
Radio Power, Ground, Audio Signals - UQ7 w/Y91