GM Service Manual Online
For 1990-2009 cars only
Makes
🢒
Cadillac
🢒
2003
🢒
Escalade EXT
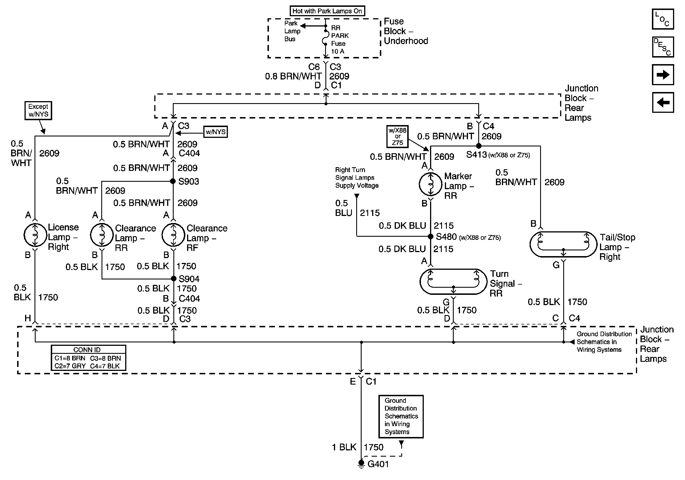
🢒 Right Rear Park Lamps
Right Rear Park Lamps
Right Rear Park Lamps
Master Electrical Component List
Exterior Lighting Systems Description and Operation
Left Rear Park Lamps
Interior Park
Park Lamp Relay - Domestic
Right Turn Signals - Domestic
G401, G402, G403
G401, G402, G403