GM Service Manual Online
For 1990-2009 cars only
Makes
🢒
Cadillac
🢒
2003
🢒
Escalade EXT
🢒 Interior Park
Interior Park
Interior Park
Master Electrical Component List
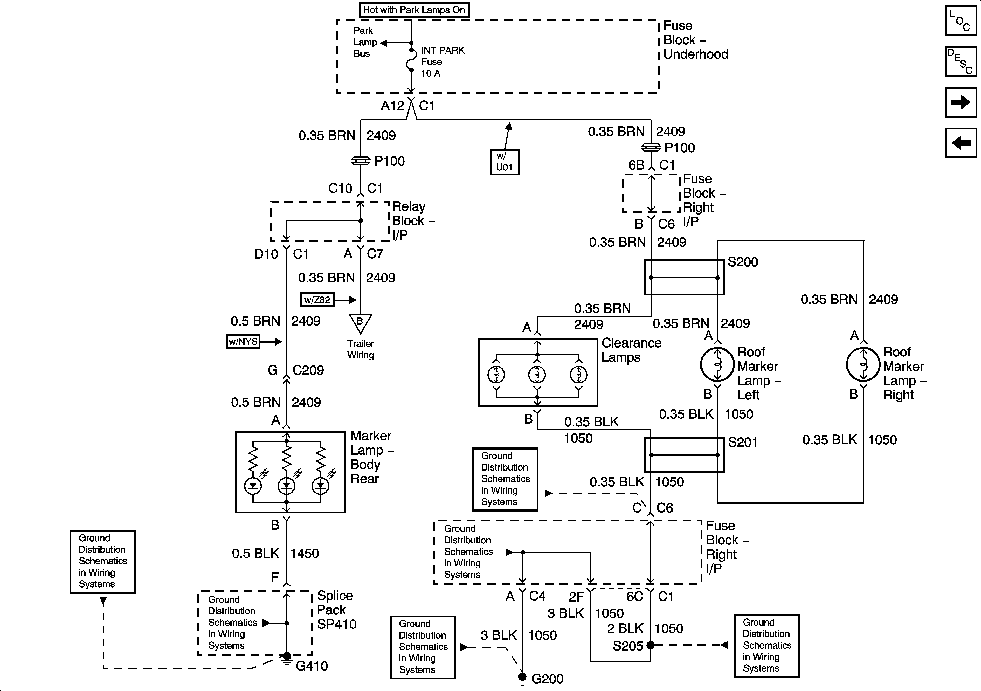
Exterior Lighting Systems Description and Operation
Right Rear Park Lamps
Front Park Lamps - Export
Park Lamp Relay - Domestic
Trailer Wiring
G200 - 1 of 3
G200 - 1 of 3
G200 - 1 of 3
G200 - 2 Of 3