GM Service Manual Online
For 1990-2009 cars only
Makes
🢒
Cadillac
🢒
2004
🢒
Escalade EXT
🢒
Suspension
🢒
Electronic Suspension Control (ESC)
🢒 Automatic Level Control Schematics
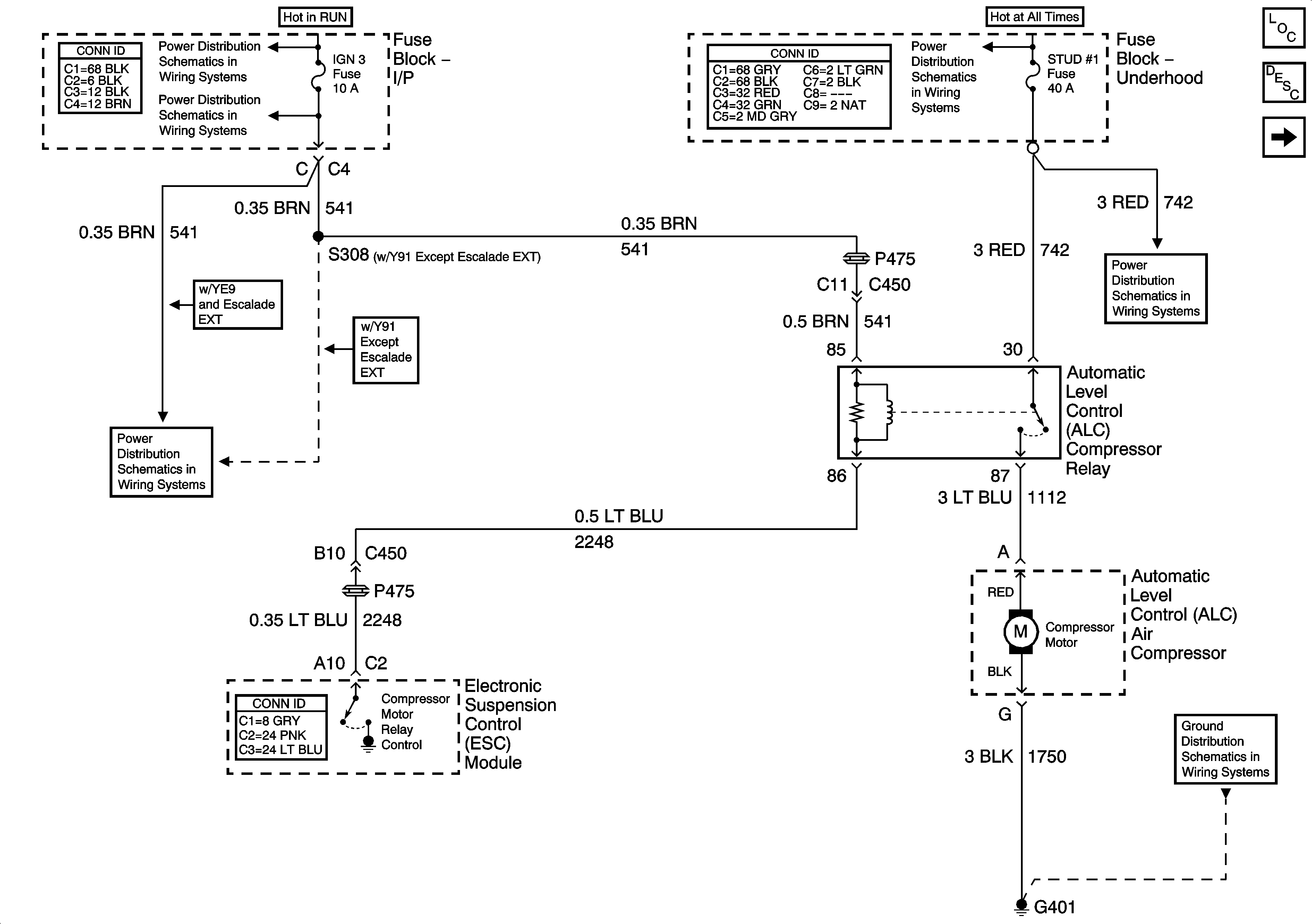
Figure
1:
Compressor Motor Control
Master Electrical Component List
Automatic Level Control Description and Operation
Suspension Level Control
Ignition Switch - START, and RUN Bus Bars
IGN 3 Fuse - 1 of 2
IGN 3 Fuse - 1 of 2
B+ Bus - 1 of 2
ABS, VSES/ECAS, STUD #1, STUD #2, TBC BATT Fuses
G401, G402
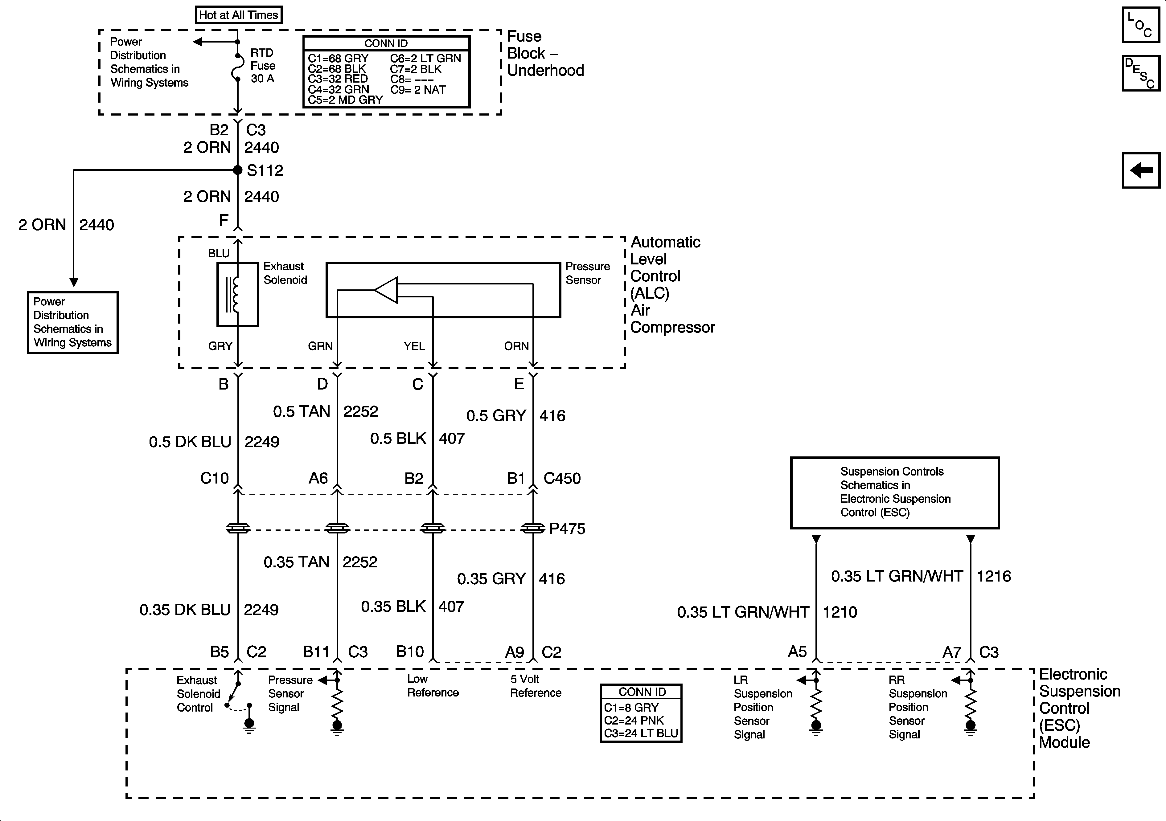
Figure
2:
Suspension Level Control
Master Electrical Component List
Automatic Level Control Description and Operation
Compressor Motor Control
B+ Bus - 1 of 2
RTD, RR WPR, EAP, SUNROOF Fuses
Suspension Position Sensors