GM Service Manual Online
For 1990-2009 cars only
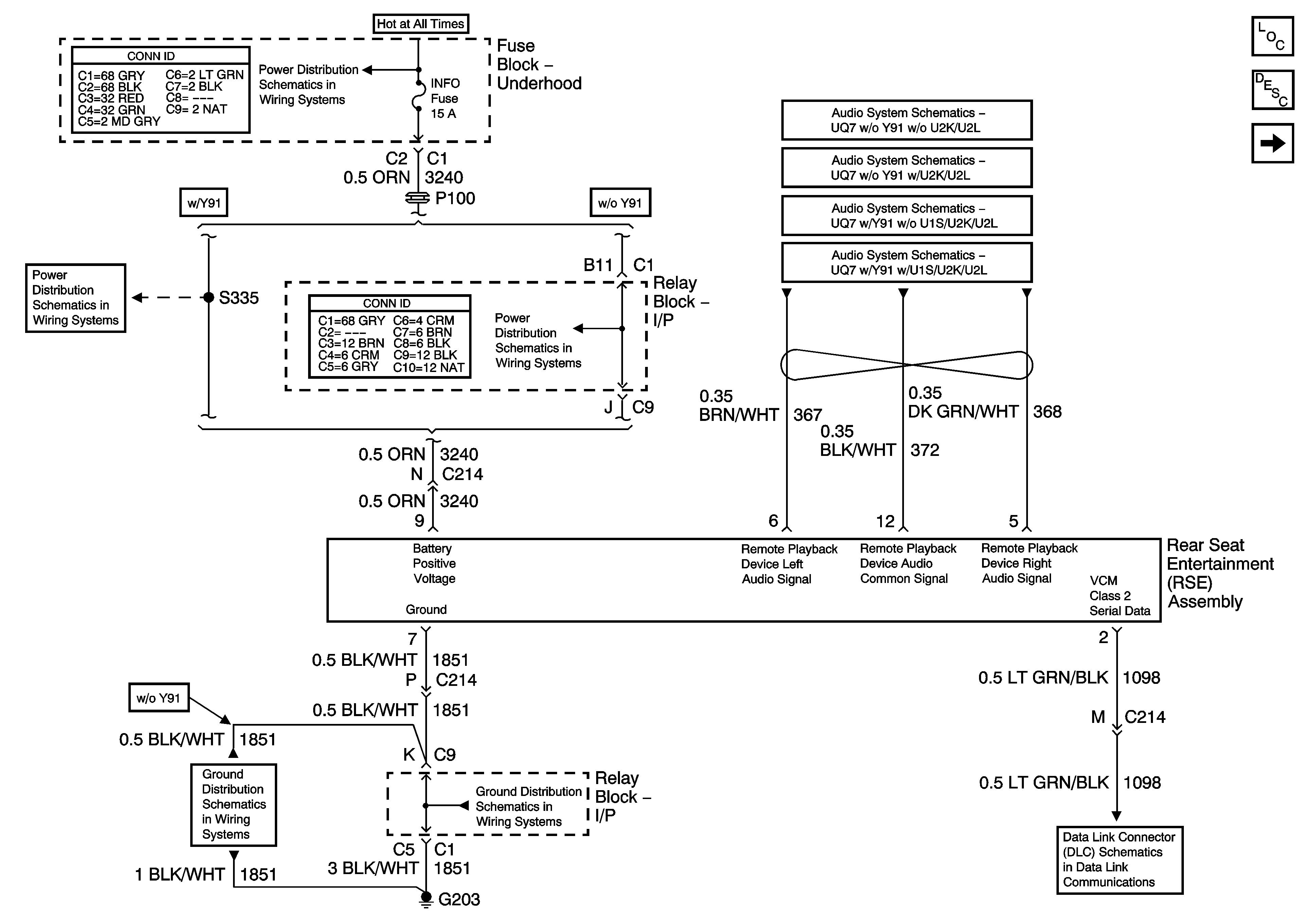
Figure 1:
Object Number: 1244645  Size: FS
Master Electrical Component List
Video Entertainment System Description and Operation
Power, Ground, Serial Data, Audio Input and Output - ULT
B+ Bus - 1 of 2
INFO, CIG LTR Fuses
INFO, CIG LTR Fuses
Power, Ground, Audio Signals - 1 of 2
Power, Ground, Audio Signals - 2 of 2
Audio Signals - 1 of 2
Audio Signals - 2 of 2
G203 - 1 of 3
G203 - 1 of 3
SP207
Figure 2:

Power, Ground, Serial Data, Audio Input and Output - ULT


Object Number: 1399552  Size: FS
Master Electrical Component List
Video Entertainment System Description and Operation
Audio and Video Output to Splitter and Rear Display - ULT
Video System Schematics
B+ Bus - 1 of 2
INFO, CIG LTR Fuses
G203 - 1 of 3
G203 - 1 of 3
Figure 3:

Audio and Video Output to Splitter and Rear Display - ULT


Object Number: 1399557  Size: FS
Master Electrical Component List
Video Entertainment System Description and Operation
Audio and Video Output to Front Display - ULT
Power, Ground, Serial Data, Audio Input and Output - ULT
Figure 4:

Audio and Video Output to Front Display - ULT


Object Number: 1399559  Size: FS
Master Electrical Component List
Video Entertainment System Description and Operation
Audio and Video Output to Splitter and Rear Display - ULT