GM Service Manual Online
For 1990-2009 cars only
Makes
🢒
Cadillac
🢒
2004
🢒
Escalade EXT
🢒 Engine Data Sensors - Pressure and Temperature
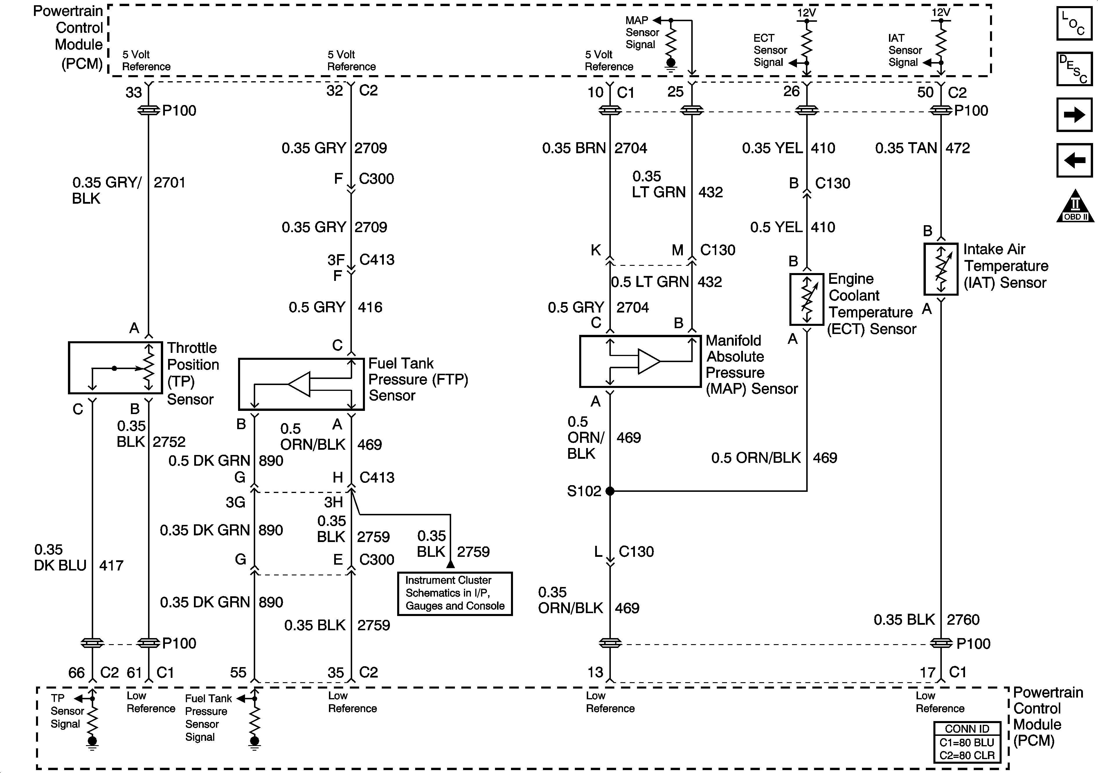
Engine Data Sensors - Pressure and Temperature
Engine Data Sensors - Pressure and Temperature
Master Electrical Component List
Powertrain Control Module Description
Heated Oxygen Sensors
5 Volt and Low Reference Bussing
OBD II Symbol Description Notice
Fuel Level, Oil Level and Oil Pressure