GM Service Manual Online
For 1990-2009 cars only
Makes
🢒
Cadillac
🢒
2004
🢒
Escalade EXT
🢒 Heated Oxygen Sensors
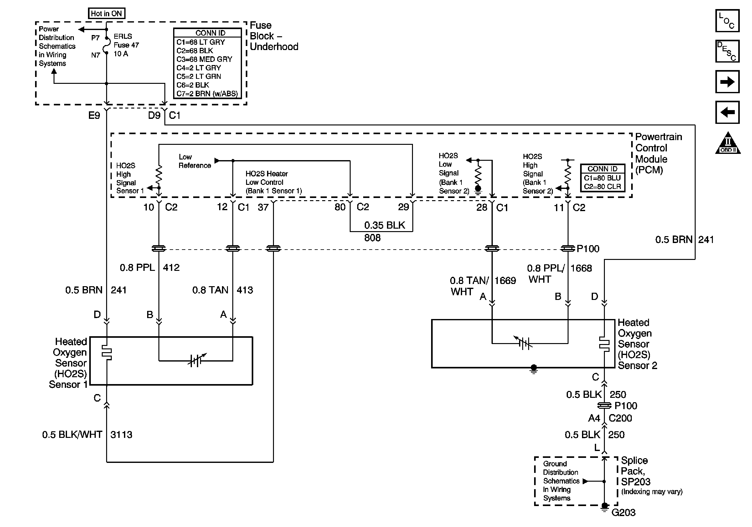
Heated Oxygen Sensors
Heated Oxygen Sensors
Master Electrical Component List
Powertrain Control Module Description
Ignition System
Engine Data Sensors - Pressure and Temperature
OBD II Symbol Description Notice
IGN SW-BATT1, HTR A/C, ERLS and CRANK Fuses
G203