GM Service Manual Online
For 1990-2009 cars only
Makes
🢒
Cadillac
🢒
2004
🢒
Escalade EXT
🢒 Power and Ground
Power and Ground
Power and Ground
Master Electrical Component List
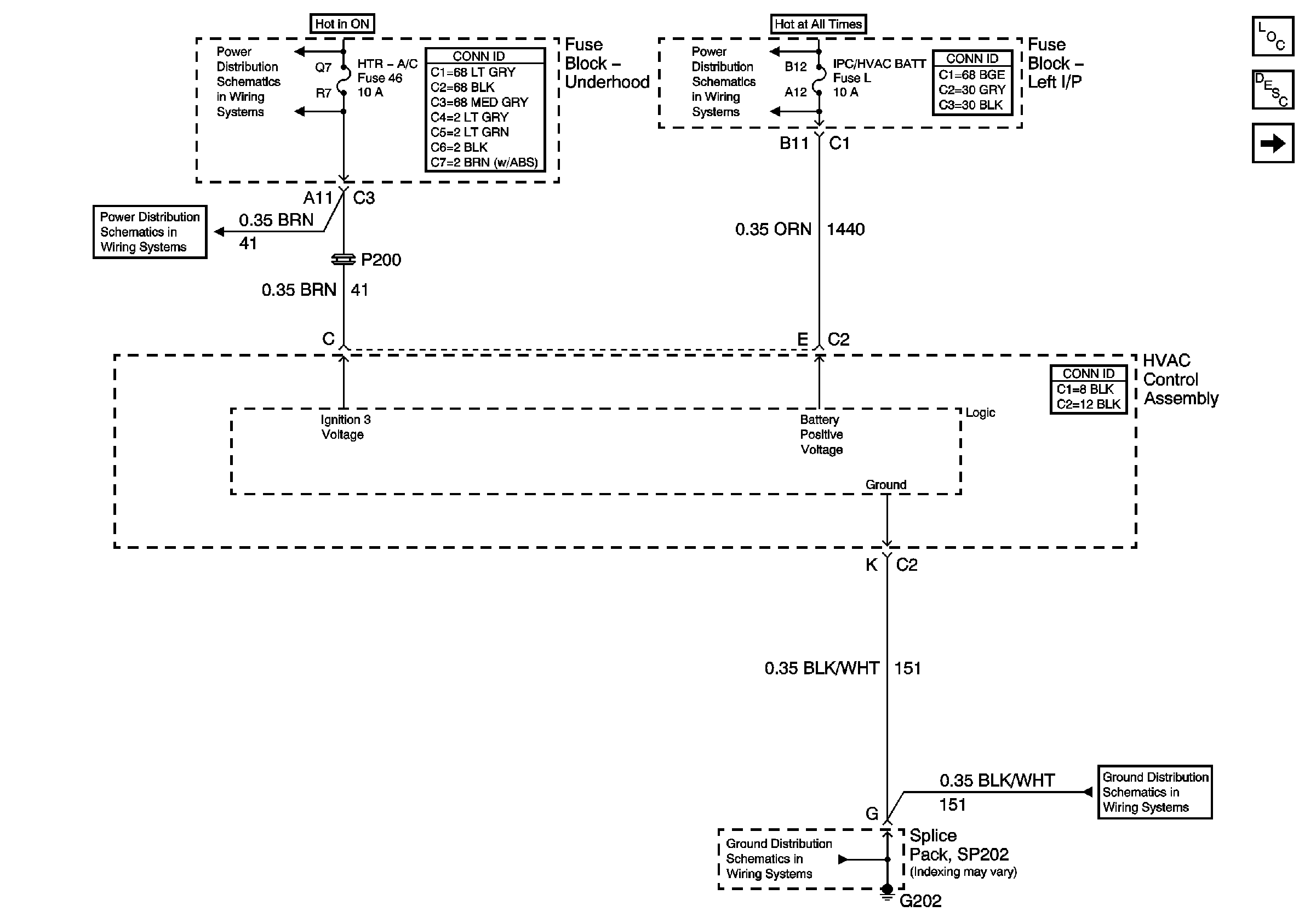
Air Delivery Description and Operation
Blower Motor Controls
IGN SW-BATT1, HTR A/C, ERLS and CRANK Fuses
RH HDLP, LH HDLP, GEN BATT, LH BEC BATT2, STOP LPS, HAZARD LPS, IPC/HVAC BATT, BFC BATT Fuses
IGN SW-BATT1, HTR A/C, ERLS and CRANK Fuses
G202
G202