GM Service Manual Online
For 1990-2009 cars only
Makes
🢒
Cadillac
🢒
2004
🢒
Escalade EXT
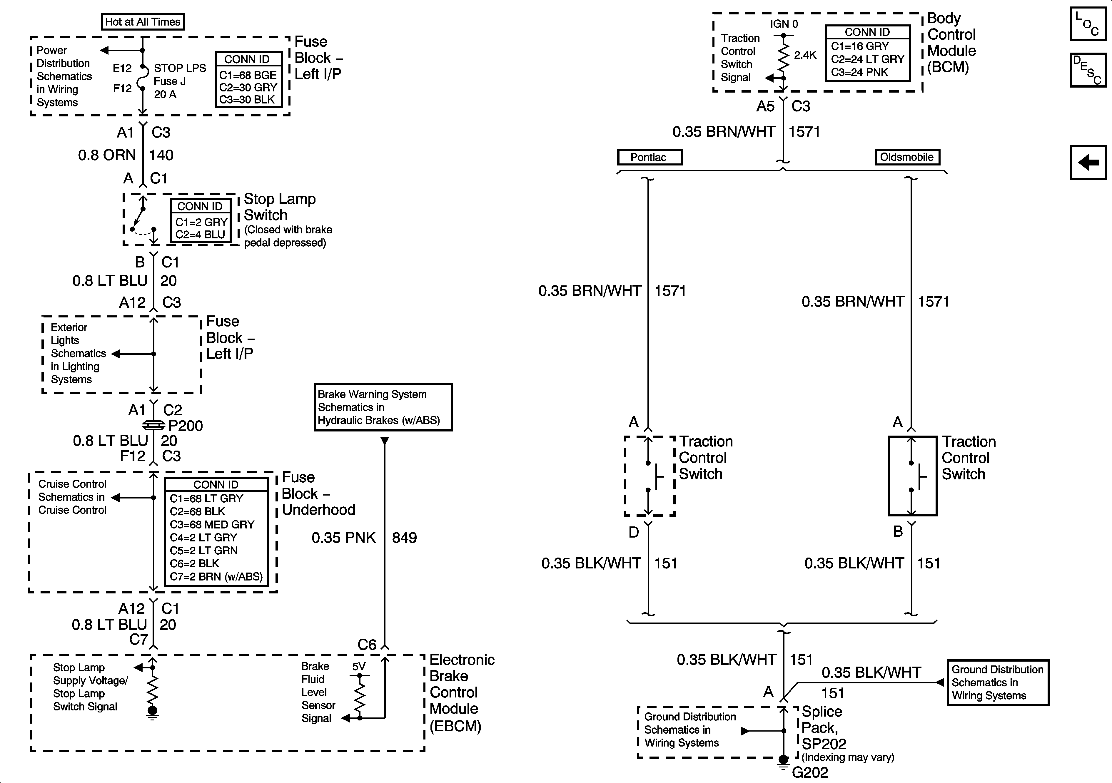
🢒 Stop Lamp Switch and Traction Control Switch
Stop Lamp Switch and Traction Control Switch
Stop Lamp Switch and Traction Control Switch
Master Electrical Component List
ABS Description and Operation
Wheel Speed Sensors
RH HDLP, LH HDLP, GEN BATT, LH BEC BATT2, STOP LPS, HAZARD LPS, IPC/HVAC BATT, BFC BATT Fuses
Stop Lamps
Stop Lamp Switch
w/o ABS
w/ABS
G202
G202