GM Service Manual Online
For 1990-2009 cars only
Makes
🢒
Cadillac
🢒
2004
🢒
Escalade EXT
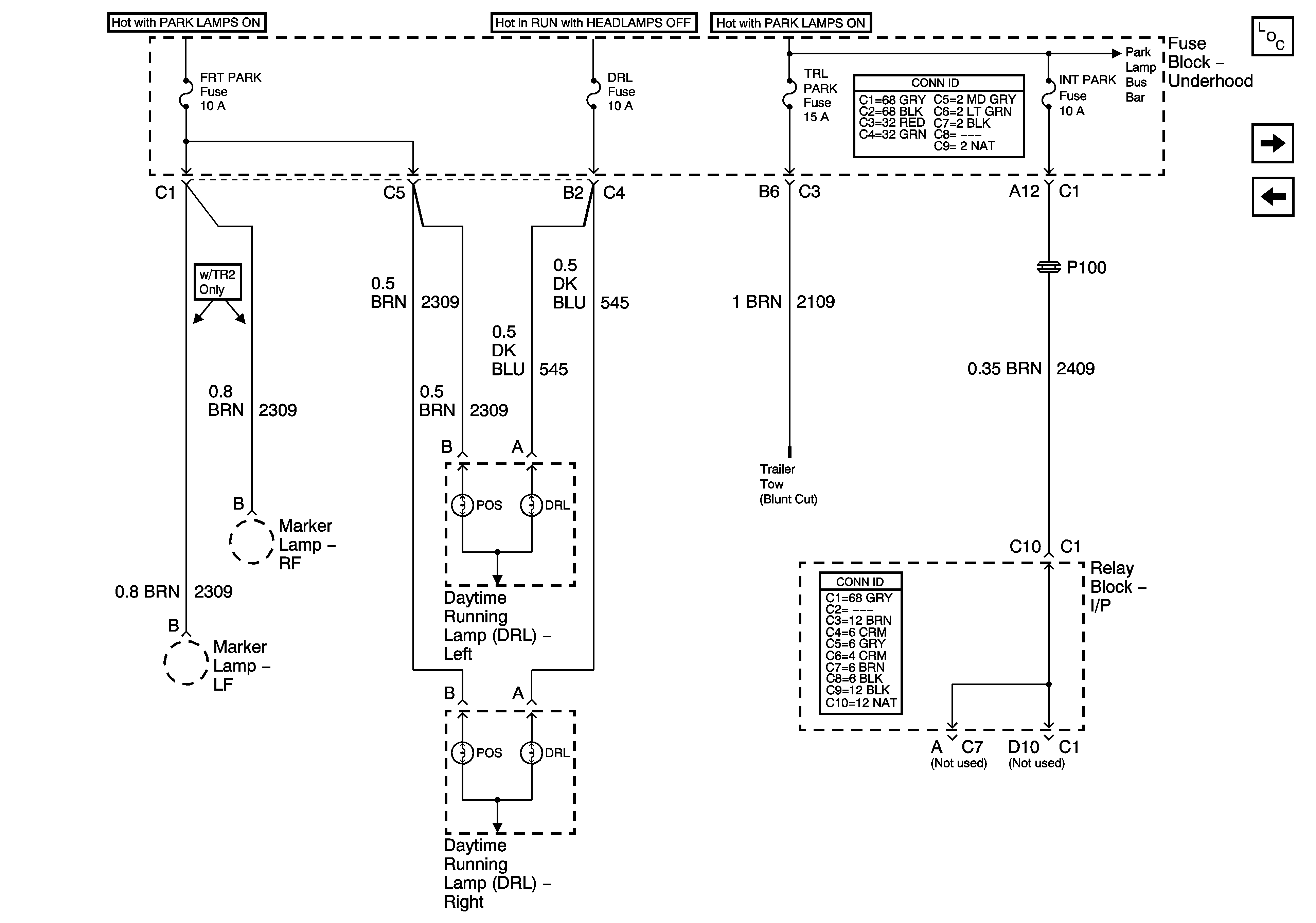
🢒 FRT PARK, DRL, TRL PARK, INT PARK Fuses - Export
FRT PARK, DRL, TRL PARK, INT PARK Fuses - Export
FRT PARK, DRL, TRL PARK, INT PARK Fuses - Export
Master Electrical Component List
VEH CHMSL, VEH STOP, LT TRLR ST/TRN, RT TRLR ST/TRN Fuses
FRT PARK, INT PARK, TRL PARK Fuses - Domestic
B+ Bus - 2 of 2