GM Service Manual Online
For 1990-2009 cars only
Makes
🢒
Cadillac
🢒
2004
🢒
Escalade EXT
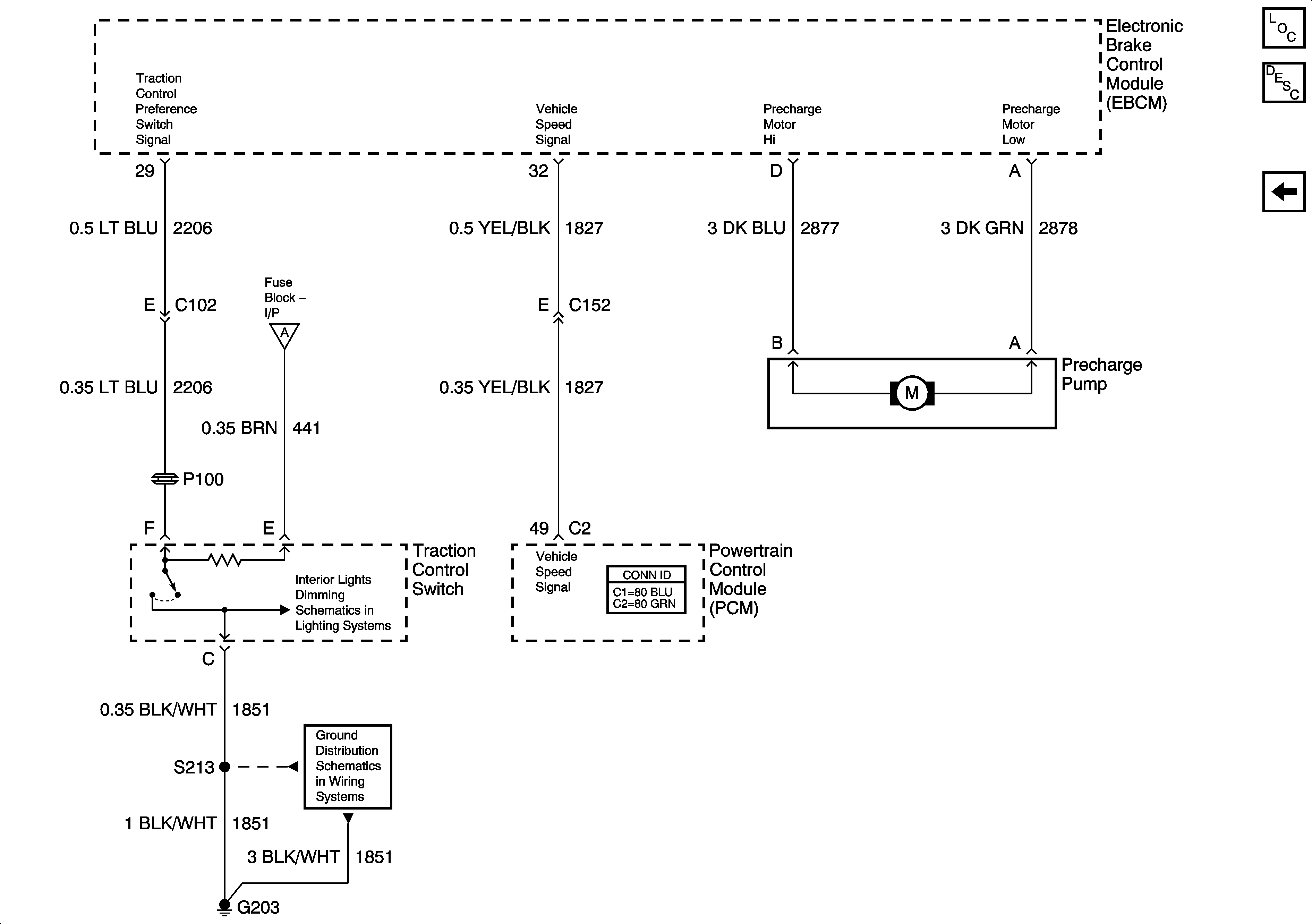
🢒 Traction Control Switch and Precharge Pump - w/ VSES
Traction Control Switch and Precharge Pump - w/ VSES
Traction Control Switch and Precharge Pump - w/ VSES
Master Electrical Component List
ABS Description and Operation W/JL4
Steering Wheel Speed/Position Sensor Inputs
Power, Ground, Serial Data, and Stop Lamp Switch - w/ VSES
I/P Dimming Supply Voltage - 4 of 7
G203 - 1 of 3