GM Service Manual Online
For 1990-2009 cars only
Makes
🢒
Cadillac
🢒
2004
🢒
Escalade EXT
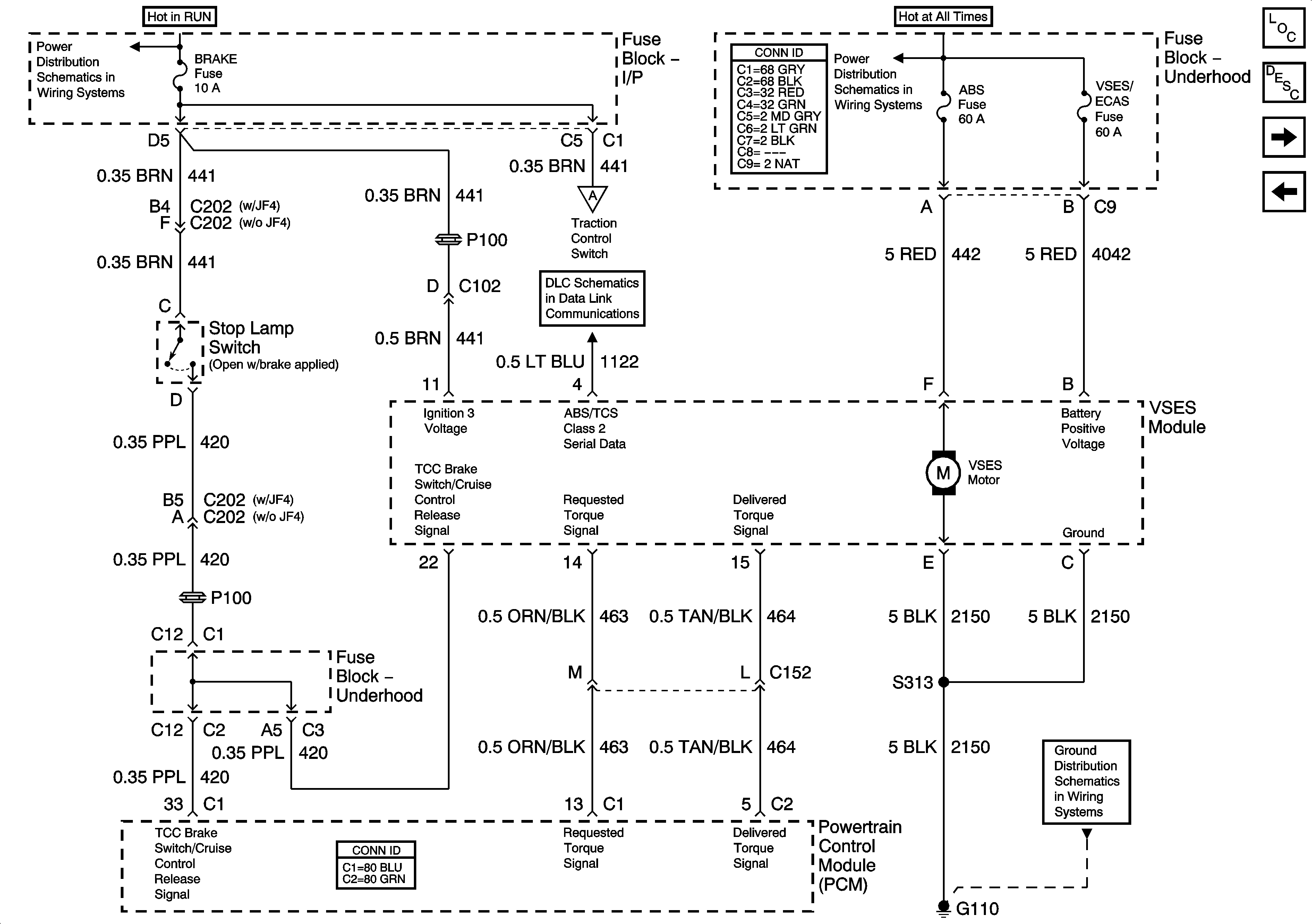
🢒 Power, Ground, Serial Data, and Stop Lamp Switch - w/ VSES
Power, Ground, Serial Data, and Stop Lamp Switch - w/ VSES
Power, Ground, Serial Data, and Stop Lamp Switch - w/ VSES
Master Electrical Component List
ABS Description and Operation W/JL4
Wheel Speed Sensors - w/ VSES
Stop Lamp Switch and Traction Control Switch
BRAKE, HTR/AC, HVAC I, CRUISE, 4WD Fuses
Traction Control Switch and Precharge Pump - w/ VSES
SP205 - 1 of 2
B+ Bus - 1 of 2
G110