GM Service Manual Online
For 1990-2009 cars only
Makes
🢒
Cadillac
🢒
2004
🢒
Escalade EXT
🢒 Digital Radio Receiver - w/ U2K/U2L
Digital Radio Receiver - w/ U2K/U2L
Digital Radio Receiver - w/ U2K/U2L
Master Electrical Component List
Radio/Audio System Description and Operation
Rear Seat Entertainment - w/ U42
Remote CD Player - w/ U1S
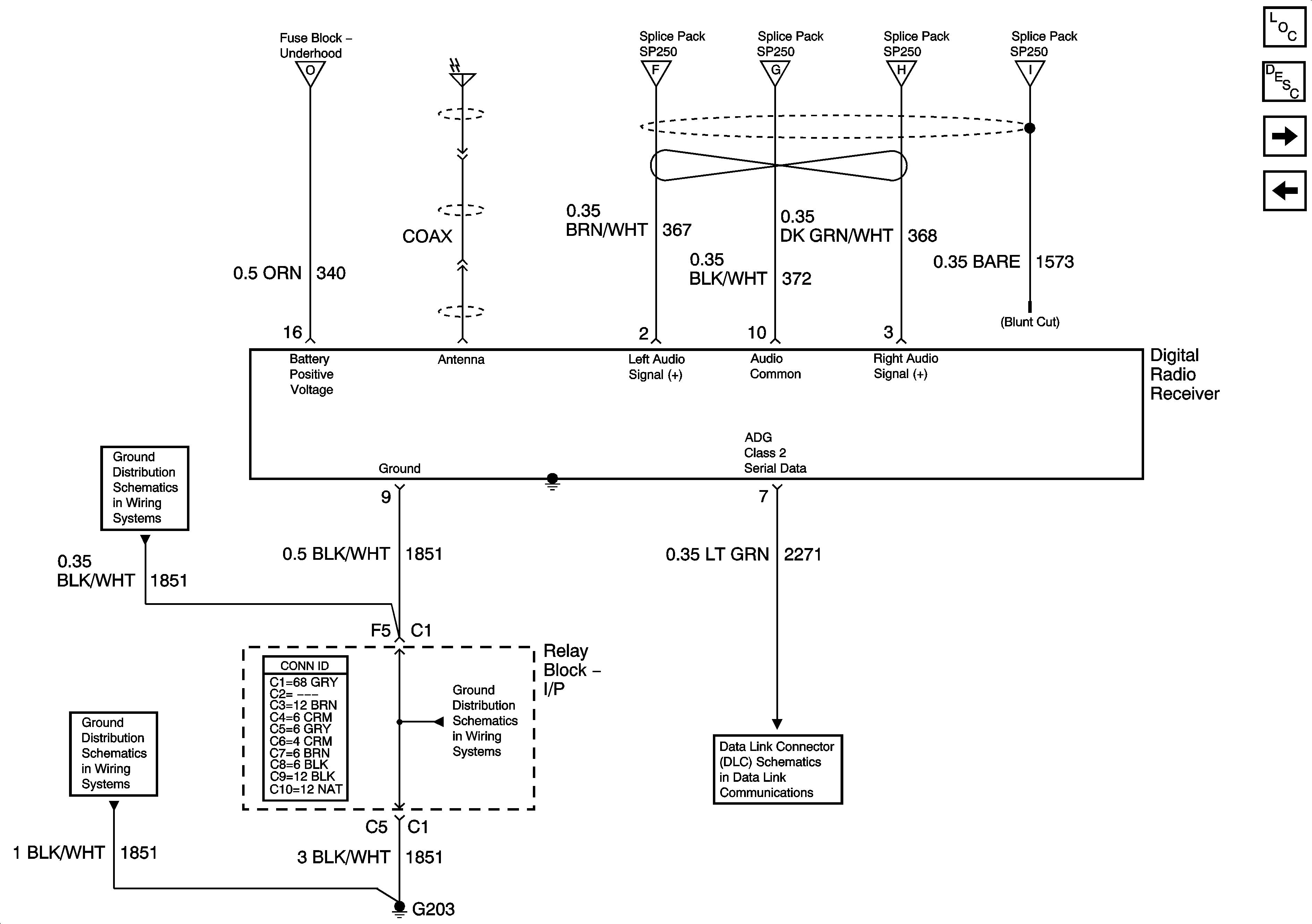
Radio Power, Ground, Audio Signals
Audio Signals - 2 of 2
Audio Signals - 2 of 2
Audio Signals - 2 of 2
Audio Signals - 2 of 2
G203 - 2 of 3
G203 - 1 of 3
G203 - 1 of 3
SP207