GM Service Manual Online
For 1990-2009 cars only
Makes
🢒
Cadillac
🢒
2004
🢒
Escalade EXT
🢒 Rear Seat Entertainment - w/ U42
Rear Seat Entertainment - w/ U42
Rear Seat Entertainment - w/ U42
Master Electrical Component List
Radio/Audio System Description and Operation
Antenna Module
Digital Radio Receiver - w/ U2K/U2L
B+ Bus - 1 of 2
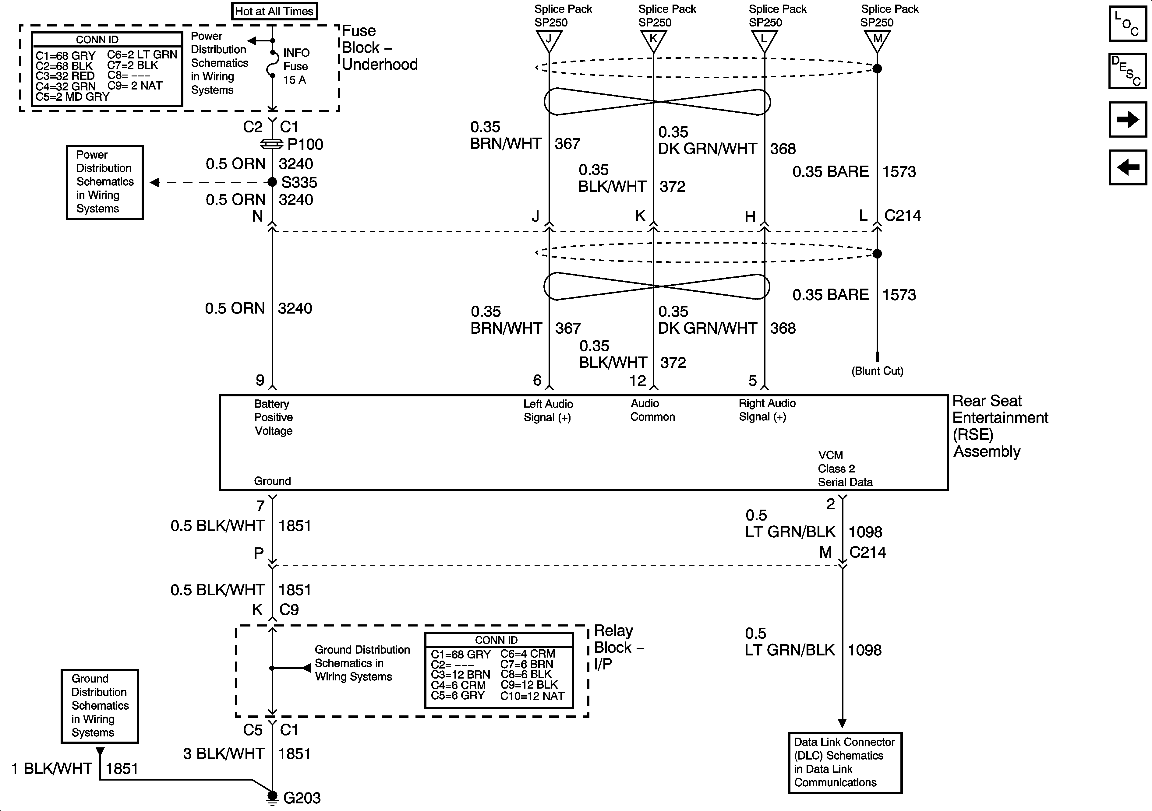
Audio Signals - 2 of 2
Audio Signals - 2 of 2
Audio Signals - 2 of 2
Audio Signals - 2 of 2
INFO, CIG LTR Fuses
G203 - 1 of 3
G203 - 1 of 3
SP207